本应用手册介绍了用于高压检测的全新 AMC038x 器件系列,包括具有集成电阻分压器的电隔离放大器和调制器,并重点介绍了其优势和常见用例。
本文引用地址:
简介
随着高电压汽车和工业设计的发展,人们对于精确、安全和高能效的电隔离电压检测设计的需求日益增长。AMC038x 产品系列是一组隔离式放大器和调制器,具有更高精度、增强集成和更强功能,可满足这些要求。与使用外部电阻分压器的传统设计相比,这些器件采用集成高压 (HV) 电阻,因此设计尺寸大大减小。要将电压降至 1V 或 2V 电平,外部高压电阻分压器可能尺寸很大且成本高昂。此外,与分立式电阻相比,集成电阻具有非常低的温度漂移和使用寿命漂移。因此,AMC038x 产品能够在整个温度范围和使用寿命内实现低于 1% 的精度,并且无需校准。
高电压电阻隔离式放大器和调制器的优势
与使用外部电阻分压器电压检测器件的标准 2V 输入相比,AMC038x 产品系列具有许多优势,包括提高精度并减小布板空间。
1.节省空间
图1 节省布板空间电流分立式高压电阻会占用 PCB 上的大部分空间。通常,单个电阻的压降受限于制造商,由于板级可靠性问题,客户倾向于选择尺寸较小的电阻。因此,系统可能需要多达 15 个高压电阻来降低电压并维持系统的隔离额定值。相比之下,AMC038x 产品系列将高压电阻集成到器件中,相当于使设计更简单、更小巧。这在高压输入和下一个最近的引脚之间提供了 8mm 爬电距离和间隙距离。如图 1 所示,设计尺寸减小了 50% 以上,并大大减少了 BOM 数量。
2.集成高压电阻的温度漂移和使用寿命漂移更低
除了节省空间之外,集成高压电阻分压器还可提高精度。以往采用外部电阻的设计具有更高的温度漂移和使用寿命漂移;省去外部电阻可以消除大部分总误差。更具体地说,外部电阻的温度漂移会随时间推移越来越严重。通常,外部电阻分压器在分压器的上半部分使用高压电阻,在分压器的下半部分使用低压 (LV) 电阻。这些低压电阻通常具有不同的类型、结构或材料。集成电阻分压器对上电阻和下电阻使用相同的材料,因此温度系数非常低。电阻分压器的任何剩余误差随后都会在生产中得到校准,这实际上完全消除了电阻分压器误差。考虑以下示例:
图2 外部电阻设计
图3 集成电阻设计外部电阻最坏情况下的漂移误差:

集成电阻最坏情况下的漂移误差:

由于外部电阻可以朝相反方向变化,这相当于总信号链误差的 2/3 以上,额外增加 1%。因此,与高压集成电阻产品不同,外部电阻设计很难在整个温度范围和使用寿命内实现低于 1% 的精度。
3.精度结果
图4 输出基准误差百分比与输入电压之间的关系
图5 输出基准误差电压与输入电压之间的关系为了进行说明,图 4 和图 5 展示了 AMC038x 器件在整个温度范围内的典型精度。这两张图表明,AMC038x 在 100V 以上可实现低于 0.4% 的精度,并且无需系统级校准,即可在整个温度范围内实现 100V 输入以下 0.5V 绝对误差。保存校准例程可降低用于实现精确电压测量应用的生产成本。
图6 MC038x,热结果:12.5MΩ此外,AMC0381D10 热结果证明了该器件系列在极高电压下的稳定性能。在 1000V 下,封装的 θJA 热阻为 107°C/W,预计温升为 8°C,这与实验室测量结果非常一致。这不仅可以接受,还证实了在较高环境温度下的安全性能。
4.完全集成电阻与附加外部电阻示例
在车载充电器 (OBC) 应用中,精确的电压测量和温度范围内的性能稳定至关重要。要使电池在使用数年后仍可完全充满电,必须实现电池的完全充电状态。Ergo、更高精度和低使用寿命漂移直接有助于这些系统的持续成功。这些原则也可以扩展到其他混合动力汽车、能源基础设施和电机驱动应用。
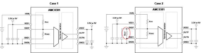
一些应用也可以考虑添加外部电阻来手动调整内部电阻分压器的增益。这是可行的;但需要注意的是,这会重新引入在使用集成电阻器件时几乎可以避免的温度漂移和增益误差。借助集成电阻,高压和低压电阻的增益漂移可以朝同一方向漂移,并在温度范围内保持稳定,实际微乎其微。当引入一个外部电阻 REXT 时,在最坏情况下,内部电阻和 REXT 的增益漂移会朝相反方向变化并对系统增加二次误差。例如,如果用户希望在 1000V 器件上检测 1200V 电压,该用户可以考虑以下演示:
图7 增益误差电阻分压器变化原理图案例1:在1000V器件上检测1000V (AMC0381R10):
对于 1000V 器件:RHV = 12.5MΩ;RSNS = 12.5kΩ。集成电阻容差为 ±20%。高压和低压电阻 RHV 和 RSNS 朝相同方向漂移。SNSP 引脚上的标称电阻分压器电压:

SNSP 引脚上的最大电阻分压器电压:

输出基准增益误差:

如果未能充分扩大满量程输入范围,则会导致失调电压误差,进而造成更大的满量程误差。有关详细信息,请参阅隔离式电压检测计算器。
案例2:使用1000V器件 (AMC0381R10) 检测1200V:
对于 1000V 器件:RHV = 12.5MΩ;RSNS = 12.5kΩ。该设计需要在 SNSP 和 AGND 之间包含一个外部电阻 REXT。这可能会对系统造成二次误差,因此不建议这样做。不得超过器件的绝对最大额定值。

集成电阻的容差为 ±20%,外部电阻的容差为 0.1%。在最坏情况下,REXT 的漂移方向可能会与 RHV 和 RSNS 相反。SNSP 引脚上带外部电阻的标称电阻分压器电压:

SNSP引脚上带外部电阻的最大电阻分压器电压:

输出基准增益误差:

按原样使用集成电阻器件不会引入任何可测量到的增益漂移。添加一个外部电阻来手动调节这些器件的增益可能会引入额外误差,最坏情况下会对总系统误差增加 3.44% 的增益漂移误差,因此不建议这样做。
5.完全集成电阻与附加外部电阻示例
图8 AMC038x选择树表1 交流电压检测用例

表2 直流电压检测用例

AM038x 器件器具有四个固定比率选项,可提供四个不同的输入电压范围:400V、600V、1000V 和 1600V。这些器件还具有三种不同的输出类型:差分模拟输出、单端模拟输出和数字位流调制器输出(图 8)。这些器件通过双极输入选项(表 1)支持交流电压检测,通过直流输入选项(表 2)支持直流电压检测。
总结
AMC038x 产品系列尺寸更小、精度更高且易于集成,适用于各种应用的强大设计。集成高压电阻可实现低于 1% 的行业领先精度,PCB 设计尺寸减小 50%,并且无需行末校准。这些改进大大提升了这些隔离式放大器和调制器在混合动力汽车、能源基础设施和电机驱动应用中的适用性。
“掌”握科技鲜闻 (微信搜索techsina或扫描左侧二维码关注)










