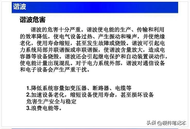
电路基础超全总结

新浪科技公众号
新浪科技公众号

“掌”握科技鲜闻 (微信搜索techsina或扫描左侧二维码关注)

创事记

科学探索

科学大家

苹果汇

众测

专题

官方微博

新浪科技 新浪数码 新浪手机 科学探索 苹果汇 新浪众测

公众号

新浪科技

新浪科技为你带来最新鲜的科技资讯

苹果汇

苹果汇为你带来最新鲜的苹果产品新闻

新浪众测

新酷产品第一时间免费试玩

新浪探索

提供最新的科学家新闻,精彩的震撼图片