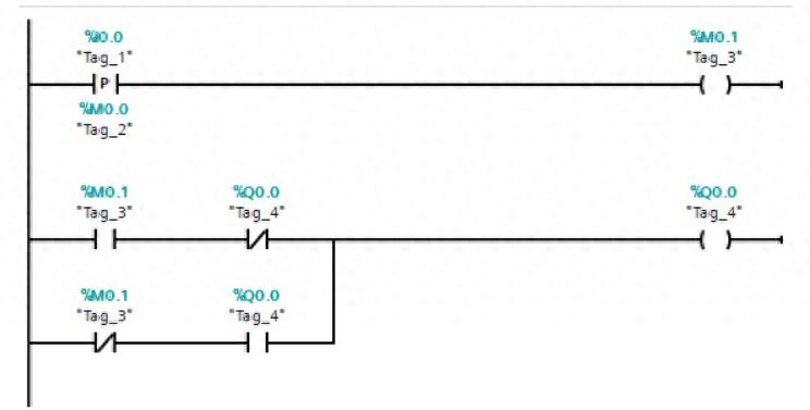
单按钮启停控制1本程序的特点在于:上升沿指令检测到上升沿信号后,后面接通一个扫描周期,下一个扫描周期未检测到上升沿信号则会自动复位。即只保持一个扫描周期,挥着说在本扫描周期内有效。此乃亮点也。第二行程序用于启动。
在第一个扫描周期,M0.0由0变为1,检测到上升沿信号,程序处理结果为M0.1变为1,第二行M0.1常开点闭合,由于Q0.0尚未动作,第二行的Q0.0常闭点还是常闭,以此在输出刷新阶段能流通过第二行,将导致Q0.0得电,此时启动完成一半。第一个扫描周期结束后,M0.0立即变为0,M0.1立即变为0,同时Q0.0的常开点闭合,Q0.0常闭点断开,该信号可以作为程序的输入信号。此时第二行2个点全部断开,第三行2个点全部闭合,能流通过第三行使Q0.0保持得电。
在第二个扫描周期,由于时间很短,操作人员不可能超出扫描周期的速度在1个扫描周期内连续按下2次按钮,因此PLC未检测到M0.0由0变为1,M0.1未得电,第二行的M0.1常开点依旧常开,而Q0.0常闭点是断开的,第二行2个点依旧全断开,第三行2个点依旧全闭合。
第三行用于保持和停止。当再次检测到上升沿信号后,在相应的周期内M0.1常闭点断开,第三行断开,Q0.0失电。详见上升沿|P|指令。--|P|--:扫描操作数的信号上升沿。
使用“扫描操作数的信号上升沿”指令,可以确定所指定操作数(<操作数 1>)的信号状态是否从“0”变为“1”。该指令将比较 <操作数 1> 的当前信号状态与上一次扫描的信号状态,上一次扫描的信号状态保存在边沿存储位(<操作数 2>)中。如果该指令检测到逻辑运算结果 (RLO) 从“0”变为“1”,则说明出现了一个上升沿。
下图显示了出现信号下降沿和上升沿时,信号状态的变化:

每次执行指令时,都会查询信号上升沿。检测到信号上升沿时,<操作数 1> 的信号状态将在一个程序周期内保持置位为“1”。在其它任何情况下,操作数的信号状态均为“0”。
在该指令上方的操作数占位符中,指定要查询的操作数(<操作数 1>)。在该指令下方的操作数占位符中,指定边沿存储位(<操作数 2>)。
说明:修改边沿存储位的地址。边沿存储器位的地址在程序中最多只能使用一次,否则,会覆盖该位存储器。该步骤将影响到边沿检测,从而导致结果不再唯一。边沿存储位的存储区域必须位于 DB(FB 静态区域)或位存储区中。
下表列出了“扫描操作数的信号上升沿”指令的参数:

单按钮启停控制程序2该程序与程序1一样。不同之处在于第一行使用的指令,用了(P)指令。该指令的解释见下面。--(P)--:在信号上升沿置位操作数。
说明:可以使用“在信号上升沿置位操作数”指令在逻辑运算结果 (RLO) 从“0”变为“1”时置位指定操作数(<操作数 1>)。该指令将当前 RLO 与保存在边沿存储位中(<操作数 2>)上次查询的 RLO 进行比较。如果该指令检测到 RLO 从“0”变为“1”,则说明出现了一个信号上升沿。
每次执行指令时,都会查询信号上升沿。检测到信号上升沿时,<操作数 1> 的信号状态将在一个程序周期内保持置位为“1”。在其它任何情况下,操作数的信号状态均为“0”。
可以在该指令上面的操作数占位符中指定要置位的操作数(<操作数 1>)。在该指令下方的操作数占位符中,指定边沿存储位(<操作数 2>)。
说明:修改边沿存储位的地址
边沿存储器位的地址在程序中最多只能使用一次,否则,会覆盖该位存储器。该步骤将影响到边沿检测,从而导致结果不再唯一。边沿存储位的存储区域必须位于 DB(FB 静态区域)或位存储区中。
以下示例说明了该指令的工作原理:

如果线圈输入的信号状态从“0”更改为“1”(信号上升沿),则将操作数“TagOut”置位一个程序周期。在其它任何情况下,操作数“TagOut”的信号状态均为“0”。
单按钮启停程序3该程序的算法是计数器在0和1之间变化,具体操作是将计数器上限设为2,到2就复位。
CV初始值为0,按钮按一下CV变为1,Q0.0得电,再按一下CV变为2,Q输出使得计数器复位,CV立即变为0。本质是利用计数器的自循环。

单按钮启停程序4
该程序的算法是除2取余数。对于正整数而言,除以2,要么刚好除尽,对应余数为0;
要么除不尽,对应余数为1。而且对于每次递增加1的正整数,余数0和1交替出现。
“掌”握科技鲜闻 (微信搜索techsina或扫描左侧二维码关注)










