摘要
此研究基于两个具有代表性的RF应用案例研究:一个是高性能锁相环(PLL)时钟,另一个则是进阶型高速模数转换器(ADC)系统。通过合理的控制回路和滤波器设计,基于超低噪声开关稳压器的新型单级解决方案可为客户节省印刷电路板(PCB)空间和成本,具有解决方案尺寸更小、结构更简洁、效率更高的特点,同时仍能保证出色的系统性能。
引言
射频(RF)系统对电源解决方案的噪声性能提出了更严格的要求,因为要应用于包括航空航天与防务、5G无线应用、医疗设备、仪器仪表等在内的多种领域。电源解决方案的输出噪声低是维持系统出众性能的关键因素之一。因此,噪声敏感型RF应用的市场份额正在迅速扩大。传统上,降压式(buck)稳压器与低压差(LDO)稳压器组合而成的电源树解决方案在噪声敏感型应用中占据主导地位。然而,随着下一代产品中的负载消耗的电流越来越大,降压式稳压器与LDO稳压器组合的解决方案成为了系统瓶颈。受限于LDO稳压器有限的电流承载能力,此类解决方案暴露出尺寸大、成本高、损耗显著等弊端。
近年来,超低噪声开关稳压器得到了发展,具备出色的电磁干扰(EMI)性能及超低的低频(0.1 Hz至100 kHz)噪声。1,2,3先进的超低噪声开关稳压器的低频噪声可与市面上性能最佳的超低噪声LDO稳压器相媲美。进阶型超低噪声开关稳压器在噪声敏感型应用领域中堪称变革性的存在,兼顾超低噪声、高电流承载能力、高效率和小尺寸的优势。
Silent Switcher 3是创新的超低噪声开关稳压器系列,在上述四个关键性能维度均处于行业领先水平。1此前,ADI 推出的Silent Switcher 1和2系列已成为开关稳压器领域的标杆之作,以高效率、低电磁干扰噪声和小尺寸解决方案著称,能够支持最高65 V的输入电压和30 A的输出电流。而Silent Switcher 3则在Silent Switcher1和2的成功技术基础上进一步革新,相较于LDO稳压器,能更高效地输出大电流,仅靠单个集成电路(采用4 mm×4 mm的紧凑型封装),就能实现高达16 A的电流输出。相较于Silent Switcher 2系列,Silent Switcher 3系列凭借创新的电路与结构设计,成功实现了超低的低频输出噪声。1如表1所示,Silent Switcher 3稳压器在低频范围内的输出噪声低于未采用超低噪声设计的LDO稳压器。因此,在噪声敏感型RF应用中,基于单个超低噪声开关稳压器的单级电源解决方案在取代传统的降压式稳压器加LDO稳压器解决方案方面极具竞争力。本文将依托多个案例研究,介绍在噪声敏感型应用中采用超低噪声开关稳压器Silent Switcher 3所带来的系统性能及显著优势。同时,文中还将详细阐述如何充分利用Silent Switcher 3稳压器在器件层面的优异性能,实现预期的系统层面性能目标。
使用超低噪声开关稳压器为锁相环(PLL)供电
RF系统中的许多组件和系统对噪声都很敏感,例如PLL、高速ADC/DAC、混合信号前端MxFE®等。特别是高性能PLL,它是RF系统中最重要的组件之一,能为ADC、DAC、FPGA和其他数字和混合信号IC提供所需的高质量时钟信号。本节将探讨如何利用基于Silent Switcher 3技术的单级解决方案,为高性能PLL供电并实现出色的PLL性能。本次研究选用了ADF4372,这是一款广受欢迎的额定频率为5 GHz的高性能PLL频率合成器。4图1显示了详细的电源结构和用于实验研究的演示板。
表1 不同电源的输出噪声比较
电源 | 积分噪声 (10Hz至100kHz) |
超低噪声LDO稳压器 (LT3045) | 0.8µVrms |
锂离子电池 | 2.7µVrms |
Silent Switcher 3稳压器 (LT8625S,高带宽) | 2.7µVrms |
Silent Switcher 3稳压器 (LT8625S,低带宽) | 4µVrms |
未采用超低噪声设计的LDO稳压器 | 20µVrms至100µVrms |

在RF应用中,高性能PLL的性能主要依据一项关键指标予以评估,即相位噪声。相位噪声的计算方式为,将1 Hz带宽范围内的噪声功率相对于主RF信号功率做归一化处理,其详细定义如公式1所示。

因此,相位噪声始终为负数,其值越低越理想。相位噪声的单位是dBc/Hz,其中c表示该值是根据载波功率进行归一化处理所得。如图1所示,ADF4372需要两条电源轨,分别为3.3 V和5 V。其中,5 V电源轨的敏感度最高,因为它为PLL内部的压控振荡器(VCO)供电。4 在本案例研究中,3.3 V电源始终由超低噪声LDO稳压器(LT3045)供应,而5 V电源则由Silent Switcher 3稳压器驱动,旨在研究Silent Switcher 3稳压器对RF输出信号相位噪声的影响。
图2给出了在采用基于Silent Switcher 3稳压器(LT8625S)的单级解决方案为PLL的 5V 电源轨供电时,其相位噪声性能的基准评估结果。2 基准评估使用的是LT8625S演示板,仅对演示板进行了最小限度的改动以实现5V供电。如图2所示,在这种情况下,ADF4372仍能实现出色的相位噪声表现。从10Hz到100kHz,所测得的相位噪声与采用LDO稳压器为5V电源轨供电时的情况近乎一致。然而,在约250kHz处出现了一个尖峰,导致在100kHz至500kHz范围内的相位噪声略有升高。约250kHz处的相位噪声尖峰是由Silent Switcher 3稳压器的输出噪声引起的,该稳压器在此频率范围内的输出噪声也有一个平台区。由于VCO的输出对其电源噪声高度敏感,Silent Switcher 3稳压器的输出噪声会传导至输出RF信号的相位噪声上。
Silent Switcher 3稳压器的输出噪声尖峰是由低控制环路增益(约0 dB)造成的,由于增益太弱,无法抑制此频率范围内的输出噪声。关于这一机制的详细解释,可参阅Silent Switcher 3系列的数据手册。2 可以通过调整补偿来增加Silent Switcher 3稳压器的控制带宽,从而降低噪声尖峰。因此,通过优化Silent Switcher 3稳压器的控制环路以获得更高的控制带宽,相位噪声可以得到进一步降低,如图3所示。图2中的基线相位噪声评估结果,是在Silent Switcher 3稳压器处于慢补偿和低控制带宽的条件下得出的。通过优化控制环路并实现高带宽,约250 kHz处的相位噪声尖峰几乎被消除,降低幅度超过10 dBc/Hz。尽管如此,在100 kHz至500 kHz的频率范围内,基于Silent Switcher 3稳压器的单级解决方案所产生的相位噪声仍略高于采用超低噪声低LDO的两级解决方案。

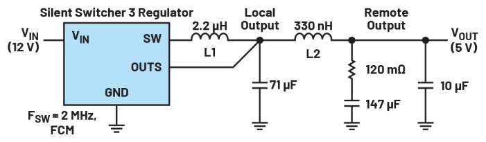
图3 Silent Switcher 3稳压器控制带宽对高性能PLL相位噪声的影响为了进一步提升Silent Switcher 3稳压器供电时的相位噪声性能,可以设计并添加一个次级(第二个)LC滤波器至Silent Switcher 3稳压器的输出端。详细的电路图如图 4 所示,其中展示了一个基于Silent Switcher 3稳压器的单级解决方案,使用了第二级LC滤波器为 5 V电源轨供电。配置了第二级LC滤波器后,输出电压的检测既可以在本地输出端进行,也可在第二级 LC 滤波器后的远端输出端完成。本案例中选择在本地输出端检测输出电压,以便简化控制环路的设计。由于高性能PLL的电流消耗较低(通常低于1A),第二级LC滤波器两端的电压降很小,因此仅检测本地输出电压是合理的。因此,选择使用本地输出电容来保证Silent Switcher 3稳压器的稳定运行。然后,根据一般的设计指南建议,远端输出电容应高于本地输出电容,以使系统稳定性对负载电容的敏感度降低。5
图4 带有第二级LC滤波器的Silent Switcher 3稳压器的电路图,用于为PLL提供5V的电压在确定了本地输出电容和远端输出电容之后,第二级电感L2可以根据截止频率,也就是第二级LC滤波器的谐振频率来进行选择。如图3所示,设计目标是在250 kHz处实现大于10 dBc/Hz的衰减量,因而要求第二级LC滤波器在250 kHz处至少产生20 dB的衰减量。为了提供更高的裕度,采用在250 kHz时实现30 dB衰减量的设计,因此第二级LC滤波器(衰减斜率为-40 dB/dec)的截止频率应为44.6 kHz。由此计算得出,第二级 LC 滤波器的电感值为260 nH。考虑到电感的公差(通常为 ±20%),最终选定的电感值为330 nH。最后但同样重要的是,在第二级LC滤波器的设计中应实现足够的阻尼,通常的经验法则是将品质因数Q控制在1.5以下。因此,添加120 mΩ的阻尼电阻并将其与远端输出电容串联,从而使有效品质因数Q达到0.7。
如图4所示,配备了所设计的第二级LC滤波器后,基于Silent Switcher 3稳压器的解决方案所实现的相位噪声性能,几乎与采用超低噪声LDO稳压器的两级解决方案相当。如图5所示,所设计的第二级LC滤波器进一步提升了由Silent Switcher 3稳压器供电时的相位噪声性能,使得在10 Hz到10 MHz的频率范围内,与超低噪声LDO稳压器的效果几乎相同。尽管由Silent Switcher 3稳压器供电产生的相位噪声结果在2 MHz处因开关频率的缘故仍然存在一个微小的杂散信号,但这个杂散信号的频率是可预测的,且与载波频率相距较远,因此并不难处理。

图5 超低噪声LDO稳压器(LT3045)与带第二级LC滤波器的Silent Switcher 3稳压器(LT8625S)在输出5 V电压时的ADF4372相位噪声比较
此外,无论是否配备设计的第二级LC滤波器,Silent Switcher 3解决方案所产生的相位噪声,都远低于Silent Switcher 2稳压器(LTM8024)和其他供应商的常规开关稳压器。如图6a所示,作为一款超低噪声降压型开关稳压器,与Silent Switcher 2稳压器和常规开关稳压器相比,Silent Switcher 3稳压器在1 kHz至500 kHz的频率范围内,能够实现低得多的相位噪声。在低于1 kHz的频率下,不同电源供电时所测得的相位噪声并无差异。这是因为在如此低的频率下,高性能PLL的相位噪声主要由PLL的参考时钟决定,而非电源。此外,如图6b所示,Silent Switcher 3稳压器在没有针对超低噪声进行特殊设计的情况下,也能实现比LDO稳压器更低的相位噪声。在5 kHz至100 kHz范围内,两者的相位噪声差值大于10 dBc/Hz,其中Silent Switcher 3稳压器在输出噪声方面优于未采用超低噪声设计的LDO稳压器(见表1)。综上所述,通过合理的控制环路和滤波器设计,基于Silent Switcher 3稳压器的单级解决方案能够实现与采用超低噪声LDO稳压器的两级解决方案近乎相同的PLL性能。基于Silent Switcher 3稳压器的单级解决方案,相较于采用未进行超低噪声设计的LDO稳压器的两级解决方案,能为PLL提供更好的相位噪声性能。
使用超低噪声开关稳压器为ADC系统供电
本节重点介绍采用基于Silent Switcher 3稳压器的单级电源解决方案为ADC系统所带来的优势。ADC系统广泛应用于众多RF应用,例如5G/无线通信、防务等。一个典型的ADC系统通常由PLL时钟、ADC和数字处理器组成。本案例研究选用了一款进阶型高速ADC,即带宽为9 GHz的AD9208。6仍然采用ADF4372演示板为系统提供时钟信号。生成频率1.23 GHz、幅度-10 dBFS的模拟信号,作为ADC的输入信号。数字端则借助高速FPGA板(ADS7-V2EBZ板)和ACE软件来实现数字信号检测和ADC性能评估。ADC系统的详细信息如图7所示。
在此ADC案例研究的第一部分,我们研究了ADC系统的性能,以及将Silent Switcher 3稳压器用作PLL时钟电源所带来的优势。同样,ADF4372的3.3 V电源轨始终由超低噪声LDO稳压器(LT3045)供电,而5 V电源轨则由Silent Switcher 3解决方案或其他电源解决方案供电。此外,AD9208始终由安装在标准演示板上的默认电源解决方案供电。在相同的模拟输入信号条件下,图8展示了在不同PLL时钟电源供电时,ADC输出信号在1.23GHz附近的平均快速傅立叶变换(FFT)结果,其频率跨度为2MHz。与其他开关稳压器相比,Silent Switcher 3稳压器能够让ADC实现最佳的性能,并在1.23 GHz附近具有最低的噪声,尽管其FFT波形在频率偏移约250 kHz处仍有一个平台区。
ADC系统性能对采样时钟信号的质量(即相位噪声)十分敏感。在约250 kHz处的平台区,与ADF4372输出信号相位噪声图(图3中的绿色曲线)中相同频率处的小尖峰高度吻合。正如PLL案例研究中所揭示的那样,相位噪声图中的这种小杂散信号可以通过添加滤波器来消除。因此,将Silent Switcher 3稳压器用作时钟电源时,通过添加第二级LC滤波器能够提升ADC的性能,而这一点也得到了实验结果的证实。图9呈现了在采用图4中设计的第二级LC滤波器的Silent Switcher 3解决方案下,ADC输出信号的FFT结果。ADC输出的最终FFT波形在主信号1.23 GHz附近呈现出极低的噪声,这几乎与超低噪声LDO稳压器的结果相同。不出所料,图9还表明,在频率偏移小于100 kHz的情况下,配备了第二级LC滤波器的Silent Switcher 3稳压器的FFT结果优于未采用超低噪声设计的LDO 稳压器的FFT结果,这是因为其低频噪声更低,进而使得PLL时钟信号的相位噪声也更低。

图6 不同电源下PLL时钟(ADF4372)的相位噪声:(a) ADF4372的相位噪声(5 GHz输出);(b) ADF4372的相位噪声(5 GHz输出)
图7 案例研究中进阶型ADC系统的详细结构为了更全面地评估ADC系统的性能,除了分析ADC输出的FFT结果之外,还对两个重要的ADC参数进行了评估,即信噪比(SNR)和无杂散动态范围(SFDR)。6 SNR的定义简明易懂;而SFDR指的是输入信号的均方根幅值与任何杂散噪声信号的最高均方根幅值之比。不同于仅考虑输入信号频率附近的窄频率跨度,SNR和SFDR的计算涵盖了宽频率范围内的噪声。如表2所示,未使用任何LDO稳压器进行后级稳压的Silent Switcher 3解决方案所实现的AD9208的SNR和SFDR,与采用超低噪声LDO稳压器的传统两级解决方案达成的结果相同。第二级LC滤波器对所测得的SNR和SFDR几乎没有影响。此外,Silent Switcher 3解决方案实现的SNR和SFDR远远高于其他开关稳压器解决方案:产生的SNR(10倍频)是常规开关稳压器的约20倍,SFDR(10倍频)则为45倍。至于与未采用超低噪声设计的LDO稳压器相比,Silent Switcher 3解决方案实现的SNR略胜一筹,而SFDR则旗鼓相当,这是因为其优势仅体现在输入频率附近的噪声控制上,而这部分噪声在SNR计算所涉及的总噪声中占比很小。

图8 不同电源下ADC采样时钟(超低噪声LDO稳压器、Silent Switcher 3稳压器、Silent Switcher 2稳压器和常规开关稳压器)的ADC输出信号的平均FFT结果

图9 不同电源下ADC采样时钟(带第二级LC滤波器的Silent Switcher 3稳压器,无超低噪声设计的LDO稳压器)的ADC输出信号的平均FFT结果
表2 不同ADC采样时钟电源下AD9208的SNR和SFDR对比
ADC电源采样时钟 | ADC的SNR (十进制) | ADC的SNR (dBFS) | ADC的SFDR (十进制) | ADC的SFDR (dB) |
超低噪声LDO稳压器 (LT3045) | 794.3 | 58 dBFS | 922.6 | 59.3 dB |
带第二级LC滤波器的Silent Switcher 3稳压器 (LT8625S) | 794.3 | 58 dBFS | 922.6 | 59.3 dB |
无第二级LC滤波器的Silent Switcher 3调节器 (LT8625S) | 758.6 | 57.6 dBFS | 922.6 | 59.3 dB |
无超低噪声设计的LDO | 767.4 | 57.7 dBFS | 922.6 | 59.3 dB |
Silent Switcher 2稳压器 | 126 | 42.0 dBFS | 56.2 | 35.0 dB |
常规开关稳压器 | 43.2 | 32.7 dBFS | 20.9 | 26.4 dB |
本案例研究的另一方面是探究采用Silent Switcher 3稳压器为ADC供电时,ADC系统的性能表现及由此带来的优势。在这一部分中,PLL时钟始终由默认的两级解决方案供电,采用超低噪声LDO稳压器(LT3045),以便专注于研究ADC电源所产生的影响。具体而言,为了简化研究流程,选取AD9208的一个模拟电源轨AVDD1作为示例。AVDD1电源轨负责为时钟域供电,其电压为0.975 V,标称电流消耗为640 mA,占总功耗的19%。6由于它对电源噪声较为敏感,基于理论和实践分析,故而被选定为研究对象。其他所有电源轨则依然由标准演示板上安装的默认电源解决方案供电。
实验结果证明,单级Silent Switcher 3解决方案能够取代传统的两级解决方案为ADC供电,并且不会削弱ADC的性能。为了评估采用Silent Switcher 3解决方案(LT8625S)作为AVDD1电源时ADC的性能表现,我们对ADC输出的平均FFT结果进行了深入分析。需要注意的是,本次未安装第二级LC滤波器。如图10所示,由Silent Switcher 3稳压器为AVDD1供电时,ADC输出的FFT结果近乎理想,与采用两级解决方案(降压式稳压器加超低噪声LDO稳压器)为AVDD1供电时的FFT结果一样令人满意。即使未安装第二级LC滤波器,在频率偏移约250 kHz处也未出现尖峰。
此外,ADC的性能对ADC电源的低频噪声不太敏感,反而对ADC电源的开关纹波更为敏感。基于Silent Switcher 2稳压器的单级解决方案,其开关频率为2 MHz,尽管Silent Switcher 2稳压器的低频噪声性能并非最优,但在基频(1.23 GHz)附近仍能使ADC输出近乎理想的波形。正如本案例研究第一部分所证实的,这是因为在基频附近,ADC的输出噪声主要受采样时钟的相位噪声影响。换言之,高速ADC在基频附近的输出噪声对电源噪声并不十分敏感。不过,如图10所示,若使用低频噪声过高的常规开关稳压器为AVDD1供电,会使ADC在基频附近的输出噪声变得更糟。图10还显示,ADC电源的开关纹波会传导至ADC输出,导致ADC输出的FFT结果出现相当明显的杂散信号。例如,使用开关频率为750 kHz的常规开关稳压器为AVDD1供电时,在频率偏移750 kHz处会产生大于30 dB的杂散信号。先前研究开关纹波噪声对高速数据转换器(ADC和DAC)性能影响的文献很好地证实了这一点。7,8 因此,通过合理的滤波器设计,基于Silent Switcher 3技术的单级解决方案完全能够满足ADC的电源需求,并确保其达到令人满意的性能表现。

图10 在提供AVDD1的不同电源(超低噪声LDO稳压器、Silent Switcher 3稳压器、Silent Switcher 2稳压器和常规开关稳压器)下,ADC输出信号的平均FFT结果
综上所述,基于Silent Switcher 3技术的单级电源解决方案能够取代采用超低噪声LDO稳压器的传统两级解决方案,为进阶型ADC系统中的PLL时钟和高速ADC供电。基于Silent Switcher 3技术的单级方案依然能够使ADC系统达到令人满意的性能,与传统的降压式稳压器加LDO稳压器的解决方案相比,ADC的关键参数(如SNR、SFDR、噪声性能等)均未受到影响。此外,相较于自身的电源噪声,ADC的性能对采样时钟源的电源噪声更为敏感。因此,为了让Silent Switcher 3技术为进阶型ADC系统供电并具备令人满意的系统性能,尤其是PLL时钟的性能,需要设计合理的控制环路和输出滤波器。
基于超低噪声开关稳压器的ADC系统电源架构
前面的章节已经证明,Silent Switcher 3技术非常适合为进阶型ADC系统中的高性能PLL和高速ADC供电。Silent Switcher 3技术不仅能够满足进阶型ADC系统的电源需求,还能确保系统性能不受任何影响。基于此,可以为ADC系统设计一个简化的全新电源树,无需使用任何LDO稳压器,纯粹基于Silent Switcher 3集成电路。也就是说,传统的两级解决方案(降压型稳压器加LDO稳压器)完全被基于超低噪声开关稳压器Silent Switcher 3的单级解决方案所取代。基于上一节中的ADC系统案例研究,图11对ADC系统(ADF4372 + AD9208)的原始电源树和基于Silent Switcher 3技术的新型简化电源树进行了对比。原始电源树结构是基于AD9208和ADF4372标准演示板上所使用的电源解决方案设计的;而新型电源树则是基于适用于低电流应用的最新Silent Switcher 3系列器件(LT8622S和LT8624S)设计的。
新型电源树无需使用任何LDO稳压器,能够为整个系统带来显著且广泛的益处。如图11所示,基于Silent Switcher 3技术的电源树是一种简化的结构,仅包含五个Silent Switcher 3集成电路,而原始电源树则需要两个开关稳压器和六个LDO稳压器。因此,新型电源树能够大幅节省PCB面积,并且显著降低成本。此外,新型电源树结构能够大幅提高效率,从61.7%提高到84.8%。总功率损耗降低了71%,从3.919 W降低到了1.136 W。传统电源树结构的LDO稳压级本身就有2.305W的功率损耗。总功率损耗能有如此显著的降低,不仅是因为去除了LDO稳压器,还得益于Silent Switcher 3集成电路即使在2 MHz开关频率下也具有较高的效率。未来,针对小于1 A应用场景专门开发的超低噪声开关稳压器,有望进一步提升基于Silent Switcher 3技术的电源树的效率。

图11 ADC系统的原始电源树与新型电源树(AD9208 + ADF4372)对比:(a) 原始电源树(降压式稳压器与LDO稳压器组合而成的两级解决方案);(b) 新型电源树(基于Silent Switcher 3技术的单级解决方案)
结论
超低噪声开关稳压器不仅能够在较宽的频率范围内实现超低的输出噪声,还兼具较高的效率和输出电流能力。凭借突破性的噪声性能,ADI的Silent Switcher 3技术在低频噪声控制上甚至超越了大多数LDO稳压器。因此,基于Silent Switcher 3技术的单级电源解决方案对于噪声敏感型RF应用而言极具吸引力,具有广阔的前景。本文全面展示了Silent Switcher 3系列在噪声敏感型RF应用中的优势。两个案例研究成功证明,基于Silent Switcher 3技术的单级电源解决方案能够取代采用超低噪声LDO稳压器的传统两级解决方案,并且依然能够确保系统性能不受影响。
在为高性能PLL时钟供电时,Silent Switcher 3技术所实现的相位噪声几乎与采用超低噪声LDO稳压器的两级解决方案相当。就PLL的性能而言,Silent Switcher 3技术甚至优于未采用超低噪声设计的基于典型LDO稳压器的两级解决方案。另一个ADC系统案例研究表明,通过合理设计滤波器,Silent Switcher 3技术能够使ADC 达到优异性能表现,关键参数与降压式稳压器加超低噪声LDO稳压器的解决方案几乎无异。因此,可以为ADC系统开发一种基于Silent Switcher 3技术的简化电源树结构,无需使用任何LDO稳压器。与原有的降压式稳压器加超低噪声LDO稳压器的解决方案相比,不使用任何LDO稳压器的Silent Switcher 3解决方案不仅减少了元件数量、缩小了解决方案尺寸,更实现了71%的功耗降幅。
参考文献
1 “Silent Switcher技术”,ADI公司,2023年。
2 “LT8625S:具有超低噪声基准电压源的18V/8A降压型Silent Switcher 3”,ADI公司,2023年。
3 Yu Lu和Hugh Yu,“低噪声Silent Switcher μModule和LDO稳压器改善超声噪声和图像质量”,《模拟对话》,第56卷,2022年4月。
4 “ADF4372:集成VCO的微波宽带频率合成器”,ADI公司,2021年。
5 Ray Ridley,“二级LC滤波器设计”,Switching Power Magazine,2000年7月。
6 “AD9208:14位、3 GSPS、JESD204B、双通道模数转换器”,ADI公司,2017年。
7 John Martin Dela Cruz和Patrick Pasaquian,“优化信号链的电源系统 — 第2部分:高速数据转换器”,《模拟对话》,第55卷,2021年4月。
8 Aldrick Limjoco、Patrick Pasaquian和Jefferson Eco,“Silent Switcher µModule稳压器为GSPS采样ADC提供低噪声供电,并节省一半空间”,ADI公司,2018年。
作者简介
Xingxuan Huang是ADI公司(美国加州)的高级应用工程师,主要负责电源产品。他于2019年和2021年分别获得田纳西大学诺克斯维尔分校电气工程硕士学位和博士学位,研究方向是电力电子。
“掌”握科技鲜闻 (微信搜索techsina或扫描左侧二维码关注)










