
本文引用地址:
雷达是集中了现代电子科学技术的高科技系统,同时也应用于各个载体以及各行各业。然而随着科技的发展,雷达在实际工作中需要应对越来越复杂的电磁环境:如快速应变的电磁干扰,低空飞行目标,RCS(雷达散射截面)非常小的目标等。为了应对这些目标和场景,超宽带雷达信号产生技术、脉冲压缩技术、超分辨信号处理技术、低截获概率技术、数字化接收机技术等正是现在雷达领域的研究热点。
本文将对上述中的脉冲压缩技术进行介绍,同时,也对R&S频谱仪中脉冲压缩选件(K6S)的测试方法进行说明,最后还将模拟实际应用场景进行测试示例。

01
为什么需要脉冲压缩
雷达的作用是用来侦测目标的距离、位置、速度。这些都是通过雷达发射和接收脉冲来完成的。雷达的最大作用距离与能量有关;为了产生较大的能量,在发射脉冲信号的情况下,一般有两种实现方式:一种是幅度较小脉宽较宽的信号,一种是幅度较大脉宽较小的信号,如下图所示:
图1 两种脉冲示意图在实际工程应用中,由于发射机功放的硬件限制,幅度不能够无限提高。因此为了增加雷达的最大作用距离,通常会通过发射功放承受范围之内的,脉宽较宽的脉冲信号来实现。
然而较宽的脉宽会带来分辨率的问题,通常来说,雷达通过发射脉冲的时间和接收到脉冲的时间,两个时间之差来确认目标以及目标的距离。当有两个目标时,正常情况下雷达上会出现两段回波,如下图所示:
图2 雷达回波示意图然而当两个目标距离较近时,由于脉冲返回时间差小于脉宽,两段脉冲重叠之后只会收到一段脉冲信号,此时雷达便无法准确的识别出两个不同的目标:
图3 相近目标回波因此,发射脉冲信号的脉宽在比较宽的情况下会影响雷达分辨两个不同目标的能力,也就是雷达的分辨率。
一个好的雷达的定义是,看的尽可能的远(作用距离大)并且看的尽可能清楚(距离分辨率越小越好)。
那么这时候我们遇到了问题,为了让雷达的作用距离尽可能的远,那么在幅度无法增加的情况下需要增加脉宽,而脉宽的增加会影响到雷达的分辨率。
看起来是两者是“鱼和熊掌不可兼得”的关系,但是通过脉冲压缩的处理,可以将脉宽较宽的回波压缩为脉宽较窄同时幅度较大的回波,也就是“高而瘦”的回波,从而达到“鱼和熊掌可兼得”的效果。
图4 脉冲压缩示意图将回波处理成“高而瘦”的脉冲信号后,我们便可以更加准确的确定目标的位置。对于上文所述两个目标距离比较近的情况下,一段较宽的脉冲信号也可以压缩为清晰可见的两段脉冲信号
图5 重叠信号脉冲压缩02
脉冲压缩如何工作
首先对于一个接收系统来说,需要知道发射出去的信号,之后根据该信号制作一个匹配滤波器。对于接收到的回波,使用匹配滤波器去进行比对,之后,匹配滤波器输出与发射信号的匹配程度,匹配程度越高则输出幅度越大,对整个回波处理完成之后得到的结果便是脉冲压缩处理后的信号。
图6 无调制脉冲压缩由上图可以看出,对于理想脉冲回波,匹配滤波器在与脉冲完全重合时会输出最高幅度。但是实际接收到的信号会存在噪声,噪声会导致输出的结果不直观,难以找到最高点,如下图红线部分:
图7 有噪声干扰下的脉冲压缩输出因此对于未调制的脉冲信号,由于脉压之后的输出比较平缓,抗干扰能力较差。因此,在实际应用中,往往会使用带有调制的脉冲信号,如线性调频信号。
线性调频信号进行脉冲压缩的情况如下图所示:
图8 线性调频脉冲压缩由上图我们可以看见由于线性调频信号的特性,只有匹配滤波器和回波完全重合时才会输出幅度较高的结果,这就符合了我们需要输出“高而瘦”的信号的需求。
03
匹配滤波器如何工作
上文介绍了脉冲压缩工作的核心就是匹配滤波器的处理,下面我们来介绍匹配滤波器具体是如何工作的。
假设一个信号u(t)混合着白噪声w(t),通过匹配滤波器,匹配滤波器的传递函数H(f)即为信号频谱U(f)的复共轭。
图9 匹配滤波器
图10 复共轭函数复共轭的函数关于实轴对称,也就意味着模值相等,相位相反。
从幅频特性上来看,匹配滤波器和信号幅频特性一致,也就是两者的模值一致,将信号、白噪声、匹配滤波器的幅频特性绘图如下:
图11 信号、白噪声和匹配滤波器的幅频特性从上图可以看出,匹配滤波器可以在带外抑制掉白噪声,而在带内时,信号幅度越高的地方也越通畅,越低的地方越阻塞。也就是说匹配滤波器可以在尽可能抑制噪声能量的同时让尽可能多的信号通过。
从相频特性来看,匹配滤波器的相频特性正好是信号相频特性的负值,也就是Φ(f)=-Θ(f)。
图12 相频特性从上图可以看出,通过匹配滤波器之后,输出信号的相位均为0
举个例子,在一个信号上采两个点,他们的信息如下:
信号1:频率2,幅值1,相位2π/3, 表达式:

信号2:频率1,幅值2,相位0, 表达式:

绘制出他们的图形如下,绿线为他们合成之后的信号:
图13 采样信号和合成信号经过匹配滤波器之后,信号2不变,由于相位变为0,信号1变为

此时的图形如下:
图14 经过匹配滤波器后的信号可以发现由于相位改变,输出信号(绿线)出现了“高而瘦”的尖峰。
再以一个方波为例,如下图所示,一个脉宽0.5,幅度为1的方波:
图15 方波信号经过傅里叶变换可以得到多个正弦波的叠加:
图16 方波信号经过傅里叶变换对上述所有的正弦波进行匹配滤波处理,如下:
图17 傅里叶变换之后的信号经过匹配滤波绘制出此时这些正弦波合成之后的图形:
图18 经过匹配滤波之后的合成信号可以发现,幅度1的方波变为了幅度超过1.5的信号,而脉宽也变得远小于0.5。最终,方波变为了“高而瘦”的尖峰信号,这也就是脉冲压缩的过程。
04
小结
至此,我们可以对脉冲压缩做一个简单的小结:
1,脉冲压缩可以将较宽脉宽的脉冲变为窄脉冲,从而提高分辨率。
2,脉冲压缩工作是用匹配滤波器从时域上对结果进行匹配,输出的结果为匹配度。
那么,对于脉冲压缩的结果,我们当然希望输出的匹配度是一个“高而瘦”的信号,这样可以增加分辨率,如下图所示:
图19 “高而瘦”的信号而对于无调制的脉冲,上文已经说明,输出的匹配度是一个比较平缓的信号,如下图所示:
图20 平缓的输出信号这显然不符合我们的需求。
因此,我们需要对脉冲内部做一些调制来产生我们所需要的信号,目前常用的雷达调制信号有线性调频和巴克码两种。

01
线性调频信号
对于线性调频信号,上文也有提及。是频率随着时间呈线性变化的信号。
图21 线性调频频率VS时间曲线这种信号只有在时域上完全重合时才会输出高匹配度,略微偏差一点的时输出的匹配度会大大降低,因此能够在脉冲压缩中提供比较好的抗干扰性质和分辨率。线性调频的音频听起来如下:
这也是我们在影视作品中经常听见的雷达工作的声音。
02
巴克码
巴克码是一个非周期序列,一个n位的巴克码{X1,X2,X3,···Xn),每个码元只可能取值+1或-1,它的自相关函数为:

已找到的只有9组,并且已经证明在长度小于12100的范围内不存在其他长度的巴克码,已知的其中长度的巴克码如下:
2 ++,+-
3 ++-
4 +++-,++-+
5 +++-+
7 +++--+-
11 +++---+--+-
13 +++++--++-+-+
对于一个N位的巴克码调制信号,将脉冲内部按照时间分成N等分,在巴克码的正负变换时调整正弦波的180°相位,如下图为一个R13巴克码的脉内调制示意图:
图22 R13巴克码脉内调制示意图那么,为什么这种信号适合作为脉冲压缩呢。
以R5巴克码为例,在匹配过程中,极性相同输出1,极性不同输出0,那么在整个型号匹配中,会输出如下的值:
图23 R5巴克码匹配将这些值绘制成曲线如下:
图24 R5巴克码匹配输出曲线我们可以看见有一个最高的尖峰(一般称为主瓣)和4个较矮的尖峰(一般称为副瓣),且主瓣的幅度远远高于副瓣,这便是巴克码脉冲压缩的输出波形,N位的巴克码具有一个主瓣和N-1个副瓣。与线性调频一样,同样可以满足我们高幅度,窄脉宽的需求。

R&S FSW和FSWP型号的信号与频谱仪K6S具有脉冲压缩的测试功能。
该功能可以帮助进行脉冲压缩的分析,选择参考信号之后,K6S选件可以帮助判断实际输入信号与参考信号之间的关联性。
K6S选件可以测试如下参数:峰值与副瓣差值、整体副瓣电平、主瓣3dB宽度、副瓣延迟、峰值关联度、主板相位等等。
具体测试步骤如下(以200us周期,10us脉宽的R11巴克码信号为例):
将R11巴克码的脉冲信号输入频谱仪。R11巴克码的脉冲信号可以通过pulse sequencer软件生成,pulse sequencer软件详细请咨询RS工程师。
打开脉冲测试选件,设置好中心频率和参考电平之后,打开signal description选项,在signal选项卡中将pulse modulation选择为reference IQ。
图25 K6选件脉冲设置界面设置reference type为barker,输入脉宽并设置primary code为11。
图26 设置barker参考信号另外,如果是自己编辑的信号,频谱仪也支持导入IQ文件作为参考信号,上述的reference type中选择custom IQ之后,导入iq.tar格式的文件即可。
设置完之后界面如下:
图27 K6选件脉冲测试界面点击display config调出 correlated magnitude capture和correlated magnitude窗口方便我们查看主瓣和副瓣的情况。
图28 K6选件脉冲测试界面观察右下的相关幅度图我们可以观察到,该信号具有1个主瓣和10个副瓣,符合巴克码脉冲压缩的特征。
图29 测试参数设置界面在result configuration中的time sidelobe选项卡中,将我们关注的参数改为on。
右上角的table即为脉冲压缩测试的参数,我们可以通过左下角的相关图来验证表格中的信息。
图30 测试结果汇总界面如上表第一项,峰值与副瓣差值,在窗口correlated magnitude中点击peak search可以看见主瓣目前的读数为-11.03dBm,点击next peak可以查看次峰值D2相对于M1的差值为-19.70dB,与上表中的第一项-19.696一致。
图31脉冲匹配输出界面其他的测试项目可以由读者自行验证。

01
测试场景
模拟一个如下图所示的双目标比较近的测试场景,此时雷达发出信号之后,回波会有部分重叠。同时,雷达所使用的脉内调制为线性调频。
图32 测试场景示意图02
信号制作
同样的,我们也可以使用pulse sequencer来制作这样的波形,将两个脉宽为10us,带宽为2MHz的线性调频信号的重叠,并时间差设置为6us。
图33 pulse sequencer脉冲序列设置界面这样就会有4us时间的信号为重叠部分。制作好波形之后在信号源上进行播放。
03
信号分析
与巴克码一样,线性调频的参考信号也可以在频谱仪上进行表述,将reference type 选择polynomial FM,该功能可以使用多项式表示调频信号。由于线性调频为1次多项式,在coefficient1中输入斜率即可。
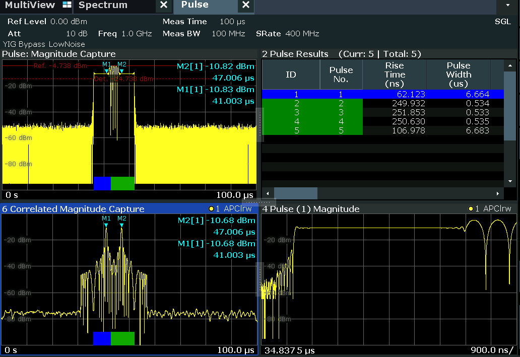
图34 设置chirp参考信号同样在display config中调出correlated magnitude capture,如右下角所示:
图35 K6选件脉冲测试界面此时我们可以发现有两个尖峰,分别打上marker进行标记,发现二者分别为41us和47us,差值为6us,与设置的值一致。
04
恶化信噪比测试
前文提到,脉冲压缩功能可以对抗噪声的恶化,使用R&S SMW信号源,在配有K62选件的情况下,可以使用AWGN(Additive White Gaussian Noise)功能对信号增加噪声从而恶化信噪比,模拟真实的工作环境。
在SMW中配置信噪比为10dB时,可以看见在频谱仪上依然可以分辨出两个回波的峰值。
图36 使用SMW将载噪比恶化为10dB
图37 载噪比10dB情况下的测试结果且两者的差值依然为6us。
进一步恶化信噪比为-10dB,也就是底噪比信号高10dB。测试结果如下:
图38 使用SMW将载噪比恶化为-10dB
图39 载噪比-10dB情况下的测试结果从左上的幅度对时间的迹线可以观察到,脉冲信号已经淹没于噪声之中,无法正常查看。但是在左下角的关联度幅度中,依然可以清楚的观察到两个时间相差6us的峰值。
结 语
由上文可见:
1. 脉冲压缩信号在雷达测试中,可以在不降低探测距离的同时,增加分辨率,达到“鱼和熊掌可兼得”的效果。
2. 通过脉冲压缩,可以让信号的抗干扰能力大大增强。
3. R&S频谱仪中带有的K6S选件可以进行脉冲压缩测试,提供了丰富的测试功能,同时也可以充当第三方的角色,帮助用户判断信号脉冲压缩的质量。
“掌”握科技鲜闻 (微信搜索techsina或扫描左侧二维码关注)










