我们都知道,人类进行运算的本质是查表,并且我们存储的表是有限的。计算机也是查表吗?答案是否定的。
本文引用地址:
本文来说说CPU是如何计算1+1的,另外关于CPU加法的视频请移步此处,CPU如何进行数字加法。CPU是一块超大规模的集成电路,而集成电路是由大量晶体管等电子元件封装而成的。
所以,探究计算机的计算能力,先要从晶体管的功能入手。
晶体管如何表示0和1
第一代计算机使用的是电子管和二极管等元件,利用这些元件的开关特性实现二进制的计算。
然而电子管元件有许多明显的缺点。例如,在运行时产生的热量太多,可靠性较差,运算速度不快,价格昂贵,体积庞大,这些都使计算机发展受到限制。于是,晶体管开始被用来作计算机的元件。
晶体管利用电讯号来控制自身的开合,而且开关速度可以非常快,实验室中的切换速度可达100GHz以上。
第二代电子计算机时代,使用了晶体管以后,电子线路的结构大大改观。
1947年贝尔实验室的肖克利等人发明了晶体管,又叫做三极管。下图是晶体管的电路符号。需要说明的是,晶体管有很多种类型,每种类型又分为N型和P型,下图中的电路符号就是一个PNP三极管,要判断三极管类型请移步,PNP与NPN两种三极管使用方法。

三极管电路有导通和截止两种状态,这两种状态就可以作为“二进制”的基础。从模电角度来说晶体管还有放大状态,有关内容请移步:告别三极管放大状态的泥潭。但是我们此处考虑的是晶体管应用于数字电路,只要求它作为开关电路,即能够导通和截止就可以了。
如上图所示,当b处电压>e处电压时,晶体管中c极和e极截止;当b处电压
这只是一个简化说明,实际上从模电角度分析,导通和截止的要求是两个PN节正向偏置和反向偏置,还要考虑c极电压。但在实际的数字电路中,e极电压和c极电压一般恒定,要么由电源提供、要么接地,所以我们可以简单记为“晶体管电路的通断就是由b极电压与恒定的e极电压比较高低决定”。
就上面这个三极管管而言,高电平截止,低电平导通。假如此时,我们把高电平作为“1”,低电平作为“0”。那么b极输入1,就会导致电路截止,如果这个电路是控制计算机开关机的,那么就会把计算机关闭。这就是机器语言的原理。
实际用于计算机和移动设备上的晶体管大多是MOSFET(金属-氧化物半导体场效应晶体管),它也分为N型和P型,NMOS就是指N型MOSFET,PMOS指的是P型MOSFET。MOS管基础内容请移步这里,MOS管基本认识。注意MOS中的栅极Gate可以类比为晶体管中的b极,由它的电压来控制整个MOS管的导通和截止状态。
NMOS管与PMOS管电路符号如下图:

NMOS在栅极高电平的情况下导通,低电平的情况下截止。所以NMOS的高电平表示“1”,低电平表示“0”;PMOS相反,即低电平为“1”,高电平为“0”。到了这个时候,你应该明白“1”和“0”只是两个电信号,具体来说是两个电压值,这两个电压可以控制电路的通断。
门电路
一个MOS只有一个栅极,即只有一个输入;而输出只是简单的电路导通、截止功能,不能输出高低电压信号,即无法表示“1”或“0”,自然无法完成计算任务。此时就要引入门电路了(提示:电压、电平、电信号在本文中是一回事)。
门电路是数字电路中最基本的逻辑单元。它可以使输出信号与输入信号之间产生一定的逻辑关系。门电路是由若干二极管、晶体管和其它电子元件组成的,用以实现基本逻辑运算和复合逻辑运算的单元电路。这里只介绍最基础的门电路:与门、或门、非门、异或门。
1 与门
与门电路是指只有在一件事情的所有条件都具备时,事情才会发生。
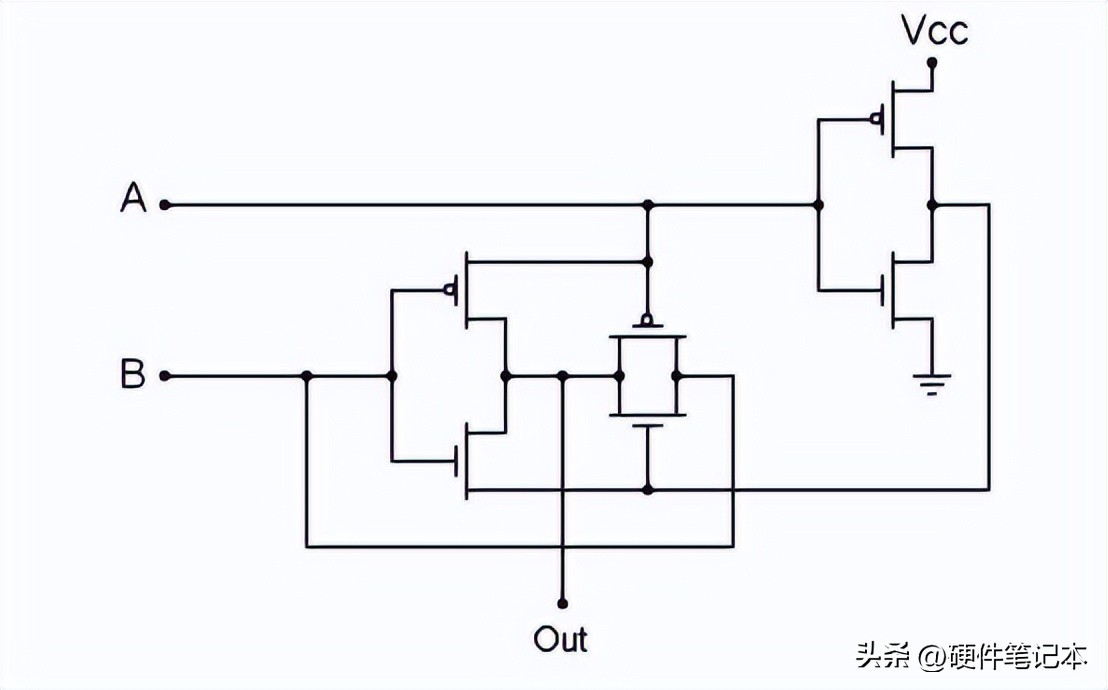
下面是由MOS管组成的电路图。A和B作为输入,Q作为输出。
例如A输入低电平、B输出高电平,那么Q就会输出低电平;转换为二进制就是A输入0、B输出1,那么Q就会输出0,对应的C语言运算表达式为0&&1=0。

2 或门
或门电路是指只要有一个或一个以上条件满足时,事情就会发生。
下面是由MOS管组成的电路图。A和B作为输入,Q作为输出。
例如A输入低电平、B输入高电平,那么Q就会输出高电平;转化为二进制就是A输入0、B输出1,那么Q就会输出1,对应的C语言运算表达式为0||1=1。

3 非门
非门电路又叫“否”运算,也称求“反”运算,因此非门电路又称为反相器。下
面是由MOS管组成的电路图。非门只有一个输入A,Q作为输出。
例如A输入低电平,那么Q就会输出高电平;转换为二进制就是A输入0,那么Q就会输出1;反之A输入1,Q就会得到0,对应的C语言运算表达式为!0=1。

4 异或门
异或门电路是判断两个输入是否相同,“异或”代表不同则结果为真。即两个输入电平不同时得到高电平,如果输入电平相同,则得到低电平。
下面是由MOS管组成的电路图。A和B作为输入,Q作为输出。
例如A输入低电平、B输入高电平,那么Q输出高电平;转换为二进制就是A输入0,B输出1,那么Q就会输出1,对应的C语言运算表达式为0^1=1。

通过这些门电路,我们可以进行布尔运算了。
半加器和全加器
通过门电路,我们可以进行逻辑运算,但还不能进行加法运算。要进行加法运算,还需要更复杂的电路单元:加法器(加法器有半加器和全加器)。加法器就是由各种门电路组成的复杂电路。
假如我们要实现一个最简单的加法运算,计算二进制数1+1等于几。我们这时候可以使用半加器实现。半加器和全加器是算术运算电路中的基本单元,它们是完成1位二进制相加的一种组合逻辑电路;这里的1位就是我们经常说的“1byte=8bit”里的1bit,即如果我们想完成8位二进制的运算就需要8个全加器 。半加器这种加法没有考虑低位来的进位,所以称为半加。下图就是一个半加器电路图。

半加器由与门和异或门电路组成,“=1”所在方框是异或门电路符号,“&”所在方框是与门电路符号。这里面A和B作为输入端,因为没有考虑低位来的进位,所以输入端A和B分别代表两个加数。输出端是S和C0,S是结果,C0是进位。
比如,当A=1,B=0的时候,进位C0=0,S=1,即1+0=1。当A=1,B=1的时候,进位C0=1,S=0,即1+1=10。这个10就是二进制,换成十进制就是用2来表示了,即1+1=2。到了这里,你应该明白了晶体管怎么计算1+1=2了吧。
然后我们利用这些,再组成全加器。下面是一个全加器电路图,同样只支持1bit计算。Ai和Bi是两个加数,Ci-1是低位进位数,Si是结果,Ci是高位进位数。

如果我们将4个加法器连接到一起就可以计算4位二进制,比如计算2+3,那么4位二进制就是0010+0011,下表就是利用加法器计算的值。和普通加法一样,从低位开始计算。加数A代表0010,B代表0011。

结果Si:0101,就是十进制5,加法器实现了十进制运算2+3=5。
结语
现在我们可以想到,CPU的运算单元是由晶体管等各种基础电子元件构成门电路,在由多个门电路组合成各种复杂运算的电路,在控制电路的控制信号的配合下完成运算,集成的电路单元越多,运算能力就越强。
最后,本文想表达的观点:用一堆开关做成一个CPU?也是一篇推荐文章的题目。
“掌”握科技鲜闻 (微信搜索techsina或扫描左侧二维码关注)










