电子设备通常具有一定的电磁干扰 (EMI) 抗扰度。但是,有意或无意的电磁力也可能导致信息失真,尤其是在计算设备 (CE) 附近。为了降低 EMI 并确保抗噪性,必须在 CE 开发的早期阶段采取行动。
本文引用地址:
很多时候,在靠近具有大几何尺寸的 CE 对象的电磁环境中,可能存在电源线、飞机机身、车身、建筑物中的金属结构、雷电放电等。为了预测 CE 元件的抗噪性,可以使用 EMI 的物理仿真。
在 CE 的抗扰度和信息保护框架内,一项很少被研究的任务是通过建筑物金属结构元件的有意电磁效应。同样可能受到有意电磁效应影响的还有电力线、接触网络、飞机机身等。
EMI 的物理仿真
在实际物理规模上创建 EMI 模拟器将存在困难。由于研究对象配置的模糊性,也很难获得可重复的结果。
我们可以通过使用基于物理仿真的技术来解决这个问题。这些是步骤:
1. 设计师将能够确定研究对象的所有重要初始数据。这些参数会影响电磁环境的形成以及 EMI。以尺寸为 10.8 × 10.8 × 14.4 m 的建筑结构为例。墙壁有一个钢筋混凝土的钢筋网(图 1)。
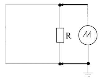
图1. 所示为建筑物的比例模型,该建筑物的墙壁具有钢筋网和钢筋混凝土。(图片由参考文献 1 提供)脉冲电流源已并联在热水系统的供回管道之间。建筑物内部 EMI 的“接收器”是 CE 通信线,其形式为直径为 100 mm 的环形天线,负载为 R = 50 Ω(图 2)。
图2. 这是一个干扰测量电路。(图片由参考文献 1 提供)2. 图 3 显示了短持续时间的有意脉冲电流源的潜在参数。对于楼层较小的民用建筑,提供了短时脉冲电流的影响测试:
电流幅度 1.25 kA
电流持续时间 200 μs
图3. 物理仿真的主要比例因子。(图片由参考文献 1 提供)因此,我们将为物理仿真选择主要比例因子。
3. 然后我们选择一个数学模型来计算 EMI。我们计算物理仿真的次要比例因子。为了计算距离 r 处的磁场强度 H(t),使用了以下表达式:
H''(t') = I'(t')/4πr' = (1/6I(t))/4πr(1/12)) ,
H(t) = H''(t') / 2, kH = 2
为了模拟 CE 通信线路中的 EMI,使用了以下表达式:1
U'(t) = μ0πkl2ra2(kH/kt)(dH(t)/dt ) = 6U' (12t')
4. 计算有意源电流的刻度参数值(图 4)。
图4. 有意源电流的刻度参数的计算值。5. 设计人员正在开发一个研究台,用于 EMI 的物理模拟,在 CE 通信线路中,在来自有意电流源的磁场的影响下。IGM 4.1 发生器用作短脉冲电流的模拟器。使用 LeCroy WR104MXi 数字示波器作为测量仪器。
6. 图 5 显示了在比例模型建筑的通信线路中测得的 EMI(在最靠近有意电流发生器连接点的测量点处)。
图5. 在最靠近有意电流发生器连接点的测量点的比例模型建筑物的通信线路中测得的 EMI。7. 图 6 显示了建筑物内真实 CE 通信线路中 EMI 的物理建模结果。
图6. 这是建筑物内真实 CE 通信线路中 EMI 的物理建模结果。单级 EMI 滤波器这种类型的滤波器由共模扼流圈 (CMC)、Cy 和 Cx 电容器组成(图 7)。

首选设计是使用更精确的电路,它分别考虑了 CMC 在共模和差模下的行为不同,这在单独的共模和差分模块中进行了描述(图 8)。

图8. 最好使用具有独立公共模块和差分模块的更精确的电路,以表明 CMC7 在共模和差分模式下的行为不同。(图片由参考文献 2 提供)
用户可以通过基于散射参数(S 参数)测量的递归分析表征过程来获取参数值,其中 CMC 是在自样式的开路 (OC) 配置中测量的。
无线医疗设备和环境中的 EMI 效应
标准电磁兼容性 (EMC) 测试将为评估电气/电子设备的电磁抗扰度提供指导。但是,这可能还不足以确保高度可靠和安全关键型设备能够在整个预期生命周期内按预期运行。6 例如,根据当前国际电工委员会 (IEC) 60601 标准认证的医疗保健设备 (HCE) 必须能够承受 10 V/m 的磁场。
然而,在医疗保健环境中观察到更强大的磁场。这表明,在这些标准中,为了有效防止 EMI,可能仍需要解决某些方面的问题以进行改进。
通常,在相当多的医疗场景中,避免靠近敏感设备的干扰源是一项挑战。目前的标准并没有令人满意地解决这种情况。
尽管如此,最好的 EMI 标准假设只会同时出现一个干扰。然而,在实际环境中,电子设备在其直接作环境中可能同时面临多种电磁干扰。
为了评估电子设备在这种情况下的抗扰度,必须解决关键的可靠性和安全性问题。医疗保健环境中的电子设备必须能够抵御日益增加的 EMI 干扰。
射频识别 (RFID) 很可能会干扰附近的关键医疗设备。设计人员在部署此类系统之前,必须强调识别 RF 干扰源的重要性。此外,EMI 效应可能会受到靠近关键医疗设备的无线发射器和反射材料的影响。这需要仔细考虑屏蔽材料。
总结
预测和抑制 EMI 并非易事。设计师,尤其是在治疗性医疗和医院场景中,对包含医疗设备、患者以及有意和无意来源的三维环境进行了建模。这些方法将有助于管理和预测医疗保健中的电磁兼容性,确保医疗设备的可靠性和安全性。
1. “通过物理建模预测在通过建筑物金属结构的电磁干扰影响下计算设备的抗噪性”,Zinnur M. Gizatullin、Rifnur M. Gizatullin、Marat G. Nuriev,喀山国立研究技术大学,以 A.N. Tupolev-KAI 命名,2020 IEEE。
2. “电磁干扰滤波器的高频测量和仿真”,布达佩斯技术与经济大学电气工程与信息学系宽带信息通信和电磁理论系 Balint Pinter, Arnold Bingler;Mark Csornyei,动力总成解决方案 - 电力电子,Robert Bosch Kft.,2023 年电磁兼容性国际研讨会 - 欧洲 EMC,2023 IEEE。
3. “脉冲辐射产生的电磁脉冲干扰对真空康普顿探测器响应的耦合模型研究”,易成、王毅、翠萌(IEEE高级会员)、杨开祥、宋兆晖、关兴银、李东、路毅、杨烨、韩和彤、郝帅,IEEE核科学汇刊,第71卷,第9期,2024年9月。
4. “电缆间电磁干扰矩阵描述研究”,吴宇彤,系统工程研究所,中国北京;徐秀明,哈尔滨工程大学信息与通信工程学院,中国哈尔滨;徐秀明,哈尔滨工程大学信息与通信工程学院,中国哈尔滨;2021 年 IEEE 第 9 届计算机科学与网络技术国际会议 (ICCSNT)。
5. “用于预测铁氧体磁芯电磁干扰抑制特性的等效传输线模型”,Mahesh Chaluvadi、K George Thomas,SAMEER 电磁学中心电磁兼容部门,印度钦奈,IEEE 2018。
6. “分析无线医疗设备和环境中的电磁干扰效应”,西班牙加泰罗尼亚理工大学电磁兼容性小组 Prashanth Domakonda、Geon George Bastian、Marco A. Azpurua、Mireya Fernandez-Chimeno、Ferran Silva;2024 年国际电磁兼容性研讨会 (EMC Europe 2024) 论文集,比利时布鲁日,2024 年 9 月 2 日至 5 日,IEEE。
7. “通过简单测量表征高频共模扼流圈”,C. Dominguez-Palacios、J. Bernal 和 M. M. Prats,IEEE 电力电子汇刊,第 33 卷,第 5 期,第 3975-3987 页,2018 年 5 月。
8. “利用小波变换的能量特性在图像中进行轮廓检测”,Lyasheva S.A.、Medvedev M.V.、Shleymovich M.P.,SPIE 论文集,2018 年,第 10774 卷,电信光学技术 2017 年,1077417。DOI:10.1117/12.2303644。
“掌”握科技鲜闻 (微信搜索techsina或扫描左侧二维码关注)










