在消费电子市场高速发展的当下,IGBT(绝缘栅双极晶体管)已成为现代家电设备中不可或缺的核心器件。凭借其优异的开关特性、低导通损耗及出色的热管理能力,IGBT技术正持续推动家电产品能效升级。安世半导体推出的650 V G3 IGBT平台产品,通过性能优化与可靠性提升,为家电设备的高效化、节能化发展提供了关键解决方案。
本文引用地址:
本文将聚焦家电设备的三大核心应用场景——电机拖动、PFC(功率因数校正)电路及感应加热,深入解析安世半导体650 V G3 IGBT平台的技术优势及其在家电领域的实际应用价值。
1. 电机拖动
1.1 电机拖动在家电中的应用介绍
电机拖动技术在家电应用中发挥着至关重要的作用,通过精确控制电机,实现高效、智能和节能的运行。它不仅负责驱动设备,还涉及能量的高效转换,提升了整体性能。
在家电中,电动机将电能转换为机械能,以实现各种功能。例如,洗衣机中的 Motor Drive 调节电机的转速和扭矩,以适应不同的洗涤模式,从而提高洗净效果和降低噪音。借助高效的能量转换机制,洗衣机能够更快速地完成洗涤任务,同时减少水和电的消耗。在空调中,变频电机通过智能调节压缩机的转速,根据室内温度变化优化制冷和制热过程。而在吸尘器中,电机实现了吸力的精确调节,使得清洁过程既高效又安静。
此外,电机拖动系统能够进一步提升能量利用效率。例如,在某些电器中,制动时产生的机械能可以被回收转换为电能,供给其他设备使用。
通过这些应用,电机拖动不仅提升了家电的性能和使用体验,还促进了节能减排的目标,使现代家居生活更加便捷、环保与智能。
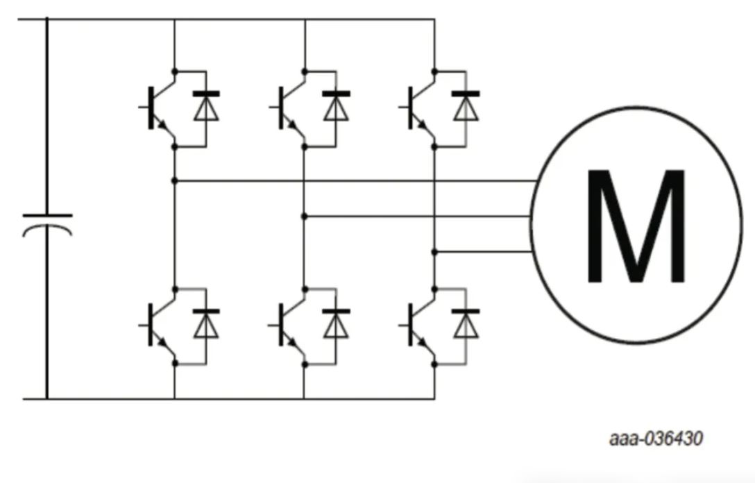
图 1:Motor in home appliance在含有电机拖动的家电应用中,最普遍的拓扑形式是三相全桥拓扑。三相全桥拓扑是一种常用于三相交流电机(如异步电机、永磁同步电机等)驱动的电路配置。它由六个开关器件(通常是 MOSFET 或 IGBT)组成,分别对应三相电机的三个绕组。三相全桥拓扑的基本工作原理是通过控制每一相的开关状态来实现对电机的转动方向和转速的控制。具体来说:
▸ 每相电机绕组都连接到两个开关器件,形成一定的电路。
▸ 通过交替导通不同的开关,能够产生在电机绕组之间的旋转磁场,从而驱动电机旋转。
▸ 控制系统通过 PWM 信号控制开关器件的开关状态,从而调节电机的速度和转矩。
图 2:Motor drive application diagram在工业及家电应用中,三相全桥的开关管的开关频率通常较低(<20kHz)。在这种情况下,开关管的导通损耗通常占据总损耗的主导部分。由图 3 可以看出,在给定条件下的电机拖动应用中,IGBT 器件的损耗占比中最高的是导通损耗,占比 71.6%。使用低导通损耗的 IGBT 可以最大幅度提升系统效率和降低结温,这对节能减排以及产品可靠性方面皆有好处。
图 3:应用于电机拖动中的 IGBT 器件损耗占比1.2 安世半导体 650 V G3 IGBT 在电机拖动中的应用性能
安世半导体的 650 V G3 M 系列中速 IGBT 管具有较低的导通损耗以及优化的关断损耗,非常适合较低开关频率(<20 kHz)的场合,例如电机拖动。同时 175 度的工作结温以及较小的热阻保证了工作时的结温余量。严苛的可靠性标准例如 HV- H3TRB 保证了器件在极端情况下的可靠运行。
较低的 Vcesat 与 Vf
以 NGW50T65M3DFP 中速管为例,远低于竞品的 Vcesat 以及 Vf 将助力降低电机拖动应用中的损耗,从而保证更高的系统效率及更低的工作结温,助力节能减排以及产品可靠性。

表 1:650 V G3 IGBT 单管产品系列 TO247-3L 封装

表 2:650 V G3 IGBT 单管产品系列 D2PAK&TO220FP 封装
图 4:Vcesat——NGW50T65M3DFP v.s. 竞品
图 5:Vf——NGW50T65M3DFP v.s. 竞品高效率与低温升
在 400 V 电机拖动系统测试中,NGW40T65M3DFP 中速管被用于与竞品对比在电机拖动应用中的性能情况。在图 6 中可以观测到在不同输出电流情况下,NGW40T65M3DFP 在不同相上都有更优的热表现。在图 7 的系统效率 MAP 图中可以看到,NGW40T65M3DFP 相比于竞品,在不同转速和扭矩下具有更大面积的高效率区域。
图 6:电机系统中三相 IGBT 的壳温表现
图 7:电机系统效率 MAP 图
图 8:PFC 电路在功率回路的位置2. PFC
2.1 PFC 在家电中的应用介绍
PFC(功率因数校正)电路在现代家电中起着至关重要的作用,尤其是在电源设计方面。随着对能效和环保要求的提高,家电产品越来越关注功率因数的优化,以减少电力损耗和提高电能使用效率。
功率因数是表征电气设备能效的一个重要指标,表示有功功率(实际被用来做功的电力)与视在功率(供电系统的总电力)之间的比例。功率因数的提高可以降低电力损耗,提高电源的利用效率,并减少对电网的负担。
PFC 电路有不同的拓扑实现形式,例如单相 CCM boost PFC、2 通道或 3 通道交错 CCM PFC、图腾柱 PFC、交错图腾柱 PFC 等,这些拓扑结构有其适用的功率范围。以家用空调为例,5 kW 以下功率的家用空调中,单相 CCM boost PFC 和 2 通道的交错 CCM PFC 比较普遍,开关频率通常在 30 kHz 以上,推荐使用安世半导体 H 系列 650V IGBT。
2.2 安世半导体 650 V G3 IGBT 在 PFC 中的应用性能
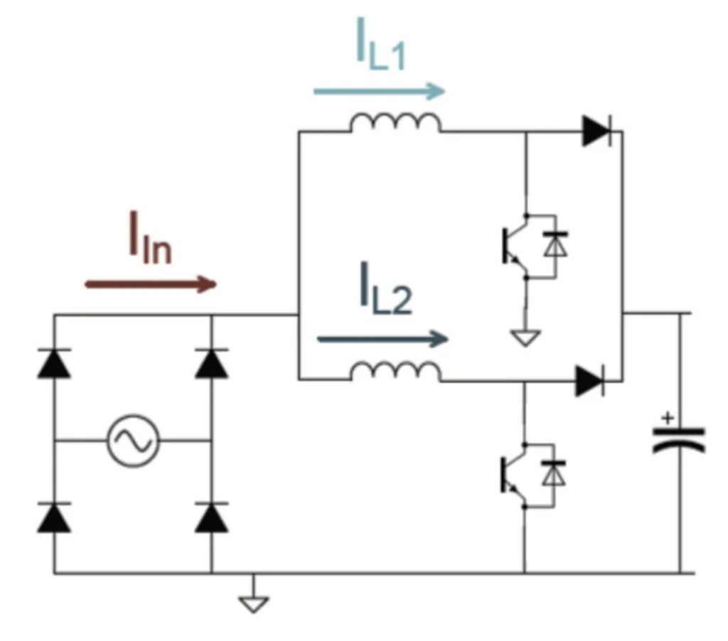
为进一步评估 650 V G3 H 系列 IGBT 在 PFC 中的性能表现,以 NGW40T65H3DHP 为例在 5 kW 交错 PFC 板上与竞品进行了对比测试。图 9 为交错 PFC 的拓扑电路。表 3 和表 4 分别显示了测试中的竞品信息以及测试条件。其中 C 竞品为中速 IGBT 管,作为对照组。E 竞品为逆导 IGBT。
图 9:交错 PFC 拓扑较低的电压过冲
当 IGBT 关断时,由于功率回路杂感的存在,会在功率开关两端形成瞬时的电压过冲。越低的电压过冲会有更大的电压安全裕量,从而减小系统的故障率,提升了稳定性。在 400 V 系统中,如果以 85% 的阻断电压(这里阻断电压是 650 V)定义为安全裕量边界,那么 NGW40T65H3DHP 的电压过冲远在这之下,且仅略高于竞品 C 的中速管。
图 10:Vpeak - Vin @ 25℃ Full Load优异的 EMI 性能
在现代电力电子应用中,尤其是在电机驱动、变频器、开关电源和家电设备中,功率器件(如 IGBT 和 MOSFET)的快速开关能力是实现高效能和优化性能的关键。然而,快速开关也带来了电磁干扰(EMI)的问题,需要在设计和应用中加以重视。安世半导体 650 V G3 IGBT 具有优异的 EMI 性能,为设计者直接替换开关管而无需重新进行 EMI 设计提供可能。图 11 显示了 NGW40T65H3DHP 与其他竞品相比的 dV/dt(电压变化率)表现。越低的 dV/dt 代表更优的 EMI 性能。可以看出 NGW40T65H3DHP 具有最优的 EMI 性能,其 dV/dt 甚至略低于 C 竞品的中速管。
图 11:dV/dt 对比@full load@Tamb=55℃均衡的系统效率
图 12 显示了 NGW40T65H3DHP 与其他竞品在 55℃环境温度下的系统效率对比。由于兼顾了电压过冲和 EMI 性能,其在系统效率上的表现略微均衡。D 竞品与 E 竞品有着最高的系统效率,但同时也有较高的电压过冲和较逊色的 EMI 性能。
图 12:Efficiency - Vin @ Tamb=55℃ Full load优异的热性能
为了更为公平地对比结温表现,利用 PLECS 软件复现了测试电路及测试条件。并对功率器件建立热模型。热模型包括开关损耗数据,导通损耗数据及热阻网络数据。其中,开关损耗数据由实际测试中的波形计算而得。导通损耗和热阻网络数据源自规格书。图 13 所示为得到开关损耗数据表格的过程。图 14 所示为相关仿真波形。
图 13:绘制开关损耗数据表格
图 14:PLECS PFC 仿真波形在实际测试中系统效率较高的 E 竞品(也是客户常用的型号) 被选为与 NGW40T65H3DHP 进行损耗及结温对比,结果如表 5 所示。可以看到竞品 E 相比 NGW40T65H3DHP 在损耗方面略有优势。但在平均结温方面,NGW40T65H3DHP 有着 9.8℃ 的优势,在最高结温方面,有着 18.5℃的优势。这标志着更低的静态热阻以及更优异的动态热响应。

表 5:竞品 E 与 NGW40T65H3DHP 在 PLECS PFC 仿真中的损耗及结温对比@Tamb=25℃
3. 感应加热
3.1 感应加热在家电中的应用
感应加热是一种基于电磁感应原理的加热技术,它通过在导体中产生涡流来实现快速加热。近年来,感应加热技术逐渐在家电领域得到了广泛应用,特别是在厨房电器中,例如电磁炉、电饭煲、部分烤箱等。
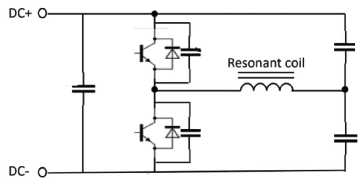
感应加热的基本原理是利用交变磁场对导电材料(如金属)产生的提高温度的涡流效应。当高频电流通过感应线圈时,会在其周围产生交变磁场。如果将具有电导率的材料放置在磁场中,会在材料内部产生涡流,从而产生热量。感应线圈通常在拓扑中以谐振电感的形式存在,如图 15 所示为半桥型感应加热的拓扑图,感应线圈与两个谐振电容共同组成了谐振电路,两个开关管组成半桥驱动谐振电路。通过调整开关管的开关频率可以调整系统的输出功率。
图 15:半桥感应加热拓扑3.2 安世半导体 650 V G3 IGBT 在感应加热中的应用性能较低的关断损耗
用 PLECS 搭建一个半桥感应加热的仿真电路,并为其设置了一些仿真参数(来自客户),如表 4。

表 4:PLECS Induction heating 仿真条件
我们可以得到图 16 的 IGBT 以及反并联二极管的开关波形。可以观察到,在感应加热应用中,IGBT 的电流在过零点时处于导通状态,所以开通损耗为零,只存在导通损耗和关断损耗。这为安世半导体 650 V G3 IGBT 的应用创造了优势,因为其关断损耗经过优化后可以维持在较低的水平。如图 17 所示,在175℃的结温条件下,NGW50T65H3DFP 的关断损耗远低于竞品 Comp.1~Comp.3。
图 16:PLECS Induction heating 波形
图 17:双脉冲测试 Eoff - Rg @50A@175℃较低的损耗及结温
如图 18 所示为 NGW50T65H3DFP、Comp.1 与 Comp.3 在该仿真中所得出的不同开关频率下的损耗(Comp2. 未提供热阻曲线数据故未纳入仿真)。可以看出,虽然 NGW50T65H3DFP 这颗高速管在导通损耗方面与竞品略有差距,但由于其优异的开关损耗,总损耗仍然为最低水平。并且由于其较低的热阻,仿真结温也为最低,如图 19 所示。
图 18:PLECS Induction heating, Powerloss - Fsw @Ta=50℃
图19:PLECS Induction heating, Tj - Fsw@Ta=50℃小结
综上所述,安世半导体的 650 V G3 IGBT 在家电应用中的优越性能显著提升了设备的效率和可靠性。在电机拖动、PFC(功率因数校正)电路和感应加热等三大主要领域,650 V G3 IGBT 展现了其在降低损耗、优化热管理和改善电磁干扰(EMI)方面的突出优势。通过合理设计和高性能集成,这款 IGBT 不仅提升了系统的整体效率,还确保了运行的稳定性和耐用性。其严格的可靠性标准也为在各种工作条件下的可靠运行提供了保障,将其定位为家电行业中现有设计的优秀替代方案及新设计的理想选择。凭借这些特性,安世半导体的 650 V G3 IGBT 为消费者的家电产品赋能,推动了智能、节能和环保的现代家居生活,展示了其在未来市场中的广阔前景。
“掌”握科技鲜闻 (微信搜索techsina或扫描左侧二维码关注)










