在电源工程师欢呼有源钳位正激转换器(ACFC)突破50%占空比限制之际,一个被长期忽视的设计陷阱正在浮现——最小占空比(Dmin)的精细控制已成为决定系统可靠性的生死线。实测数据显示,当Dmin低于15%时,ACFC的开关损耗会陡增300%,电磁干扰(EMI)恶化达18dBμV。
本文引用地址:
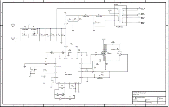
本文以隔离式ACFC电源为例,阐述最小占空比对设计的影响。该转换器用于将输入24 VAC或48 ~ 60 VDC,转化为15VDC,1.5 A输出。其隔离特性使其适合为现场工业应用供电。ACFC拓扑帮助实现了高达91%的峰值效率。设计要求如表1所示。
表1. 设计要求

公司的 MAX17598是有源钳位电流模式PWM控制器,其中包含隔离正激转换器电源设计所需的所有控制电路。本文深入探讨了二次自整流电路设计的考虑因素和评估结果。
二次自整流电路的设计考虑
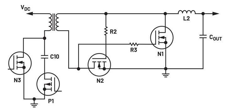
ACFC通过使用自整流电路,实现了更高的效率。图1为基于MOSFET的典型自整流电路原理图。与传统的二极管整流电路相比,MOSFET的导通电阻更低,所以其电路效率更高,尤其是在低电压、大电流输出的情况下。
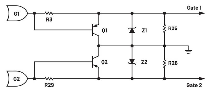
图1. 通用输出自整流电路然而,当输出电压接近或超过 MOSFET栅极电压工作范围时,这个设计就不合适了。我们可以通过附加电路来产生这些MOSFET的栅极驱动电压。图2为该电路的细节信息。G1和G2连接到变压器的辅助绕组。
图2. 辅助绕组变压器中的栅极驱动电路栅极1连接到N2的栅极(如图1所示),栅极2连接到N1的栅极。栅极1和栅极2与开关周期同步。当栅极1输出高电平时,栅极2输出低电平,反之亦然。完整电路如图3所示。

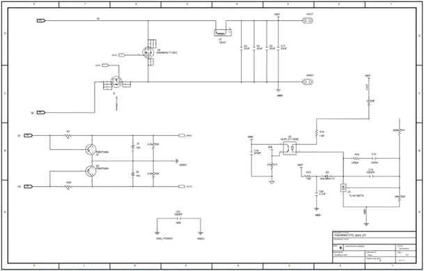
图3. 性能测试使用的示例电路该环路必须确保输出处于MOSFET VGS的工作范围内。公式1反映了栅极驱动电压与匝数比之间的关系。

KGATE为变压器比率。NG为变压器绕组的匝数。NP为变压器初级绕组的匝数。VGATE_MAX为MOSFET栅极驱动电压的最大电压。VDC_MAX 为直流输入电压的最大电压。
当初级环路的主开关闭合时,施加于变压器的电压为正,即 VDC。因此,栅极1的输出为高电平,栅极2的输出为GND。它与匝 数比和直流输入电压有关。

当主MOSFET关断时,钳位电路将漏极电压限制为VCLAMP。VCLAMP高于VDC,因此栅极1的输出为GND,而栅极2的输出为高电平。
钳位电压可通过下式计算:

栅极2的电压与匝数比以及VCLAMP和 VDCINPUT之间的差距有关。

占空比会随输入电压而变化,因此必须确保栅极的驱动电压能 够以完整的 VIN范围驱动MOSFET。应用最大直流输入和最小导通率 时,栅极驱动电压将达到最小值。
p>在设计示例中,栅极2最低电压可依照式5进行计算。当输入直流电压达到最大值时,栅极2上的电压只有4.23 V。

如果该电压低于VGS导通阈值,则二次整流电路的MOSFET将无法准确工作。这可能导致当输入电压接近最大值时,电源在没有任何负载的情况下无法启动。在示例电路中,VGS阈值电压为3 V, 小于计算出的最小VGATE2 。
图4为示例电路的测量结果。CH1为栅极1的电压。CH2为栅极2的电压。CH4为主面N-MOS的源漏电压。

示例电路的性能
为了验证栅极驱动电路计算的准确性,我们对示例电路进行了性能测试。图5为不同负载电流(0A、0.5A、1A、1.5A)下的输入和输出电压。
图5. 不同负载下的输入和输出电压图6显示了输出电压水平如何随输出电流不同而变化。不同的线表示不同的输入电压。
图6. 输出电流和输出电压图7为不同输入电压和负载下的峰值效率。当输入为36 V、输出为1.5 A时,峰值效率达到91%。
图7. 峰值效率波特图显示了峰值效率工作条件下的环路稳定性,即 VDCINPUT = 36 V、 IOUTPUT = 1.5 A。
图8显示了环路响应。
图8. 波特图图9和图10显示了输出峰峰值电压。图9是无负载电流的情况,图10是满负载的情况。
图9. 空载时输出峰峰值电压
图10. 满负载1.5 A时输出峰峰值电压图11和12显示了负载瞬态响应。图11为负载从零变为满负载。图12为负载从满负载变为零。CH1测量的是输出电压(交流耦合)。CH2测量的是输出负载电流。
图11. 瞬态响应(0 A至1.5 A)
图12. 瞬态响应(1.5 A至0 A)结论
综上所述,对ACFC的研究让我们对其性能和效率有了重要认识。通过分析二次整流电路的设计以及占空比的影响,我们发现,当需要额外的辅助栅极驱动电路时,最小占空比会受到限制。
此外,ACFC凭借其出色的能量回收特性,成为了有前景的高效电源系统解决方案。通过本文可知,占空比存在一个最佳范围。也就是说,最大占空比和最小占空比对于基于MOSFET的整流电路都很重要。
将本研究的成果应用于设计和实施ACFC,有助于避免设计阶段出现问题。
“掌”握科技鲜闻 (微信搜索techsina或扫描左侧二维码关注)










