驱动电路设计是功率半导体应用的难点,涉及到功率半导体的动态过程控制及器件的保护,实践性很强。为了方便实现可靠的驱动设计,英飞凌的驱动集成电路自带了一些重要的功能,本系列文章将以杂谈的形式讲述技术背景,然后详细讲解如何正确理解和应用驱动器的相关功能。
本文引用地址:
现在市场上功率半导体器件IGBT,MOSFET,SiC MOSFET和GaN,大都是电压栅控器件,驱动起来比电流型双极性晶体管BJT容易得多,只需要有限的电荷给栅极电容充电,但问题是很容易受干扰,除了米勒电流造成的误导通以外,由于其它种种原因,栅极电压被抬高后,也会带来短路风险导致损耗增加,甚至影响器件寿命,损坏栅极。
前文 《驱动电路设计(八)---米勒钳位杂谈》 已经提过,在功率器件开关过程中,由于C-E(D-S)间的dv/dt快速变化,会通过米勒电容产生位移电流,给栅极电容充电。这样可能会抬高功率器件的栅极电压,特别是当关断过电流和短路电流时。
IGBT短路时,其短路电流ISC短路电流是由栅极电压决定的:
因此,将栅极电压限制在某一合理的最大值很重要,这样可以使得短路电流的值不至于过大,不会超出最大的短路能量。图1给出了某种1200V IGBT栅极电压、短路电流和最大短路时间的关系。如果能很好限制短路时最大的栅极电压,那么也就限制了最大的短路电流。
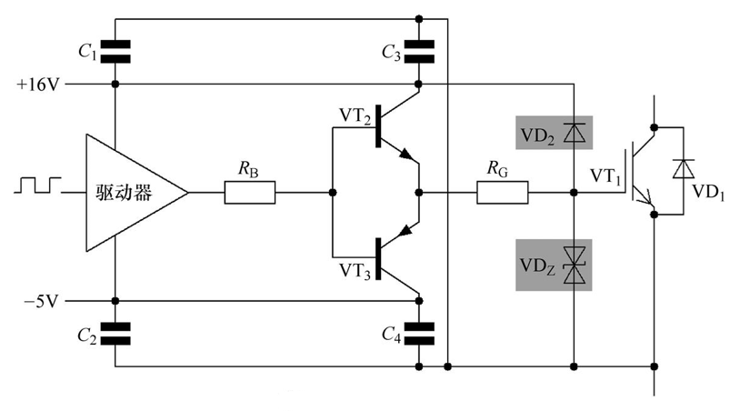
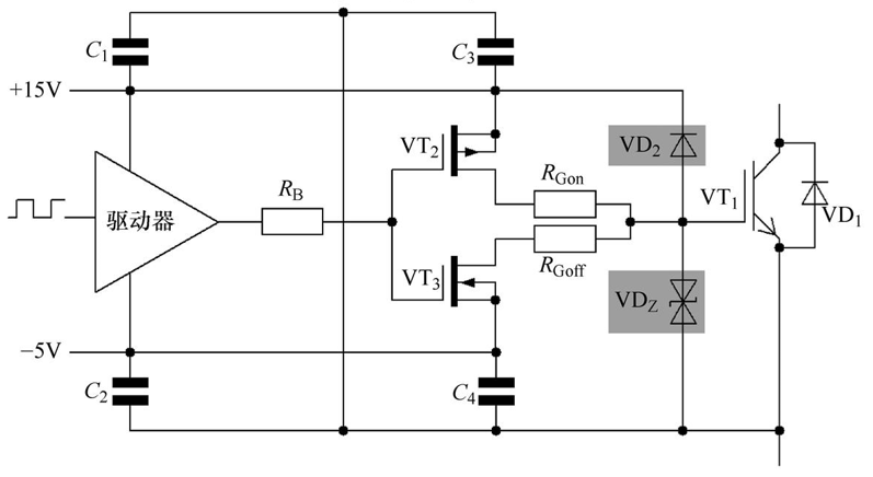
图1. 栅极电压、短路电流和最大短路时间之间的关系图2a和2b给出两种不同的栅极钳位方法。首先,可以利用一个单向或双向的TVS二极管接在IGBT VT1的栅极和发射极之间。当栅极电压超过TVS二极管的击穿电压后为低阻抗的通路,实现迅速泄放的目的。考虑误差和温度的影响,即:

另外一种栅极钳位的方法是通过二极管VD 2 直接将栅极和驱动电源电压连接,因此栅极电压被限制在电源电压加上二极管正向压降之内。当驱动输出级是轨对轨输出时,钳位到电源是个好办法。当电源电压为+15V时,如果出现短路,栅极电压可以有效地被限制在+16V以内。

(a) BJT升压电路

(b) MOSFET升压电路
图2. 栅极钳位
在选择TVS管时,要注意击穿电压的最大值和最小值之间通常都会有一个较宽范围,如图3所截取的数据手册所示。除了考虑最大值,还需要考虑温度的影响,一般击穿电压会随温度升高而增大,另外温度升高后会使二极管的额定耗散功率降低,如图4所示。

图4. 脉冲功率降额曲线在选择电源钳位二极管时,必须保证在高温下,二极管的漏电流或反向电流IR较低。如果反向电流太高,就成为驱动器电源不必要的负载,反向电流也会造成关断状态的功率器件栅极电压的被抬高。这时,如果没有R GE ,驱动级对地具有高阻抗,甚至接近或超过功率器件的开通阀值电压,在一些不利条件下,功率半导体会由于这样的原因出现寄生开通。
与PN结二极管相比,肖特基二极管的正向电压很低,因此非常适合用于电源钳位。而选用PN结二极管后钳位电压至少为17V,特别是在BJT输出的栅极驱动中,图2a。当肖特基二极管用于MOSFET推挽输出级时,有可能把栅极电压 U GE 钳在+15V,图2b。
相比于PN结二极管,肖特基二极管的缺点在于它们在高温时反向漏电流更高。因此必须根据其反向电流的特征选择合适的肖特基二极管。图5a是快恢复PN二极管,图5b为肖基特二极管的漏电流特性。注意肖基特二极管的漏电流比硅快恢复二极管大很多。


设计中还有一个问题也很重要,为了不对栅极钳位产生影响,栅极电压和电源之间的寄生电感应该尽可能的小,这也是功率器件应用的一般原则。
栅极钳位也不适合用于每个周期的正常开关过程。钳位时,驱动级电流会有一部分注入钳位二极管,这会造成驱动负载不必要的增加。所以在选择器件时,应保证其V RWM (最大反向工作电压)不低于且尽可能接近于被保护线路的正常最大工作电压,比如说15V。
主动关断电路
EiceDRIVER™ Compact 1ED314x对付米勒电流采用另外一种思路---主动关断功能。是驱动器的一项保护功能,其设计目的是防止功率开关栅极悬浮时的误导通。
如果驱动器失去电源,即VCC2掉电,驱动器的主动关断电路就动作,供电是驱动器所连接栅极的浮动电压。
如果开关上出现高速的 dU CE /dt ,就会产生米勒电流,主动关断电路一样可以提供米勒钳位,即使栅极驱动器没有接通电源,主动关断电路也会利用该电压为自己供电,并主动将栅极拉低。
图6. EiceDRIVER™ Compact 1ED314xMU12的主动关断栅极钳位设计原则
栅极电压钳位是功率半导体可靠工作的必要条件,实现的方法是多种多样,设计中要抓住要点:
1、钳位电压以精确为好
2、钳位电路不要成为驱动的负载
3、钳位电路不能在正常工况时被触发
“掌”握科技鲜闻 (微信搜索techsina或扫描左侧二维码关注)










