在开关模式电源中使用GaN开关是一种相对较新的技术。这种技术有望提供更高效率、更高功率密度的电源。本文讨论了该技术的准备情况,提到了所面临的挑战,并展望了GaN作为硅的替代方案在开关模式电源中的未来前景。本文引用地址:
如今,电源管理设计工程师常常会问道:
现在应该从硅基功率开关转向GaN开关了吗?
氮化镓(GaN)技术相比传统硅基MOSFET有许多优势。GaN是宽带隙半导体,可以让功率开关在高温下工作并实现高功率密度。这种材料的击穿电压较高,可适用于100 V以上的应用。而对于100 V以下的各种电源设计,GaN的高功率密度和快速开关特性也能带来诸多优势,比如进一步提高功率转换效率等。
挑战
用GaN器件替代硅基MOSFET时,肯定会遇到一些挑战。首先,GaN开关的栅极电压额定值通常较低,所以必须严格限制驱动器级的最大电压,以免损坏GaN器件。
其次,必须关注电源开关节点处的快速电压变化(dv/dt),这有可能导致底部开关误导通。为了解决此问题,需布置单独的上拉和下拉引脚,并精心设计印刷电路板布局。
最后,GaN FET在死区时间的导通损耗较高,所以需要尽可能缩短死区时间,与此同时,还必须注意高端和低端开关的导通时间不能重叠,以避免接地短路。

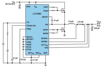
图1.专用GaN控制器有助于实现稳健且密集的电源电路

图2.专用GaN驱动器根据来自传统硅基MOSFET控制器的逻辑PWM信号控制功率级

图3.LTspice,一款实用的GaN电源仿真工具
GaN在电源设计领域有着广阔的发展前景,但如何开始相关设计,是许多企业的烦恼。比较简单的方法是选用相关的开关模式电源控制器IC,例如ADI公司的单相降压GaN控制器LTC7891。选择专用GaN控制器可以简化GaN电源设计,增强其稳健性。前面提到的所有挑战都可以通过GaN控制器来解决。如图1所示,采用GaN FET和LTC7891等专用GaN控制器,将大大简化降压电源设计。
若希望通过改造现有的电源及其控制器IC来控制基于GaN的电源,那么GaN驱动器将会很有帮助,可负责解决GaN带来的挑战,实现简单而稳健的设计。图2为采用LT8418驱动器IC实现的降压稳压器功率级。
选定合适的硬件、控制器IC和GaN开关之后,可通过详细的电路仿真来快速获得初步评估结果。ADI公司的LTspice®提供完整的电路模型,可免费用于仿真。这是学习使用GaN开关的一种便捷方法。图3为LTC7890(LTC7891的双通道版本)的仿真原理图。
GaN技术在开关模式电源领域已经取得了许多成果,可用于许多电源应用。未来,GaN开关技术仍将持续迭代更新,进一步探索应用前景。ADI公司现有的GaN开关模式电源控制器和驱动器灵活且可靠,能够兼容当前及今后由不同供应商研发的GaN FET。
“掌”握科技鲜闻 (微信搜索techsina或扫描左侧二维码关注)










