非稳压电源是最简单的电源结构。
本文引用地址:
几乎所有电子设备和电路都需要某种形式的直流电源来运行,这些电源可以来自电池、太阳能电池或连接到市电的非稳压电源。
虽然电池具有体积小、便携且无纹波的优势,但它们需要频繁更换(或充电),并且与传统直流电源相比成本较高。
由于在我们的家庭、学校和工作场所中,我们有一个方便、可靠且经济的电源来源,因此使用家用交流电源为我们的电路供电是合理的。然而,市电交流电压(通常为220-250 V有效值)远高于电池提供的较小直流电压。将这种较高的交流电压转换为较低的直流电压的过程称为整流。
整流是将交流电转换为直流电的过程。在二极管教程中,我们看到二极管只在一个方向(从阳极到阴极)导通电流,而在反向则不导通。二极管仅在一个方向切换电流的能力使其非常适合将双向交流电转换为恒定的直流电或直流电源,如图所示。
二极管整流器
二极管整流器我们可以看到,二极管的交流输入是一个在正半周期和负半周期之间交替的正弦波,而二极管的输出是整流后的直流电,其波形仅从正电压到零伏,负半周期被阻断。这种类型的输出波形称为“半波脉动直流电”。
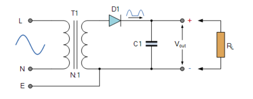
半波非稳压电源
电源的目的是在指定的电压和电流水平下提供所需的电能,例如+9伏特,500毫安。任何电源的电气特性将取决于所供电的电路,但通常所有非稳压电源都由一个变压器组成,用于将市电交流电压降至所需水平并提供电气隔离,以及一个二极管整流器以提供不稳定的输出电压。
考虑下面的半波非稳压电源电路。
半波非稳压电源
半波非稳压电源市电输入施加到主变压器T1的初级绕组,变压器的次级绕组向整流二极管D1提供低压交流电。产生的输出波形包含一个直流电压水平,该水平大约等于峰值电压的1/π或0.318。
例如,如果正弦峰值电压为10伏特,则等效直流输出将为:0.318 x 10 = 3.18伏特。因此,为非稳压电源选择合适的电压变压器非常重要。
正如我们上面所看到的,二极管的输出波形是脉动直流电。显然,这种脉动直流电压不适合为大多数电子电路供电,因为与理想的直流电池电源相比,电源电压变化较大且迅速,而且在负半周期期间50%的时间内完全没有电源电压。
通常在整流交流电压时,我们希望产生一个稳定的直流电压,就像我们从电池电源中获得的那样,并且没有上述波形变化。克服这个问题的一种方法是在输出端子上添加一个平滑电容器,有效地将其与负载并联。
我们知道电容器具有在其板上存储电荷的能力,我们可以利用这种能力来帮助平滑一些脉动波形。电容器C1,通常称为平滑电容器或储能电容器,在正半周期期间通过正向偏置的二极管充电。电容器板上的电荷量取决于变压器T1的正峰值输出电压和电容器的值,因为电荷Q等于V x C(电压x电容)。
当T1的输出电压开始降至零时,充电的电容器现在接管向负载供电。在某个点,T1的输出电压越过零并提供负半周期,这使二极管反向偏置进入截止状态。在这个半周期期间,电容器C1向负载提供所有电流,并以负载的时间常数确定的速率放电。
在下一个正半周期,变压器T1再次接管控制,向负载供电,并继续这样做,直到T1的输出电压再次回到其正峰值。在此期间,C1再次充电,并在T1的电压再次下降时向负载提供输出电流,直到T1的下一个正峰值电压,如图所示。
半波整流器波形
半波整流器波形由于电容器C1不能具有无限大的值,它不能提供完全平滑的直流输出电源,在某些情况下,这可能表现为锯齿波形。由于电容器无法保持稳定输出而导致的输出波形变化称为“纹波”,并且每个交流输入周期都会产生纹波。换句话说,对于半波整流电路,脉动直流纹波频率将等于输入交流频率。
输出波形上的纹波量取决于负载的特性,但对于给定的电容器值,较大的负载电流(较小的负载电阻)会使电容器放电更多,从而增加输出波形的纹波含量。
你可能会想,为什么不使用更大值的电容器来减少纹波含量,但使用大平滑电容器(通常是电解电容器)在成本、尺寸和增加其值超过某一点后不会显著减少纹波方面存在限制。此外,使用大值平滑电容器可能需要通过二极管桥提供非常大的充电电流。然而,通过在输出端子上并联添加更多不同值的电容器,可以改善非稳压电源提供的输出电压中的纹波含量。
全波非稳压电源
我们已经看到,半波非稳压电源的输出电压很难滤波到平滑的直流水平,因为输出电压和电流仅在每个输入周期的一半时间内施加到负载上。此外,半波非稳压电源的另一个缺点是变压器提供的电容器充电脉冲之间的相对较长时间,需要使用相对较大的电解型平滑电容器。
然而,如果我们在电路中添加第二个整流二极管,使得输入的每个半周期,而不是每隔一个半周期,都对整流输出波形有贡献,纹波含量将大大减少,这可以通过使用全波非稳压电源来实现。
全波非稳压电源与其半波版本的不同之处在于使用了一个带有中心抽头次级绕组和两个整流二极管的主变压器,如图所示。
全波非稳压电源
全波非稳压电源我们可以看到,次级绕组的两半有效地馈送到上述类型的单独半波整流电路,两个输出结合在一起并由公共平滑电容器C1平滑。
两个二极管D1和D2以推挽式布置工作,因为变压器次级接地(0V)以在上半和下半次级绕组之间创建180度的相位差。然后上半部分提供正电压,下半部分提供负电压。
当交流输入波形为正时,T1次级上半部分产生正电压,正向偏置二极管D1,使其“开启”,而T1次级下半部分产生的相应负电压反向偏置二极管D2,使其“关闭”。然后电流仅通过二极管D1供应到负载。
当交流输入波形变为负时,T1次级上半部分产生负电压,使二极管D1“关闭”,而T1次级下半部分产生正电压,正向偏置并使二极管D2“开启”。然后电流仅通过二极管D2供应到负载。
然后两个二极管和中心抽头变压器将次级绕组上产生的双向交流电流交替切换到负载。产生的输出波形包含一个直流电压水平,该水平大约等于峰值电压的2/π或0.636。
例如,如果正弦峰值电压为10伏特,则等效直流输出将为:0.636 x 10 = 6.36伏特,是半波整流器的两倍,如图所示。
全波整流器波形
全波整流器波形这种全波非稳压电源电路的优点是它需要的平滑电容器值约为半波电路所需的一半,因为它在全波电路中充电频率是半波电路的两倍,因此对于给定的负载电流,放电量较小。
此外,由于每个输入周期有两个半周期出现在平滑电容器上,纹波含量将较低,纹波频率将是输入频率的两倍。例如,如果正弦输入频率为50Hz,则纹波频率将为100Hz。因此,这种较高的纹波频率更容易平滑任何波动。
非稳压电源总结
非稳压电源的主要缺点之一是其输出电压受市电电压变化和负载电流变化的显著影响。随着负载消耗更多电流,直流端电压下降。
此外,半波非稳压电源产生的输出波形具有大约0.318 x Vpeak的直流水平以及类似于锯齿波形的大交流变化。这种输出波形通常称为脉动直流电压。
为了去除一些交流成分,使用平滑电容器允许直流成分通过并将交流减少到小纹波。半波整流器产生的纹波频率与输入频率相同。
增加直流输出电压、减少波形纹波含量和提高效率的一种方法是使用全波整流器,它由两个二极管和一个中心抽头变压器组成,以在次级绕组的每一半上生成两个相等且相反的波形。全波非稳压电源的主要缺点是对于给定的输出功率,它需要更大的变压器。
半波非稳压电源是将交流电转换为脉动直流电的廉价且简单的结构。我们已经看到,平滑电容器可以用于将整流器的脉动直流电(无论是半波还是全波)转换为相当平滑且无纹波的直流电源,以为电子电路供电或为电池充电。
“掌”握科技鲜闻 (微信搜索techsina或扫描左侧二维码关注)










