东芝电子元件及存储装置株式会社近日宣布,量产面向车载直流有刷电机应用的栅极驱动IC[1]——“TB9103FTG”,其典型应用包括用于电动后门和电动滑门的闩锁电机[2]和锁定电机[3],以及电动车窗和电动座椅的驱动电机等。
本文引用地址:

汽车部件现已基本实现电气化,电机的需求以及在汽车中集成的电机数量都在增加。随着电动机中使用的驱动IC数量的增加,人们更倾向采用高集成度和小型化的系统解决方案。此外,有些电机应用不需要控制转速,只需具有简单功能和性能的驱动IC。
TB9103FTG可为无需控制速度的直流有刷电机提供优化的栅极驱动IC功能和性能,为实现更紧凑设计开辟了道路。它具有内置的电荷泵电路[4],可确保为驱动电机外部MOSFET供电所需的电压。此外,它还具有栅极监控功能,可通过为高低侧外部MOSFET自动控制栅极信号输出时序,防止生成直通电流。与此同时,该IC还内置睡眠功能,可在待机时降低功耗。
这款全新IC既可用作单通道H桥,也可用作双通道半桥。除了作为电机驱动IC外,它还能与外部MOSFET结合,替代机械式继电器以及其它机械开关,有助于实现更安静的运行以及更高的设备可靠性。
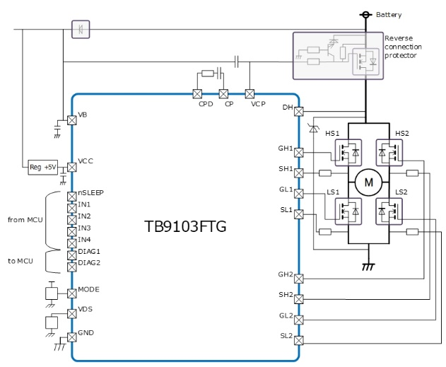
H桥模式的应用电路示例TB9103FTG采用4.0 mm×4.0 mm(典型值)VQFN24封装,有助于缩小设备尺寸。
未来东芝将继续扩大其车载电机驱动IC的产品线,为车载设备的电气化和安全性提高做出贡献。
■ 应用:
车载设备
- 用于电动后门及电动滑门使用的闩锁电机和锁定电机的驱动器;用于车窗和电动座椅等的电机的驱动器
■ 特性:
- 精简的功能和性能有助于小型化
- 小型封装
- 低待机功耗(内置睡眠功能)
- 可用作单通道H桥或双通道半桥的栅极驱动IC
- 符合AEC-Q100(Grade 1)标准
■ 主要规格:
器件型号 | TB9103FTG | ||
支持的电机 | 直流有刷电机 | ||
输出通道数 | 单通道(H桥模式时)/双通道(半桥模式时) | ||
主要功能 | 睡眠功能、内置电荷泵、H桥模式、半桥模式和死区时间控制 | ||
主要故障检测 | 电源低压检测、电荷泵过压检测、过热检测以及外部MOSFET的VGS和VDS检测 | ||
绝对最大额定值 (Ta=–40~125 °C) | 电源电压1 Vb(V) | –0.3至18 | |
18至40(1秒内) | |||
电源电压2 Vcc(V) | –0.3至6 | ||
环境温度Ta(°C) | –40至125 | ||
工作范围 (Ta=–40~125 °C) | 电源电压工作范围1 VBrng(V) | 7至18 | |
电源电压工作范围2 VCCrng(V) | 4.5至5.5 | ||
结温工作范围 Tjrng(°C) | –40至150 | ||
封装 | 类型 | P-VQFN24-0404-0.50-003 | |
尺寸(mm) | 典型值 | 4.0x4.0 | |
可靠性 | |||
注:
[1]栅极驱动IC:驱动MOSFET的驱动IC。
[2]闩锁电机:系统中用于保持车门关闭的电机。
[3]锁定电机:系统中与钥匙配合工作,为车门上锁和开锁,以防出现犯罪行为而使用的电机。
[4]电荷泵电路:使用电容器和开关升压的电路。
“掌”握科技鲜闻 (微信搜索techsina或扫描左侧二维码关注)










