典型的半导体电容在pF或nF范围内。许多商业上可用的LCR表或电容计补偿后可以使用适当的测量技术来测量这些值,然而,一些应用需要在飞秒法(fF)或1e-15范围内进行非常灵敏的电容测量。这些应用包括测量金属到金属的电容,晶片上的互连电容,MEMS器件,如:开关,纳米器件端子之间的电容。如果没有使用适当的仪器和测量技术,这些非常小的电容很难进行测量。
本文引用地址:
使用4200A-SCS参数分析仪配备的4215-CVU(CVU),用户能够测量大范围的电容,<1pF非常低的电容值也能测到。CVU采用独特的电路设计,并由Clarius+软件控制,支持校准和诊断工具,以确保最准确的结果。使用这种CVU和适当的测量技术可以使用户实现多个噪声水平的非常低的电容(1e-18f)测量。
本应用说明了如何使用4215-CVU电容电压单元进行fF电容测量。这包括建立适当的连接和使用Clarius软件中适当的测试设置,以获得最好的结果。关于进行电容测量的进一步信息,包括电缆和连接、定时设置、保护和补偿,可以在Keithley应用说明中找到,使用4200A-SCS参数分析仪进行最佳电阻和交流阻抗测量。
连接被测器件
与被测设备(DUT)进行适当的连接对测量灵敏的低电容至关重要。
为了获得最佳效果,使用标配的红色SMA电缆从CVU连接到DUT。红色SMA电缆的特征阻抗为100Ω。两根100Ω并联电缆具有50Ω的特性阻抗,这是高频源测量应用的标准。所提供的附件允许通过BNC或SMA、连接件连接到测试夹具或探针上。使用提供的扭矩扳手,拧紧SMA电缆连接,以确保良好的接触。
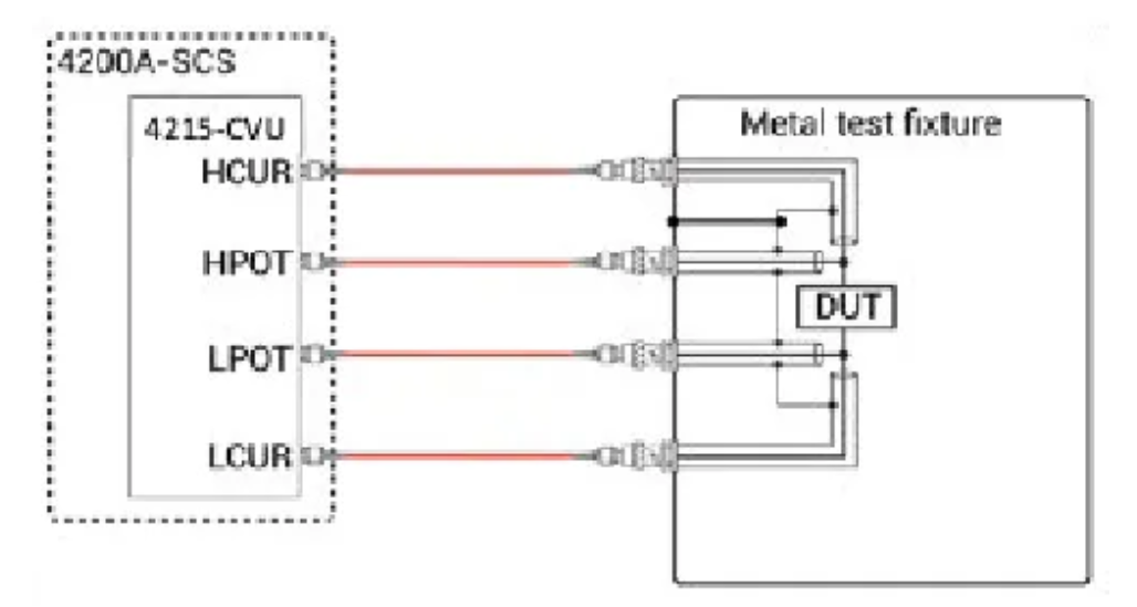
双线感知和测量的CVU配置如图1所示。HCUR和HPOT端子连接到BNC三通,形成CVH(HI),LCUR和LPOT端子连接到形成CVL(LO)。
图1. 双线测量的CVU连接图2是DUT四线测量的示例。在这种情况下,HCUR和HPOT端连接到设备的一端,LPOT和LCUR端连接到设备的另一端。将四线连接到设备上,通过测量尽可能接近设备的电压来进行敏感的测量。
图2. 四线测量的CVU连接对于双线或四线测流量,同轴电缆的外部屏蔽必须尽可能接近设备,以尽量减少屏蔽的环路面积。这降低了电感,并有助于避免共振效应,尤其在大于1MHz的频率下影响更大。
保持所有电缆安装牢固,以避免任何移动。在执行偏置测量和实际DUT测量之间时发生的任何运动都可能轻微改变回路电感并影响补偿数据。
当测量非常小的电容时,屏蔽DUT对于减少由于干扰而造成的测量不确定性变得很重要。干扰源可以是交流信号,甚至是物理运动。金属屏蔽应包围DUT,并连接到同轴电缆的外壳上。
对于低电容测量,最好使用四线测量,但是,如果电缆较短且使用补偿,则可以实现双线传感的最佳测量。
测量fF电容的Clarius+软件配置
在Clarius软件中设置测量包括在库中选择fF项目、配置测试设置和执行测量。
◆ 选择库的的电容项目
在Clarius软件的项目库中包含了一个用来进行非常小的电容测量的项目。从选择视图中,在搜索栏中输入“femtofarad” 。fF电容项目将出现在窗口中,如图3 所示。选择“创建”,以在项目树中打开项目。
图3. 库中fF电容测量项目◆ 配置测试设置
一旦项目被创建,飞法电容项目将出现在项目树中,如图4所示。
图4. 飞法电容项目树本项目有两个测试:1)cap-measure-uncompensated测试项,用于测量DUT的电容。2) open-meas测试,用来获取电缆和连接件的电容,由于这些电容测量的灵敏度,开路测量用来保证DUT测量的精确度,开路测量数据从DUT的电容测量值中减去。该方法能对极低电容的良好的测量结果。
对于成功的低电容测量,在配置窗口中适当地调整测量和定时设置是很重要的。以下是一些关于做出最佳调整的建议:
测量设置:用户可以控制的一些设置:电流测量范围、交流驱动电压和测试频率。这些对测量很重要,因为它们涉及到确定器件电容的方程式。CVU根据Iac、Vac和测试频率计算设备电容:

其中,
C = 器件电容 (F)
Iac = CVU测量的交流电流
f= 测试频率
Vac = 交流驱动电压
通过观察这些方程中的关系,可以推导出电流测量范围、交流驱动电压和测试频率的最佳设置。
CVU有三个电流测量范围:1µA、30µA和1mA。对于噪声最小的最低电容测量,使用最低电流范围,1µA范围。
交流驱动电压的水平会影响测量的信噪比。当交流噪声水平保持相对恒定时,使用更高的交流驱动电压产生更大的交流电流,从而提高信噪比。所以,最好使用尽可能高的交流驱动电压。本项目采用了1V交流驱动电压。
对于非常低的电容测量,使用大约1MHz的测试频率是理想的。由于测试频率远高于1MHz,传输线效应增加了成功测量的难度。在较低的测试频率下,由于测试频率和电流成比例,测量值的分辨率会降低,因此,会产生更大的噪声。
定时设置:定时设置可以在“测试设置”窗口中进行调整。速度模式设置使用户能够调整测量窗口。对于非常低的电容测量,请使用自定义速度模式来设置测量时间,以达到所需的精度和噪声水平。基本上,测量时间或窗口时间越长,测量的噪声就越小。噪声与测量时间的平方根成反比,如下式所示:

该噪声可以通过计算电容测量值的标准偏差来获得。这个计算可以使用Clarius软件中的公式编辑器自动完成。cap-meas-uncompensated测试自动计算噪声并将值返回到表。
可以使用图5中所示的测试设置窗口中的自定义速度模式来调整测量窗口。
图5. “测试设置”窗口中的自定义速度模式测量窗口的时间,计算方法如下:
Measurement Window = (A/D Aperture Time) *(FilterFactor2 or Filter Count)
表1列出了CVU噪声作为测量窗口的函数,用两线法将电容连接到CVU端子。噪声的计算方法是取15个读数的标准偏差,以及设置为0V直流、1MHz和1V交流驱动电压的测量值。该数据验证了随着测量时间的增加,噪声会减小。注意,以上噪声是在≥1s的测量时间内fF或1E-18F范围内的噪声。可能需要在每个测试环境中进行实验,以确定一个测试的最佳测量时间。
表1. 1ff电容的测量时间与噪声的关系◆ 执行测量
一旦配置了硬件和软件,就可以执行测量。理想情况下,4200A-SCS应该在进行测量前至少预热一个小时。
按照这四个步骤进行补偿测量并重复结果。
1. 测量器件的电容。在项目树中选择cap-meas-uncompensated测试。在“配置”视图中,根据设备和应用程序调整测试设置。运行该测试。
2. 测量开路情况。在项目树中选择 open-meas
3. 测试。调整测试设置,使其与cap-meas-uncompensated测试中的测试设置完全相同,包括数据点数和电压步数。仅断开CVH(HCUR和HPOT)电缆。确保未端接的电缆已进行封盖。运行开路测试。
4. 分析结果。在项目树中选择femtofarad-capacitance项目,然后选择分析视图。图6显示了显示补偿的1fF测量值的屏幕截图。
图6. 1fF电容测量的分析图表和图形截图注意,最近的电容和开路测量在表中噪声测量计算的后面。项目树中所有的测试数据将显示在屏幕的右侧。
如如图7所示,选择了capmeas-uncompensated和 open-meas测试的数据。这意味着每次执行测试时,都将在工作表中填充最新的数据。
图7. 从测试中得出的数据在公式器中建立了一个公式,通过从项目级分析图表中的capmeas-uncompensated测试 数 据 减 去open-meas 测试数据,自动计算补偿电容测量值。该图显示了补偿的电容作为时间的函数。表中的电容列列出了补偿的测量值以及所有读数的平均电容。图8显示了电容测量数据(Cp-AB)、时间、噪声、AB测量数据、补偿测量数据(电容)和平均电容(AVG_CAP)。
图8. 分析界面中显示的测试数据5. 重复测量。可以运行在项目中重复某个测量。补偿读数将自动计算。但是,open-meas测试不需要选择,如图9所示。如果数据出现意外移动,应定期重复获取的开路数据。这可能因为了温度的变化或电缆的运动。
图9. 在项目树中不选择open-meas测试结论
4215-CVU利用库项目、适当的连接、适当的测量技术和设置,可以测量fF水平电容。使用适当测量窗口的4215-CVU可以使几十个aF范围及以下的噪声水平。
“掌”握科技鲜闻 (微信搜索techsina或扫描左侧二维码关注)










