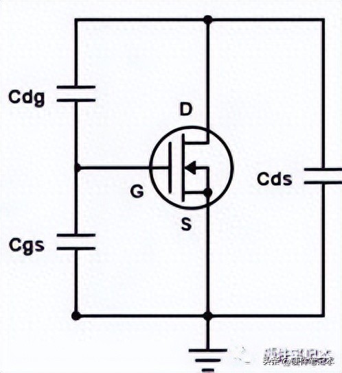
MOS管具有三个内在的寄生电容:Cgs、Cgd、Cds。这一点在MOS管的规格书中可以体现(规格书常用Ciss、Coss、Crss这三个参数代替)。MOS管之所以存在米勒效应,以及GS之间要并电阻,其源头都在于这三个寄生电容。
本文引用地址:

MOS管内部寄生电容示意

IRF3205寄生电容参数

MOS管驱动之理想与现实
理想的MOS管驱动波形应是方波,当Cgs达到门槛电压之后, MOS管就会进入饱和导通状态。而实际上在MOS管的栅极驱动过程中,会存在一个米勒平台。米勒平台实际上就是MOS管处于“放大区”的典型标志,所以导致开通损耗很大。由此可见,米勒效应是一个对电路不利的却又客观存在的现象,在设计电路时需要加以考虑。
米勒平台形成的详细过程:

MOS管开启过程
将MOS管开启时间分解:
t0→t1:当GS两端电压达到门限电压Vgs(th)的时候(可以理解为对Cgs进行充电),MOS管开始导通,这之前MOS管处于截止区;
t1→t2:随着Vgs继续增大,Id开始增大,Vds开始下降,此时MOS管工作在饱和区(如何判断是在饱和区?直接通过公式可知:Vds>Vgs-Vth,Vds-Id输出特性曲线反着分析一遍),Id主要由Vgs决定,这个过程中Vds会稍微有点降低,主要是△I导致G极端一些寄生感抗等形成压降;
t2→t3:Vgs增大到一定程度后,出现米勒效应,Id已经达到饱和,此时Vgs会持续一段时间不再增加,而Vds继续下降,给Cgd充电,也正是因为需要给Cgd充电,所以Cgs两端电压变化就比较小(MOS管开通时,Vd>Vg,Cdg先通过MOS管放电,而后再反向充电,夺取了给Cgs的充电电流,造成了Vgs的平台);
t3→t4:Vgs继续上升,此时进入可变电阻区,DS导通,Vds降来下来(米勒平台由于限制了Vgs的增加,也就限制了导通电阻的降低,进而限制了Vds的降低,使得MOS管不能很快进入开关状态)。
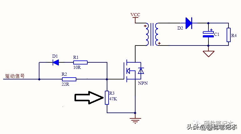
反激电源图:R3为GS电阻用一个简单的实验证明GS间电阻的重要性:取一只mos管,让它的G极悬空,然后在DS上加电压,结果发现输入电压才三四十伏的时候,MOS管的DS就会直接导通,如果不限流则可能损坏。按说此时没有驱动,MOS管不应导通。但其实由于MOS管寄生电容的存在,当在DS之间加电压时,加在DS之间电压会通过Cdg给Cgs充电,这样G极的电压就会抬高直到mos管导通。(假如采用变压器驱动,变压器绕组可以起到放电作用,所以即使不加GS电阻,在驱动没有的情况下,管子也不会自己导通)
在GS之间并联一个电阻(阻值约为几K到几十K),可以有效保障MOS管正常工作。首先,门极悬空时DS之间电压不会导致MOS管导通损坏,同时在没有驱动时能将MOS管的门极钳在低位,不会误动作,能可靠通断。
“掌”握科技鲜闻 (微信搜索techsina或扫描左侧二维码关注)










