在许多方面,可控硅整流器(SCR)或更常见的晶闸管在结构上与晶体管相似。
本文引用地址:
在本晶闸管教程中,我们将更详细地探讨晶闸管或可控硅整流器(SCR)的结构和工作原理。
在许多方面,晶闸管的结构与晶体管相似。它是一种多层半导体器件,因此其名称中的“硅”部分。它需要一个门极信号来“开启”,这是名称中的“可控”部分,一旦“开启”,它的行为就像一个整流二极管,这是名称中的“整流器”部分。实际上,晶闸管的电路符号表明该器件就像一个可控的整流二极管。
晶闸管符号然而,与作为两层(P-N)半导体器件的结型二极管或常用的三层(P-N-P或N-P-N)开关器件的双极型晶体管不同,晶闸管是一种四层(P-N-P-N)半导体器件,包含三个串联的PN结,并由所示的符号表示。
与二极管一样,晶闸管是一种单向器件,即它只能在一个方向上导通电流,但与二极管不同的是,晶闸管可以根据其门极的触发方式作为开路开关或整流二极管工作。换句话说,晶闸管只能在开关模式下工作,不能用于放大。
可控硅整流器(SCR)是几种功率半导体器件之一,与三端双向可控硅(Triac)、双向触发二极管(Diac)和单结晶体管(UJT)一样,它们都能够像非常快速的固态交流开关一样工作,用于控制大交流电压和电流。因此,对于电子学学生来说,这些器件非常适合用于控制交流电机、灯具和相位控制。
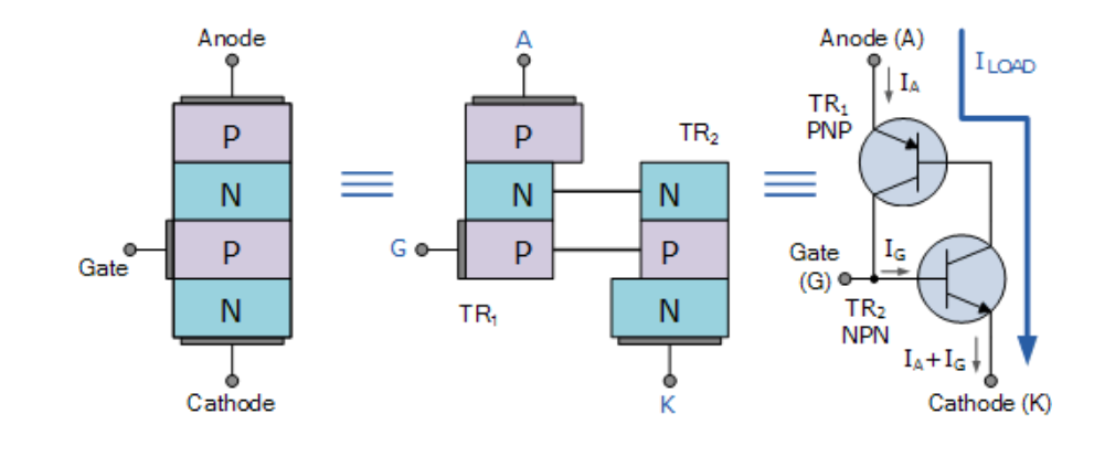
晶闸管是一种三端器件,标记为:“阳极”、“阴极”和“门极”,由三个PN结组成,可以以极快的速度“开启”和“关闭”,或者可以在半周期内以不同的时间长度“开启”,以向负载提供选定量的功率。晶闸管的工作原理可以通过假设它由两个背靠背连接的晶体管组成,作为一对互补的再生开关来解释。
晶闸管的双晶体管等效电路
晶闸管结构双晶体管等效电路显示,NPN晶体管TR2的集电极电流直接馈入PNP晶体管TR1的基极,而TR1的集电极电流则馈入TR2的基极。这两个相互连接的晶体管依赖于彼此的导通,因为每个晶体管的基极-发射极电流来自另一个晶体管的集电极-发射极电流。因此,即使存在阳极到阴极的电压,除非其中一个晶体管获得一些基极电流,否则不会发生任何事情。
当晶闸管的阳极端相对于阴极为负时,中间的N-P结正向偏置,但两个外部的P-N结反向偏置,其行为非常类似于普通二极管。因此,晶闸管会阻止反向电流的流动,直到在某些高电压水平下,两个外部结的击穿电压点被超过,晶闸管在没有门极信号的情况下导通。
这是晶闸管的一个重要负面特性,因为晶闸管可能会因反向过压、高温或快速上升的dv/dt电压(如尖峰)而无意中被触发导通。
如果阳极端相对于阴极为正,则两个外部的P-N结现在正向偏置,但中间的N-P结反向偏置。因此,正向电流也被阻止。如果向NPN晶体管TR2的基极注入正电流,则产生的集电极电流流入晶体管TR1的基极。这反过来导致PNP晶体管TR1中的集电极电流流动,从而增加TR2的基极电流,依此类推。
典型晶闸管两个晶体管非常迅速地迫使彼此导通至饱和,因为它们连接在一个无法停止的再生反馈回路中。一旦被触发导通,通过器件的阳极和阴极之间的电流仅受外部电路电阻的限制,因为器件在导通时的正向电阻可以非常低,小于1Ω,因此其上的电压降和功率损耗也很低。
然后我们可以看到,晶闸管在“关闭”状态下阻止交流电源的双向电流,并且可以通过向晶体管的基极施加正电流来“开启”并使其像普通整流二极管一样工作,对于可控硅整流器来说,这被称为“门极”端。
可控硅整流器的工作电压-电流(I-V)特性曲线如下:
I-V特性曲线
特性曲线一旦晶闸管被“开启”并在正向(阳极为正)传导电流,由于两个内部晶体管的再生锁定作用,门极信号将失去所有控制。在再生启动后,任何门极信号或脉冲的施加都不会产生任何影响,因为晶闸管已经在导通并完全“开启”。
与晶体管不同,SCR不能被偏置以在其阻断和饱和状态之间的负载线上的某个有源区域内保持。门极“开启”脉冲的幅度和持续时间对器件的工作影响不大,因为导通是内部控制的。因此,向器件施加一个短暂的门极脉冲足以使其导通,并且即使门极信号完全移除,它也将保持永久“开启”。
因此,晶闸管也可以被认为是一个具有两个稳定状态“关闭”或“开启”的双稳态锁存器。这是因为在没有门极信号的情况下,可控硅整流器会阻止交流波形的双向电流,一旦被触发导通,再生锁定作用意味着它不能仅通过其门极再次“关闭”。
那么,我们如何“关闭”晶闸管呢?一旦晶闸管自锁到“开启”状态并传导电流,它只能通过完全移除电源电压从而移除阳极(IA)电流,或通过某些外部手段(例如打开开关)将其阳极到阴极的电流降低到通常称为“最小保持电流”(IH)的值以下来“关闭”。
因此,阳极电流必须降低到该最小保持水平以下足够长的时间,以使晶闸管内部锁定的pn结在再次施加正向电压之前恢复其阻断状态,而不会自动自导通。显然,要使晶闸管首先导通,其阳极电流(也是其负载电流IL)必须大于其保持电流值。即IL > IH。
由于晶闸管在阳极电流降低到最小保持值以下时能够“关闭”,因此当用于正弦交流电源时,SCR将在每个半周期的交叉点附近自动“关闭”,并且正如我们现在所知,它将保持“关闭”状态,直到施加下一个门极触发脉冲。
由于交流正弦电压在每个半周期内不断从正到负反转极性,这使得晶闸管可以在正波形的180度零点处“关闭”。这种效应被称为“自然换向”,是可控硅整流器的一个非常重要的特性。
在直流电源供电的电路中使用的晶闸管,由于直流电源电压是连续的,因此无法发生这种自然换向条件,因此必须在适当的时候提供其他方法来“关闭”晶闸管,因为一旦触发,它将保持导通状态。
然而,在交流正弦电路中,自然换向每半个周期发生一次。然后,在交流正弦波形的正半周期内,晶闸管正向偏置(阳极为正),并且可以使用门极信号或脉冲触发“开启”。在负半周期内,阳极变为负,而阴极为正。晶闸管被该电压反向偏置,即使存在门极信号也无法导通。
因此,通过在交流波形的正半周期内的适当时刻施加门极信号,晶闸管可以被触发导通直到正半周期结束。因此,相位控制(如其名)可用于在交流波形的正半周期内的任何点触发晶闸管,可控硅整流器的众多用途之一是用于交流系统的功率控制,如图所示。
相位控制
相位控制在每个正半周期开始时,SCR处于“关闭”状态。施加门极脉冲触发SCR导通,并在整个正周期内保持完全锁定“开启”状态。如果晶闸管在半周期开始时触发(θ = 0度),负载(灯)将在交流波形的整个正周期内“开启”(半波整流交流),平均电压为0.318 x Vp。
随着门极触发脉冲在半周期内施加时间的增加(θ = 0度到90度),灯的照明时间减少,传递给灯的平均电压也会相应减少,从而降低其亮度。
然后,我们可以使用可控硅整流器作为交流调光器,以及用于各种其他交流电源应用,例如:交流电机速度控制、温度控制系统和功率调节电路等。
到目前为止,我们已经看到,晶闸管本质上是一个半波器件,只有在阳极为正的正半周期内导通,而在阳极为负时像二极管一样阻止电流流动,无论门极信号如何。
但还有更多的半导体器件属于“晶闸管”范畴,它们可以在两个方向上导通,即全波器件,或者可以通过门极信号“关闭”。
这些器件包括“门极可关断晶闸管”(GTO)、“静态感应晶闸管”(SITH)、“MOS控制晶闸管”(MCT)、“硅控开关”(SCS)、“三端双向可控硅”(TRIAC)和“光控晶闸管”(LASCR)等,所有这些器件都有多种电压和电流额定值,使其在非常高功率水平的应用中具有吸引力。
晶闸管总结
通常被称为晶闸管的可控硅整流器(SCR)是一种三结PNPN半导体器件,可以视为两个相互连接的晶体管,用于切换大电流负载。它们可以通过在门极端施加一个正电流脉冲来锁定“开启”状态,并会保持“开启”状态,直到阳极到阴极的电流降至其最小锁定水平以下。
晶闸管的静态特性
晶闸管是只能在开关模式下工作的半导体器件。
晶闸管是电流操作器件,小的门极电流控制较大的阳极电流。
只有在正向偏置且向门极施加触发电流时才会导通电流。
晶闸管一旦被触发“开启”,其行为类似于整流二极管。
阳极电流必须大于保持电流以维持导通。
当反向偏置时,无论是否施加门极电流,晶闸管都会阻止电流流动。
一旦被触发“开启”,即使不再施加门极电流,只要阳极电流高于锁定电流,晶闸管也会保持锁定“开启”状态。
晶闸管是高速开关,可以用于替代许多电路中的机电继电器,因为它们没有移动部件,不会产生接触电弧或受到腐蚀或污垢的影响。但除了简单地“开启”和“关闭”大电流外,晶闸管还可以用于控制交流负载电流的平均值,而不会消耗大量功率。晶闸管功率控制的一个很好的例子是用于控制电灯、加热器和电机速度。
在下一个教程中,我们将探讨一些使用交流和直流电源的基本晶闸管电路和应用。
“掌”握科技鲜闻 (微信搜索techsina或扫描左侧二维码关注)










