射频(RF)、微波和毫米波开关及开关矩阵具有多种重要功能,包括:本文引用地址:
工作频段:通常由输入频率的边界值定义,在导通状态下,当频率达到该边界值时,损耗会增加 3dB;导通状态下的插入损耗(IL)以分贝为单位表示。
各状态下的电压驻波比(VSWR) 。
关断电路的隔离度(以分贝为单位) :是输入信号电平与输出信号电平的比值。隔离度以分贝表示,是一个正数。
输入信号的功率处理能力 Pmax :默认情况下,Pmax 是指在导通状态下,当输入信号功率达到该值时,信号损耗会增加 1dB。在微波接触式开关中,输入信号的最大功率处理能力可能受到电弧和触点发热的限制。在固态开关中,开关功率的限制与半导体材料有源区的阻抗变化有关,该变化取决于瞬时电压(偏置电压和高频电压之和)。随着输入功率的增加,通过信号的非线性失真可能会增大。在空间应用中,射频开关、放大器和波导功率处理能力受限的一个原因是微放电效应,即二次电子发射,它可能导致设备故障。
微波开关的生命周期 :主要由开关区域的技术和功能布局决定。例如,在机电开关中,触点的耐磨性能可能取决于切换是在低输入射频功率水平(冷切换)还是高功率水平(热切换)下进行。固态开关的生命周期要长得多,关键参数不会有明显的退化。
信号群延迟 。
控制信号的类型、电平及极性 ,例如晶体管 - 晶体管逻辑(TTL)、发射极耦合逻辑(ECL)。
工作温度 :通常为 - 40°C 至 + 85°C。
无源互调(PIM)或无源互调失真 :是指在具有非线性的系统中,包含两个或更多不同频率的信号发生的不需要的幅度调制。PIM 产物是由铁磁材料、不同金属的结、金属 - 氧化物结、污染结和松动连接器引起的至少两个高功率信号混合的结果。测试无源器件时,典型的输入功率电平为 + 43dBm,如果允许的 PIM 为 - 120dBm,则产生的 PIM 电平为 - 163dBc。常见的三阶互调为 - 110dBc,低电平为 - 160dBc。
控制频率、功率、各种电路参数以及电路配置;
调制信号的相位、幅度和频率;
实现天线收发双工;
切换到备用(自动切换冗余)单元和数据传输通道;
控制天线阵列的波束形成、扫描方向及其他参数;
连接测试信号和测量设备以完成自动化测量;
对信号源、移相器、衰减器、延迟线进行数字控制;
将多种输入端口连接到多个输出端口中的任意一个端口。
其应用场景各不相同,例如在功率水平、频率、所需切换速度、同时切换电路的数量和配置、外部环境、控制信号以及封装形式等方面存在差异。因此,开关元件和技术种类繁多。
在微波领域,开关的开发需要考虑输入和输出线路或端口的信号参数(如功率、幅度、相位、噪声),这些参数会影响相邻单元在导通和关断状态下的功能(见图 1)。
图 1. 开关速度参数这些参数在开关从导通状态切换到关断状态,以及从关断状态切换到导通状态的过程中会发生变化。上升时间 Trise 是指射频信号从导通电平的 10% 上升到 90% 所需的时间。下降时间 Tfall 是指射频信号从导通电平的 90% 下降到 10% 所需的时间。导通时间 Ton 是指从控制脉冲的 50% 到导通电平的 90% 的时间间隔。关断时间 Toff 是指从控制脉冲的 50% 到导通电平的 10% 的时间间隔。理想的开关应具有零 Ton 和 Toff(即零延迟以及零上升和下降时间),除了在输出端对输入信号进行导通或关断控制外,不会对输入信号产生瞬态振荡或失真。
根据开关技术和开关结构的不同,导通和关断状态之间的瞬态间隔可能具有不理想的振荡特性。例如,在机械继电器开关中,输出信号边沿的时间位置相对于控制信号的边沿位置可能会以阻尼振荡的方式延迟。这主要由三个因素导致:
1)线圈中的电感延迟;
2)触点物理移动所需的时间;
3)射频触点的弹跳时间。
即使是最简单的微波单刀单掷(SPST)开关,也可能出现其他干扰现象。这归因于输入或输出对频率相关的射频反射的响应、开关时刻与振荡相位的不一致、高阶传输线模式的出现、电路 S 参数对入射功率水平的依赖、瞬态的振荡特性以及开关内部输入信号的非线性变换。
更复杂的开关在端口数量和位置上有所不同。对于多位置和矩阵开关,可以用多端口网络来描述,即:
(1)其中,[B] 和 [A] 分别是输出和输入电路的矩阵,[S] 是维度为 m×n 的散射(传输)矩阵,m 是输入端口的数量,n 是输出端口的数量。
公式(1)表示正弦信号通过具有已知入射和反射波参数的线性电路的理想化模型。在每个信号频率下,公式(1)中的矩阵系数由开关的配置、尺寸和内部结构决定。制造商通常会提供等效电路用于性能建模。为了评估高次谐波信号对信号频谱的影响,该等效电路应能较好地描述高于工作频率几倍的频率下的行为。
对于具有欧姆接触的开关,其导通状态下带宽的下限频率是直流(DC)。电容式开关不能通过直流。导通状态下的上限频率由引入传输损耗的寄生电路参数决定。在关断状态下,上限频率由寄生电容或隔离不良决定,寄生电容或隔离不良会导致输入和输出电路之间传输不需要的信号,同时还存在欧姆损耗。
大多数开关架构是互易的,其正向和反向传输特性相同;然而,一些开关型号,例如使用铁氧体或嵌入式放大器(即非互易元件)的开关,其输入和输出端口不能互换。
在大型开关矩阵中同时切换多个输入和输出端口时,需要确定各种初始状态、最终状态以及信号路径。为了减少给定组合的数量,通常会使用定制软件。
每个端口在导通和关断状态以及转换过程中的匹配条件变化非常重要,因为这可能会导致电路性能不佳。在这方面,开关电路可能会设计得较为复杂,以尽量减少开关瞬态的影响,并确保将匹配负载连接到开路端口。
开关的功率处理能力和使用寿命有限,这取决于开关原理、制造技术、材料以及应用场景。例如,在没有入射射频(即 “冷切换”)的情况下进行切换,对开关的压力较小,可靠性更高,生命周期更长;而增加切换电流会降低可靠性和缩短使用寿命。
射频、微波和毫米波开关具有多种特性、配置和结构组合。根据开关配置,可以分为双位置、多位置和矩阵开关。图 2 展示了不同的类型。其基本功能是接通和断开高频电流流过的电路触点。

图 2. 开关配置:单刀单掷(a)、双刀单掷(b)、单刀双掷(c)、双刀双掷(d);旋转转换 3x120 [1 - 2; 3 - 4; 5 - 6 或 2 - 3; 4 - 5; 1 - 6](e)、旋转三位置开关 [1 - 3 或 1 - 4; 2 - 3 或 2 - 4](f)以及单刀四掷(g)
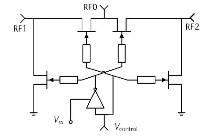
最简单的机械单刀单掷(SPST)开关有两个端子,可以连接或断开(见图 2a)。如果带有两个用于线圈的端子(如继电器),则总共有四个端子。当继电器未通电时,触点可以是常开或常闭的。增加一个输出端就变成了单刀双掷(SPDT)开关;一个输出端导通,另一个输出端关断(见图 2b)。这种结构可以扩展到任意数量的输出端口(即 SPNT),其中一个端口导通,其他端口关断。双刀双掷(DPDT)开关有两对端子(端口),相当于由单个线圈驱动的两个 SPST 开关或继电器(见图 2c)。旋转转换开关是双位置开关的一种变体,其转子能够在两个正交位置之一进行旋转定向,如图 2d 所示。在转子的第一个位置,端子(端口)1 和 2 以及 3 和 4 连接;在第二个位置,2 和 3 以及 1 和 4 连接。这种电路可用于插入或旁路放大器、改变天线在发射和接收(Tx/Rx)之间的连接,或者将两个微波发射器连接到两个备用天线。图 2e 所示的具有三个间隔为 + 120 度触点的类似电路适用于波导实现。为了增加 SPNT 开关的位置数量 N,可以组合更简单的电路(见图 3)。
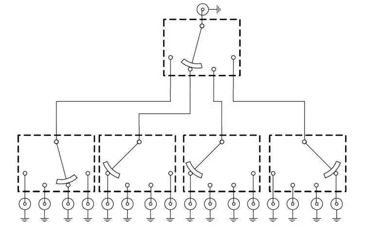
图 3. SP16T 扇出开关的电气框图开关可以通过机电(包括簧片)继电器、固态继电器、微机电系统(MEMS)、非互易(如铁氧体)元件实现,也可以手动操作或通过可编程电路实现。继电器是一种电动操作开关,用于需要用低功率信号控制高功率电路的场合。在机电继电器中,通过电磁铁和射频电路外部的机械机构实现连接 / 断开。簧片继电器中使用真空密封触点,借助外部静磁场实现连接 / 断开,其开关机构和射频导体是一体的。在固态继电器中,利用输入和输出端口之间的电阻来实现开关功能。这可以通过根据特定技术(如 PIN 二极管、砷化镓场效应晶体管)和特定电路结构连接(吸收式、反射式)改变半导体中的偏置电压来实现。在 MEMS 开关中,芯片表面形成一个微观的机械导电带,一端悬在触点上方。这个机械致动器在受控静电力的作用下移动,以连接输入和输出电路。通常,非互易铁氧体开关是指那些改变磁场方向的开关。手动控制的开关通常用于测量和校准设备中。对于可编程开关,其状态由数字控制单元的编码信号控制。
故障安全模式是指开关在施加驱动电压时切换到闭合位置,并且在电压移除时始终返回到预定位置。这通常通过驱动机构中的复位弹簧来实现。
锁存继电器有两个松弛(双稳态)状态。当驱动电压移除或中断时,开关保持在预选位置,直到施加电压使其移动到另一个位置。这可以通过磁性或机械锁存机构来实现。
常开(NO)或 “按钮接通” 模式是指开关的所有输出端口在施加电压以保持选定位置之前都与输入端口断开连接。电压移除后,开关返回开路位置。极化继电器在控制信号断开后保持在最后一个稳定位置。常闭(NC)或 “按钮断开” 模式可以根据电路状态来区分。同时具有这两种触点的开关称为转换开关。
终端匹配和非终端匹配的开关模式根据开路的负载情况不同而有所区别。终端匹配的开关在其结构中每个输出端口都包含一个内部匹配负载,确保在关断和导通状态下电压驻波比(VSWR)都较低(即导通状态的端口与连接电路匹配,关断状态的端口与内部负载匹配)。
自切断功能是指在开关动作后切断致动器电流。可以通过与致动器相连的串联触点或 IC 驱动电路来实现切断。此功能可将功耗降至最低。脉冲锁存有时用于描述不具备此功能的开关。
阻塞矩阵开关在输入和输出端都有开关。因此,每个输入信号都可以切换到一个单独的输出端口。阻塞开关矩阵的一个应用示例是无线电和天线系统,其中每个无线电设备都连接到一个特定的天线。如果应用需要一个输入同时连接到多个输出,则使用非阻塞矩阵。非阻塞开关矩阵用于多输入多输出(MIMO)收发器和卫星站接收器等应用中。
全扇入和 / 或全扇出矩阵的特点是具有与上游和下游端口的完整连接组合。矩阵的通道间串扰用于衡量高频信号从一个通道泄漏到另一个通道的程度。它是通道之间的杂散电容、互感和泄漏电阻共同作用的结果。
低功率、中功率和高功率开关根据切换功率的水平进行区分。
指示器用于告知系统开关所处的位置。指示器通常是一组与致动器相连的内部安装直流触点。
以下是一些重要的性能参数:
开关和矩阵的通用规范和测试方法在 MIL-DTL-55041 中进行了定义。
固态开关具有机电继电器的功能,但没有移动部件,从而提高了长期可靠性。固态开关还利用大规模半导体组装和自动化技术,降低了成本;并且它们占用的空间更小(晶体管处于微观级别),这有助于紧凑型系统的设计。
固态开关的特性在很大程度上取决于开关半导体元件的类型,例如正 - 本征 - 负(PIN)二极管、砷化镓(GaAs)或氮化镓(GaN)晶体管技术以及肖特基二极管。
开关信号的最高频率 fmax、功率处理能力和开关速度是决定其性能优势的主要工程参数。最高频率由半导体结构的特性决定。许多制造商用两个主要参数来表征固态开关的输入微波信号功率 Pmax:P1dB 和 PIP3。P1dB 是指传输函数相对于小信号值下降 1dB 时的输入功率。PIP3 是指两个等电平正弦信号 f1 和 f2 之和形式的测试信号的高频功率,在该功率下,输出中不需要的三阶组合产物(2f1 - f2 和 f1 - 2f2)的电平等于频率为 f1 和 f2 的信号电平。PIP3 的值越高,表明开关在导通状态下处理更高输入功率且输出失真更小的能力越强。PIN 二极管开关的 PIP3 值比 P1dB 高 5 至 10dB。场效应砷化镓晶体管可将这一差值提高到 20 至 25dB。
图 4. 各种开关配置示意图:串联(a)、并联(b)和串并联(c)固态开关可以串联、并联或组合连接(见图 4),这些器件的电阻会根据偏置情况达到最大值或最小值。许多制造商都提供射频、微波和毫米波范围内的固态开关和矩阵。
使用 PIN 二极管的开关设计可以采用并联、串联或复合拓扑结构。在射频及更高频率下,无论是采用并联还是串联方式,单个 PIN 二极管通常很难实现超过 40dB 的隔离度。PIN 二极管可以设计用于高功率(几十到几百瓦)和多倍频程带宽的应用;然而,其代价是更高的损耗和更低的隔离度。
表 1 展示了一些采用 PIN 二极管技术的开关型号的典型参数。

图 5. PIN 单刀 24 掷开关型号 PSW24 - 0618 - 13 - 11(图片由 Paciwave Inc. 提供)它们在物理结构、架构(例如从单刀单掷到单刀 36 掷)、工作频率(0.1 至 40GHz)、吸收式与反射式配置、功率处理能力和开关时间等方面存在差异。图 5 展示了一款 6 至 18GHz 的 PIN 二极管单刀 24 掷开关的外观。它的隔离度为 60dB,插入损耗为 10dB,开关速度为 30ns,平均功率处理能力为 100mW,峰值功率为 2W。
图 6. 场效应晶体管开关的典型框图开关场效应晶体管(FET)是一种三端口器件(见图 6),源极和漏极端口之间的通道形成射频信号的传导路径,栅极端口控制信号是否通过。在栅极和通道之间施加直流控制电压即可实现此功能。与 PIN 二极管开关相比,场效应晶体管开关的带宽相对较窄、功率水平较低(小于 1W)、损耗更低(小于 0.8dB)且隔离度更高。
固态开关制造商采用专利解决方案来设计驱动器(用于将 TTL 或 CMOS 输入电压转换为砷化镓场效应晶体管开关所需的互补驱动信号的逻辑电路,以达到合适的工作速度)。砷化镓场效应晶体管驱动电路中有三个基本元件:TTL 输入缓冲部分、电压转换器和互补输出缓冲级(见图 7)。独立的驱动器 IC 能够使性能与需求相匹配,例如实现控制特性的线性化。嵌入 IC 的驱动器可实现最小尺寸和最低电流消耗。
图 7. 砷化镓场效应晶体管开关驱动器框图(图片由 M/A - COM 微电子部门提供)表二展示了采用砷化镓技术的单片微波集成电路(MMIC)固态开关的一些参数。使用氮化镓技术的固态开关在高开关速度、高开关功率、良好的关断状态隔离以及低导通状态损耗方面具有很大的发展潜力。

“掌”握科技鲜闻 (微信搜索techsina或扫描左侧二维码关注)










