高级驾驶辅助系统 (ADAS) 的快速发展增加了实时数据处理的复杂性和需求,这需要高性能处理器来处理物体识别、传感器融合和决策等任务。这种复杂性的增加为电源管理方面带来了新的挑战。从车辆的电池(12V、24V 或 48V)开始,前置稳压器降低电池电压以向负载点 (PoL) 降压转换器馈电,从而为处理器提供实现最佳运行所需的精确电压。此外,该设计非常注重满足整个系统的功能安全要求,功率级对于满足这些要求起着至关重要的作用。
本文引用地址:
80V 双通道降压控制器LM5137F-Q1和6V、30A双相降压转换器TPS62883-Q1等解决方案能为高电流汽车处理器供电,同时帮助系统实现高达汽车安全完整性等级 (ASIL) D 的功能安全合规性。
可满足高达ASIL D的系统要求
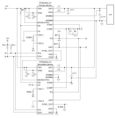
TPS62883-Q1是一款 TI 功能安全合规型 30A 降压转换器,根据国际标准化组织 (ISO) 26262 标准开发。该器件属于可扩展产品系列,提供引脚兼容选项,额定电流为 12A 至 30A,支持可堆叠架构以提供超过 100A 的负载,从而满足对更高电流需求不断增长的现代 ADAS 片上系统 (SoC) 的电源要求。图1展示了采用堆叠配置的两个 TPS62883-Q1 转换器。
图1 采用堆叠配置的两个TPS62883-Q1器件TPS62833-Q1 提供安全合规型内部监控功能,从而外部输出电压监控。此外,通过 I2C 改变输出电压可同时对输出电压控制环路和内部输出电压监控生效。该功能消除了动态或自适应电压调节期间输出电压监控中的盲点。通过 I2C 兼容接口进行的通信可受到循环冗余校验 (CRC) 保护,以便 MCU 可以检测并标记总线通信中的位错误。
此外,TPS62883-Q1 还可根据其热警告阈值提供警告,并在系统出现欠压或过压锁定等严重故障情况时进入安全状态。该器件还具有 nINT 故障引脚,可在发生故障时将信号发送给微控制器 (MCU),然后微控制器可以根据应用要求执行必要的操作。
改善ADAS处理器应用的负载瞬态响应
满足高电流要求并不是电源领域面临的唯一挑战。事实上,负载瞬态响应对于维持高性能处理器的可靠运行至关重要。处理需求的快速变化会导致功耗突然变化,从而导致电压下冲和过冲,进而可能触发故障。快速负载瞬态响应对于这些 SoC 的可靠运行至关重要。
SoC 为其每个电源电压指定一个定义的容差。内核电压轨是最重要的,这是因为电源电流的动态性较高,电压较低,容差为毫伏级。
负载瞬态的总预算取决于多种因素,如图2所示。通常,您需要一个较大的剩余窗口来支持负载瞬态电压偏差,因为这允许使用较低的输出电容。TPS62883-Q1 具有 ±0.5% 的直流输出电压精度和内部电压监控功能,可消除外部电压监控引入的额外容差。
图2 基于内核电源电压容差的负载瞬态预算TPS62883-Q1 还包含灵活的压降补偿,使您能够严格地根据设计要求定制压降行为。该功能根据输出电流来调节标称输出电压,从而使输出电压在零输出电流和最大输出电流之间线性调节。
如图3所示,在空载条件下,输出电压被设置为略高于其标称值,在最大负载条件下,输出电压被设置为略低于其标称值。因此,压降补偿有助于在重负载阶跃或负载释放时将输出电压保持在一定的容差范围内。
此外,与单相设计相比,TPS62883-Q1 的双相设计可提供更高的环路带宽和明显更低的输出电压纹波,从而为负载瞬态提供额外的余量。通过结合使用这些功能,您可以减小输出电容并满足严格的负载瞬态要求,同时降低成本和整体系统复杂性。
图3 随输出电流进行调节的电压为帮助您简化功能安全系统级认证,德州仪器提供业界通用报告和其他资源,包括功能安全时基故障率以及失效模式影响和诊断分析 (FMEDA) 等 IC 级文档。
结语
随着车辆向自动驾驶方向发展,ADAS 的复杂性不断显著增加,因此对应用处理器的功率需求也不断增加。同时,功能安全也至关重要,因为这些系统需要可靠,以供用户依赖。在可堆叠配置中使用 TPS62883-Q1 可实现超过 100A 的内核电源,并联使用时可帮助系统设计实现高达 ASIL D 的功能安全合规性。
“掌”握科技鲜闻 (微信搜索techsina或扫描左侧二维码关注)










