可靠的工业电子设备通常配备保护电路,以防止电源线路出现过压,从而保护电子设备免受损坏。过压现象可能在电源线路负载快速变化时发生,线路中的寄生电感可能导致高电压尖峰。这个问题可通过输入保护电路来解决,比如图1所示的采用ADI LTC4380的保护电路。在该电路中,功率开关M1位于电流传导路径上。当VIN时发生过压时,开关M1将在线性区域内工作,使其表现为欧姆区域的电阻,从而通过MOSFET M1上的压降来调节VOUT。这一机制可有效防止输出电压升高至过高水平,从而保护下游电子设备。然而,这种保护方法的有效时间是有限的,持续时间由开关M1的许可安全工作区(SOA)决定。如果功率MOSFET上的压降一直很高且持续时间超过了限制,MOSFET的温度将超过其最高温度阈值,可能导致器件损坏。LTC4380等集成电路内置了定时器,以防止过压情况的发生。定时器中设定了MOSFET在过压条件下在线性区域工作的时长,通常为数毫秒或数微秒。一旦设定时间结束,开关M1将完全断开,从而保护开关本身,但这也意味着系统的电源将被切断。
本文引用地址:
图1 采用线性浪涌保护器IC进行过压保护(简化电路)为了确保工业电子设备在任何情况下都能可靠运行并获得不间断电源,选择能够长时间耐受过压的解决方案至关重要。这包括考虑故障情形,例如电源线路连接错误可能会导致过压。通过选择能够应对这些情况的解决方案,电路可以可靠运行并避免电源电压中断。此类解决方案可通过图2所示的开关浪涌保护器来实现。
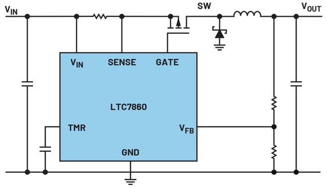
图2 无过压时间限制的开关过压保护电路(简化电路)在图2所示的电路中,除了浪涌保护器IC,还使用了电感和外部肖特基二极管。降压开关稳压器作为保护电路运行。然而,仅当输入电压超过设置的最大值时,该开关稳压器才会开始工作。此时间段内的工作通常不需要特别注重能效。简单的肖特基二极管可用作反激二极管。
图3 输入电压和输出电压对过压的响应(上图),以及高频范围内开关节点处的开关电压(下图)在图3中,蓝色显示输入电压响应。正常输入电压为16 V。大约2 ms时,过压达到40 V。红色显示输出电压随时间的变化。在VIN过压持续期间,开关DC-DC稳压器激活,将输出电压调节到16 V。绿色显示区域为开关节点电压(在MOSFET、肖特基二极管和电感之间的节点处)。
因此,如图1所示,过压保护电路可以采用线性设计,或者采用特殊的开关(降压)DC-DC稳压器,比如图2中的LTC7860。简单的降压开关稳压器不适合此应用,因为在这种情况下,N沟道MOSFET无法持续导通。
过压保护电路包括线性浪涌保护器和开关浪涌保护器IC。有了开关浪涌保护器,即使遭遇长时间过压,电路也能持续工作。这意味着即使过压持续很长时间,被供电电路仍持续受到保护并正常工作。
结论
越来越多的工业和仪表应用要求使用精密转换器来实现各种工艺的精确控制与测量。此外,这些最终应用还要求更高的灵活性、可靠性和功能集,同时降低成本和电路板面积。元件制造商正在解决这些难题,并推出了一系列产品来满足系统设计人员对当前与未来设计的要求。如本文所述,有多种途径可选择合适的元件用于精密应用,每一种都各有优缺点。随着系统精度的提高,人们需要更加注重合适元件的选择,以满足应用要求。
作者简介
Frederik Dostal是一名拥有20多年行业经验的电源管理专家。他曾就读于德国埃尔兰根大学微电子学专业,并于2001年加入National Semiconductor公司,担任现场应用工程师,帮助客户在项目中实施电源管理解决方案,进而积累了不少经验。在此期间,他还在美国亚利桑那州凤凰城工作了4年,担任应用工程师,负责开关模式电源产品。他于2009年加入ADI公司,先后担任多个产品线和欧洲技术支持职位,具备广泛的设计和应用知识,目前担任电源管理专家。Frederik在ADI的德国慕尼黑分公司工作。
“掌”握科技鲜闻 (微信搜索techsina或扫描左侧二维码关注)










