纳芯微近日宣布推出集成晶振与多种保护、支持软启动的全桥变压器驱动NSIP3266,可广泛应用于汽车车载充电机(OBC)、牵引逆变器及充电桩、光伏发电和储能、服务器电源等系统中的隔离驱动供电电路。NSIP3266支持宽范围输入的全桥拓扑,同时凭借巧妙的引脚和功能设计,极大简化了隔离驱动供电电路设计,为系统制造商优化系统电路,缩短产品上市时间提供便利。
本文引用地址:
当前高压系统中的隔离驱动供电有集中式、全分布式、半分布式三种架构形式。集中式架构只有一级电源,辅助电源输入电压为宽输入范围,需要闭环工作;同时变压器设计复杂,尤其是采用单个低成本隔离电源时,有多路输出负载调整率和长走线的问题,加大了系统设计和调试难度。
一种典型的采用单个隔离电源的集中式架构全分布式架构采用独立的隔离电源模块为隔离驱动供电的方式,优势是可以做到对隔离驱动1对1的供电和针对性保护,但是需配置对应数量的隔离电源模块,系统成本较高。
一种典型的采用多个隔离电源模块的全分布式架构半分布式架构采用均衡的策略,通过两级辅助电源架构,第一级使用宽输入电压范围的器件生成稳压轨,第二级可以简洁的开环形式,使用其他器件为隔离驱动提供隔离电源供电。半分布式架构因在设计相对简洁的基础上,兼顾了系统成本、性能和保护需求,因此正受到越来越多工程师的青睐。
一种典型的采用两级辅助电源的半分布式架构全桥拓扑精简电路设计
纳芯微全桥变压器驱动NSIP3266专为隔离驱动供电的半分布式架构而设计,半分布式架构的常见拓扑选择包括推挽,LLC和全桥等。NSIP3266采用全桥拓扑,相较其他方案,全桥拓扑原理简单,变压器结构无需中心抽头,工作原理不涉及外部L和C的设计选型,外围BOM往往最少。与此同时,全桥拓扑对变压器设计,包括漏感和寄生的包容度也较高,可节省工程师系统设计和调试的精力。
NSIP3266采用全桥拓扑设计巧妙设计释放MCU资源
值得一提的是,NSIP3266通过内部集成的晶振电路和RT引脚设计,使得工程师仅需外接电阻即可完成开关频率配置,实现了对MCU控制的解耦,布局更加灵活,同时在MCU故障时依然能够安全供电,促进了更高的系统安全;除此之外,NSIP3266自带的软启动功能也省去了MCU的控制需求,在无需配合MCU域走线的同时,节省了副边限流电阻,大大简化了布板设计,提升了架构灵活度。
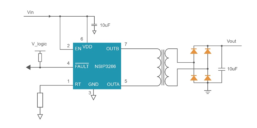
采用NSIP3266进行设计的典型隔离驱动供电电路支持宽压输入和全面的保护功能
NSIP3266支持6.5V~26V的宽工作电压,系统电路中不需要额外增加TVS保护管,允许工程师更加灵活地选择前级电源。此外NSIP3266提供诸多保护功能,包括欠压保护、过流保护、过温保护等,全面的保护功能使得工程师能够聚焦于系统核心功能的优化与创新,快速高效地进行系统设计并满足可靠性要求。
封装和选型
NSIP3266提供EP-MSOP8封装(3.0 x 3.0mm x 0.65mm,带散热焊盘),工规版本NSIP3266-D和满足AEC-Q100要求的车规版本NSIP3266-Q1将于2025年上半年陆续量产。可联系纳芯微销售团队咨询产品详情或进行样片申请。
丰富的隔离产品满足多元需求
凭借在隔离技术方面的积累和领先优势,纳芯微提供涵盖数字隔离器、隔离采样、隔离接口、隔离电源、隔离驱动等一系列隔离及“隔离+”产品。NSIP3266是纳芯微隔离电源系列的全新成员,纳芯微亦提供其他高性价比与高性能高集成度的产品选择,包括推挽式变压器驱动NSIP605x系列;集成了变压器和多通道数字隔离器的NSIP88/89xx系列和NIRSP31x系列;以及集成了变压器和隔离接口的隔离式RS485收发器NSIP83086,和隔离式CAN收发器NSIP1042。纳芯微全面的“隔离+”产品布局可满足各种类型客户多样化的系统设计需要,为不同客户提供一站式的芯片解决方案。
“掌”握科技鲜闻 (微信搜索techsina或扫描左侧二维码关注)










