01 Part
本文引用地址:
LISN是什么?
人工电源网络简称LISN(Line impedance stabilization network)或AMN(Artificial Mains Network)是传导电压骚扰测量的主要工具。在传导骚扰电压测试布置中,待测物的电源供电端连接到LISN的电源输出,LISN的电源输入连接到电网,LISN的射频输出连接到EMI测量接收机,如图1所示。
图1 传导骚扰电压测试方框图在传导骚扰电压测试中,LISN主要有以下作用:
提供待测设备(DUT)的供电(AC/DC)
将待测设备(DUT)产生的骚扰电压耦合到测量接收机
提供稳定的输入阻抗作为测量标准
具有滤波功能,防止电网与待测物(DUT)之间的相互干扰
02Part
LISN 如何分类?
常见的LISN可以分为两类: V型LISN和Δ型LISN 。用户需要根据自己的产品测试需求来选择对应的LISN类型。
V型LISN:
模拟阻抗为50Ω的人工电源网络,用来测量非对称电压(Unsymmetrical Voltage),即每根导线或端子与规定的接地基准之间的射频骚扰电压。由于每根导线或端子都会流过共模与差模电流,所以测量的结果并不区分差模电压或者共模电压,结果是两种干扰的矢量叠加。如果需要使用V型LISN进行差模或者共模干扰的测试,需要借助额外的差共模分离装置,比如Schwarzbeck的CMDM 8700。
Δ型LISN:
模拟阻抗为150Ω的人工电源网络,用来测量对称电压(Symmetrical Voltage),即两根导线或端子之间的射频骚扰电压(差模电压);也可测量不对称电压(Asymmetrical Voltage),即两根导线的电气中点与参考地之间的射频骚扰电压(共模电压)。所以Δ型LISN是可以直接输出差模或者共模干扰信号的。除此以外,还可以兼顾V型LISN的功能,用来测量非对称电压(Unsymmetrical Voltage),但是模拟的阻抗值仍然是150Ω。
图2 V型LISN和Δ型LISN两种不同类型LISN中,V型LISN是应用最广泛的, V型LISN按阻抗和应用的不同分为两类:
-电感为5μH 的V型LISN:满足标准CISPR 16-1-2、 CISPR 25、 ISO 7637以及DO160的要求,主要用于汽车、船只和飞行器电子零部件的EMI测量,如R&S ESH3-Z6(图3)。
图3 R&S ESH3-Z6-电感为50μH 的V型LISN:满足标准CISPR 16-1-2、 MIL STD 461 以及 ANSI C63.4的要求,主要用于消费及军用电子产品的EMI测量,如R&S ENV216(图4)。
图4 R&S ENV216而Δ型LISN目前主要是应用在产品标准CISPR 11中针对并网电源转换器类产品的DC输入端口进行骚扰电压测试,比如常见的光伏并网逆变器等,Schwarzbeck的 PVDC 8300(图5)就是典型的Δ型LISN。由于CISPR 11只要求这类产品的DC端测试需要使用Δ型LISN,因此也称之为DC-AN。
图5 Schwarzbeck PVDC 8300
图 6 CISPR 11 中针对并网类电源的测试布置因此LISN的分类归纳总结如下图:
图 7 LISN 分类归纳图03Part
LISN为什么会引起电网跳闸?
在使用LISN的过程中,当LISN连接到交流电网时,会触发所在线路漏电保护器而导致跳闸,因而无法正常进行传导骚扰测试。
这是由于LISN的结构比较特殊,致使所在回路的漏电流达到几百毫安或更高(特别是接入电网的瞬间),远远超出了漏电保护装置的阈值(一般为30mA),因此引起漏电保护装置跳闸是正常的。所以无论在LISN机壳标签或者说明书中都有漏电流过大的说明,例如在R&S ENV216产品的背面有大漏电流的警告说明,警示用户安装LISN时要注意接地保护的处理。
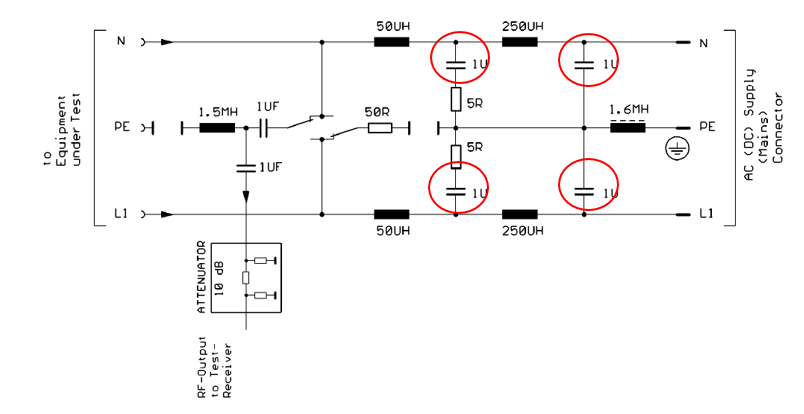
图 8 ENV216 漏电流警告说明那LISN上的漏电流是怎样形成的呢?
我们可以参考图9中的R&S ENV216的电路图,相线L或中线N都有对参考接地跨接的电容,与电感组合一起形成典型的低通滤波器,从而对来自电网和DUT的高频干扰进行滤波。由于这些电容的容量较大,在电网工作频率50Hz时候的阻抗会变小,产生对地的漏电流因此就会增加。
理论上漏电流可以用公式 I= U/Z来计算,U是电网电压,Z为相线对地的阻抗值,这里我们只考虑电容的容抗值,因此Z可用

来表示,其中ω= 2πf,f = 50Hz。 通过计算可以得到理论上如果要使漏电流I小于漏电保护装置的阈值30mA,回路对地的总电容应至少要小于0.43μF,这还是在不考虑工频的谐波分量的情况下。 但由于LISN需要模拟标准要求的阻抗和达到相应的滤波要求,电容的设计值会远大于该计算值(可参考CISPR 16-1-2 附录A的要求),所以LSIN对地的大漏电流是无法避免的。
图9 R&S ENV216电路原理图那如何解决漏电保护器跳闸的问题呢?可以从两方面考虑去改造电网:
①拆除漏电保护装置:
拆除漏电保护装置是最简单直接的办法,实际就是对回路中存在的漏电流不作任何处理。一些EMC实验室会在特殊的试验场地把漏电保护装置去掉。这样一来即使有非常大的漏电流,也可以正常使用LISN。
优点:
◎ 操作简单,方便 。
◎ 成本低 ,因无需使用额外的设备。
缺点:
有安全隐患 。当电器出现故障的时候,操作人员得不到保护,同时没有漏电保护装置也不符合实验楼的电气安全规定。
②采用隔离变压器:
使用隔离变压器,目的是隔离实际测试回路和电网回路。我们可在LISN与电网直接添加一个隔离变压器,由于变压器的初级(电网)和次级(LISN)在电气上是隔离的,这样就形成了两个完全独立的回路,LISN所在回路产生的漏电流不会通过漏电保护装置的回路,也就无法让其触发。
图10 传导骚扰电压测试方框图(接隔离变压器)优点:
◎ 安全性好。 首先电网的漏电保护装置依然能够起到保护作用,其次隔离变压器的初级与次级是电气隔离的,次级(LISN)的相线和中线对地的电位差都是零,只要操作人员不同时去触碰相线和中线,就不会导致触电事故。
◎ 电压可调节。 除了1:1的规格,用户还可以使用电压可调的隔离变压器,方便测量不同电压的产品。
04Part
LISN如何接地?
接地是LISN安装过程中比较重要的环节,接地不良会使测试引入较大的不确定度,导致测试结果失准。一般来说,由于大楼的地线是供所有室内电子设备使用的, EMC实验室的地线要与其独立分开,以避免测试时从地线引入干扰。
先简单说明一下EMC实验室地线的架设。EMC实验室的地线一般是将镀锌材料的扁钢,或组成网状的镀锌钢管埋入地中(要求面积至少大于2平方米),深度应大于2米,然后以盐水浇注,引出至实验室的地线应至少采用截面积为35平方毫米的铜线,或者是大面积的铜排。这样实验室的接地电阻一般会小于2Ω,中国合格评定国家认可委员会CNAS对EMC屏蔽室的接地电阻要求是小于4Ω。
在LISN接地之前,首先要分清楚LISN上接地端子的定义,LISN一般会有两类接地端子,分别是参考接地端和保护接地端。良好的参考端接地能够保证测量结果的准确性,而保护接地是为了确保操作人员的人身安全。以R&S ENV216为例,侧面接地端是参考接地端子,而背面的接地端是保护接地端子,如图11所示。
保护接地端子是作为电源接地的一个补充,由于LISN的漏电流较大,如果电源输入端存在类似接地不良的情况,操作人员就有触电的可能性,额外的保护接地能够有效地保障操作人员的安全。如图12所示,当LISN的输入地线意外断开时,外壳对地会有115V的电压差,当人的一只手触碰LISN外壳,另外一只手触碰到接地点时,考虑到人体的电阻大约为1300Ω,那么就会有足够大的电流流过人的身体,危害到人的生命。
图11 R&S ENV216的两种接地端子
图12 由于地线意外断开造成的人员触电按测试系统布置的要求,LISN通常直接与金属参考板相连,可以任意选择与水平参考板或者垂直参考板相连接,如图13所示。
图13 传导测试系统中的LISN 接地那LISN和金属接地板应该如何连接呢?
其实连接的方法有很多种,但都要确保LISN参考接地端子与金属接地板之间的电阻(直流电阻)尽量小,根据美国国家标准ANSI C63.4的要求,该接地电阻要求小于2.5mΩ。
为了保证小的接地电阻,必须要加大接地的面积,图14是R&S ENV216的接地连接案例,以L型的铜板开孔,分别在LISN和金属板打上螺丝钉来加固,这样LISN和接地金属板都能够完全的紧贴L型铜板,具有良好的接地效果。
图14 R&S ENV216参考接地05Part
LISN 有什么具体的参数要求?
根据标准 CISPR 16-1-2的要求,LISN 作为传导骚扰电压测试的传感器必须要满足以下参数要求,这些列出的指标应该在计量报告中体现,具体如表1所示。

表1 CISPR 16-1-2 对LISN的参数要求
LISN 的计量除了串联压降一项要使用万用表以外,其余的所有项目都可以通过矢量网络分析仪来完成。由于LISN的电器接口并不能够连接到矢量网络分析仪进行测试,因此需要特定的夹具将接电端子转成同轴端口,如图15 中的R&S EZ-28夹具便可以LISN计量的要求,配合矢量网络分析仪(如R&S ZNB系列)可轻松应对LISN的计量任务。
图 15 R&S EZ-28 LISN 计量夹具结语
作为EMC测量最基础的项目之一,传导骚扰电压测试应用是非常普遍的。用户在配置测试系统时,要根据自己的测量分析对象及测量频率来选择正确的LISN类型,如V型和Δ型的选择、或者V型中电感为5μH和50μH的选择。用户也可以参考测试规范来确定LISN的选型,如规范CISPR 16-1-2,CISPR 25和MIL-STD 461等。
在安装使用LISN过程中,由于它的特殊结构会产生较大的漏电流,从而需要进行电网改造。LISN的接地也是需要重点关注的,安全接地能够确保操作人员的人身安全,良好的参考接地则保证了测试的准确性。
“掌”握科技鲜闻 (微信搜索techsina或扫描左侧二维码关注)










