IT之家 8 月 25 日消息,继此前 DFI 友通 PTH171 / PTH173 主板曝光后,又有一款搭载英特尔 Panther Lake 处理器的主板被网友发现踪迹,这就是来自凌华 ADLINK 的 VNX-PL。

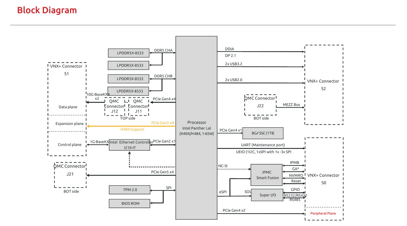
凌华 VNX-PL 主板属于军规加固级单板计算机,采用面向该特定领域的 VNX+ 板型,配备英特尔 Panther Lake H484 / H404 处理器,板载双通道 LPDDR5x-8533 内存(16GB 或 32GB 容量,正反双贴)和 1TB 的 BGA 形式 PCIe Gen4 ×1 固态硬盘。

该主板配备 1 个基于英特尔 i210-IT 的千兆背板控制网口,提供 1 组 PCIe Gen4 ×4 接口、1 组 PCIe Gen5 ×8、1 组 PCIe Gen4 ×2,此外还有 1 个 DisplayPort 2.1、2 个 USB 3.2。
新浪科技公众号
“掌”握科技鲜闻 (微信搜索techsina或扫描左侧二维码关注)










