接地环路会降低电路性能,毁了你的一天。请遵循以下建议,防止在使用模拟和数字元件的电路中发生此类问题。
典型的混合信号系统——由数字逻辑和模拟电路组成的系统——使用多个电源。典型电压包括逻辑电路的+5伏直流、+3.3伏直流和/或+1.8伏直流,模拟电路则为±15伏直流、±12伏直流、+5伏直流和/或+3.3伏直流。所有这些直流电源都通过有电电路与电源的公共或接地回路连接。返回路径连接不当可能导致接地环路,进而引入噪声、测量误差和电磁干扰。
这里有一个假设的例子。图1展示了一个表示简单数据采集系统(DAS)的框图。有运算放大器和模拟开关处理输入的模拟信号。模拟转数字转换器(ADC)负责信号数字化,而数字转模拟转换器(DAC)则提供数字化数据的回读。数字逻辑部分使用微处理器和简单的逻辑器件来控制模拟开关和ADC/DAC,并提供额外的数字输入输出功能。
图1。通用的简化数据采集系统由ADC、DAC、模拟开关和数字逻辑电路组成。模拟电路的电源来自±12伏直流(模拟)和+5伏直流(模拟)电源。数字电路的电源来自+5伏直流(数字)和+3.3伏直流(数字)电源。虽然本框图及后续图示中未显示,但请记住,正确使用电容从电源轨到合适接地线的解耦至关重要。
通常,你会把电容尽可能靠近它们各自的设备。你选择电容器的值和类型是根据电流随时间的变化速率(di/dt)来决定的。例如,你可以用一个10 μF的电解电容器,与一个0.1 μF的陶瓷电容器从电源到地线并联。电解电容器在音频和低无线电频率下电抗较低,但在高频时,它开始呈现感性特征,因此整体阻抗增加。这就是为什么你需要加陶瓷电容:它在高频下的性能要好得多。
我画了一个框图,显示所有电路的公共/接地用一个公共接地符号表示。对于PC板的布局,你会如何创建DAS的接地路径或走线?你可以用空间允许的铜线做一个巨大的接地平面,然后把任何接地(电源回流或负载接地)都接到接地平面上。你也可以从电路的每个部分拉线到具体的电源。模拟输入和数字输出的公共/接地连接怎么办?你可以把与模拟信号相关的地线连接到靠近运放电路的一点,或者连接到非常靠近模拟电源的点。如果模拟传感器(信号源)在传感器处也有本地接地连接,而这些连接距离DAS有一定距离呢?
一旦你弄清楚了,就得决定如何处理ADC的接地连接。请注意,它同时由模拟和数字电源供电。一些ADC在硅芯片上将模拟地和数字地结合在一起。对于其他应用说明,设计工程师在ADC封装处将两个接地连接起来。然后,模拟和数字电源的负极连接(直流回路)应是ADC与电源之间的隔离连接,以确保它们仅在ADC处接地。
这时你可能会意识到,由于DAS中还有其他电路块由多个电源供电,决定如何在ADC和数字电路之间布置地线变得复杂。你很可能会发现,各种接地线中的电流流动会产生电压(I-R)下降,从而引发问题。例如,如果信号地线和+5伏直流数字电源的地线混合,即使模拟信号实际上没有变化,也会有显著的明显变化。这是由于数字电路电流消耗的持续波动以及铜制PC板走线中相应的I-R降率所致。请记住,如果我们DAS中的ADC位数较大(即LSB在微伏或纳伏数量级),接地参考信号中的微小电压扰动就会导致问题。
为了更好地理解电源和接地问题,我们先画一个简化的电源和接地连接图(见图2)。我们将使用上述部分电源(±12伏直流模拟,+5伏直流模拟,+5伏直流数字,以及+3.3伏直流数字)。我们将展示直流电源的各种接地/回路、传感器输入以及内部子系统之间的连接,以跟踪电流流动。

图2。这表示电路的公共或接地连接,有助于可视化可能的接地电流路径。为了清晰起见,数字逻辑部分省略了(而且这目前是我们最不关心的事)。
图2中的呼号代表了一些可能的接地连接。我们假设连接 #1b 是模拟电路中固定的公共连接积分。并非所有其他连接都会出现;作为设计工程师,你的任务是决定哪些要保留,具体如何排列它们。例如,我们可以将所有电源的公共(回流)连接与#1和#2连接在电源附近,假设它们物理上很近。但在 ADC 旁边或内部的 #4 处还有一个绑定连接。这会产生多径连接,在较小程度上也会产生环路。环路可能会辐射或接收系统其他部位的磁场,这可能会带来问题。多条路径肯定会导致在未定义的电阻或阻抗上出现中路-反共降,而这些降级具有一定的不可预测性。
同样,我们可以省略#1和#2连接,只使用#4连接。这会强制模拟电路的电源电流流经连接#3,这也是输入ADC的模拟信号的共用电路。同样,我们可以预期红外线下降具有不可预测性质。例如,电源电流消耗的变化会增加到接地参考的模拟信号,这显然会带来问题。
如果模拟传感器(我们假设它们距离DAS有一定距离)与地面(#6a)和DAS电路有连接,且连接 #1b,则不确定性会更大。如果电源的共用连接连接到地线(#1a),可能存在更多阻抗不确定的电流路径。
显然,我们需要找到简化和组织这些接地连接的方法,以获得预期的性能。
我们需要探讨一些方法来缓解由不可预测的地面电流引起的问题。
我们先从一些简化开始,虽然我们可能需要先把事情复杂化,然后再简化。首先,让我们在PC板上的模拟电路周围布置一个巨大的地平面。然后我们可以把传感器的#5接地连接到运算放大器附近的接地平面,处理传感器信号。见图3,是第一部分图2的重复。#2 接地线断了。

图3。这表示电路的公共或接地连接,有助于可视化可能的接地电流路径。为了清晰起见,数字逻辑部分省略了。重复第一部分的内容,但数字和模拟电路接地分开。
对于该运放电路,鉴于它由双电源(±12伏直流电)供电,理论上不会有供电电流流入地。实际上,由于运放电源线将电容与地线解耦,以及(2)运放输出与地之间的阻抗网络,会有一些阻抗。你可以把这些接地线通过不同的走线(而不是地平面)引导回PC板上±12V进入板子的那个点。这样可以最大限度地减少接地平面的电压干扰,但也存在权衡。我们为(1)和(2)项添加的这些独立地线的电感并非简单,可能会带来意想不到的问题。这些问题包括运放输出信号的振铃(如果是高带宽器件)或寄生振荡。因此,把(1)和(2)项退回地面平面可能更安全。
对于连接到我们PC板的两个模拟电源(±12伏直流和+5伏直流),它们的回流线(±12伏AN_RTN和+5伏AN_RTN)应仅在一个点连接在一起,该点应位于上述描述的接地平面。
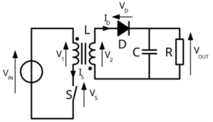
考虑到一些接地问题,我们先不做进一步,直到考虑电力(非接地)布线。如果有多块PC板相距较远,导致两个模拟电源无法实现单点回波,你可能需要添加一个隔离的直流对直流电源(电路或模块)来帮助隔离电源返回连接。事实上,如果你这样做,可以把模拟电源改成一个正电压电源。你可以简单地分配+12、+24或+48伏直流电压,并在每个模拟PC板上使用(例如)低功耗反冲逆变拓扑(见图4)来产生所有必要的电压。这样可以提供隔离以及多种电压和极性。这样做可以让电源返回连接非常接近模拟电路的电流。
图4。变压器隔离V。在以及VOUT,有助于防止电力传输电路中的。(图片来源:维基百科)
仔细观察传感器和处理信号的模拟电路。回想图1中那个讨厌的#6和 #6a(多重)接地。如果可能的话,将传感器与任何接地连接隔离开来。不要在它们的远程位置接地任何传感器连接。
如果传感器是双端子器件,比如热敏电阻、光电池、4-20 mA器件、感性近炸器件、压电器件等,你就可以把它看作是一个隔离的差分信号。因此,你可以通过屏蔽的双绞线电缆将两个端子连接到DAS。只把那个屏蔽接到DAS接地平面,但传感器附近的端端保持不连接,否则会产生接地环路。确保传感器信号(大部分)无噪声,并用真正的差分输入放大器处理其输出。使用仪表放大器,而不仅仅是配置了差分输入的运算放大器。[1]有多篇文章解释了这两者的区别,并详细说明了可能出现的问题。[2]差速放大器问题的简短版本:偏置电流和输入阻抗在(+)和(–)输入时并不相同。见图5,比较了这两种放大器的拓扑结构。
图5 传感器连接到仪器放大器的+INPUT和–INPUT(b)。不要像(a)所示使用差分输入单运算放大器。你会后悔的。部分传感器在外壳中集成了有源电路;连接方式可能包括电源、地线和信号。此时信号为“单端”,而非之前描述的双线差分版本。也可以用类似的方式处理,有时称为伪差分。示例见图6。这是一种带有内置场效应管放大器的电驻极体麦克风。它需要电源和地线,输出只有一个接口。我们可以用一根双绞线连接±输出,分别用+5伏直流模拟线和+5伏电压AN_RTN线,并像图中那样连接一个屏蔽。
对于数字线路,如果数字电路的一部分(比如远程模块)由隔离电源供电,它们很可能可以共享共用接地而不会造成问题。如果数字电路没有从隔离电源供电,你可以通过插入数字隔离器来断开与控制线相关的接地连接。此类设备采用多种技术,如光学(LED + 光电二极管)、交流电(调制器+变压器+解调器)、磁性(电磁+霍尔效应传感器)或电容性(调制器+电容+解调器)。
图6 这是一种伪差分输出配置,用于传感器示例,带有集成放大器,由外部电源供电。图6展示了该装置的中立版本,并带有隔离器设备的通用符号。请注意,这些隔离器设备包含有源电子元件,因此需要各自的电源和接地连接。
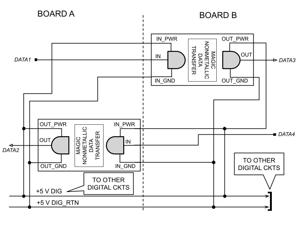
对于从A板接收数据线的隔离器,该设备有从A板引入的电源和接地连接。因此,使用三根线或PC板线:电源线、地线和数据线。数据是相对于相同的地面传输功率的数字信号。与之前描述的模拟信号不同,少量的地电流或噪声不应引起信号完整性问题。
图7 这里有一种建议方法,用于最小化数字逻辑信号传输中的误差。如果接地电流过大,就会发生错误,导致“接地弹跳”。对于从板B(方向相反)接收A板上数据线的隔离器,该设备有从B板引入的电源和接地连接。同样,使用三根线或PC主板线路。
请记住,显著的电流消耗或快速变化的电流(数字系统中常见)可能会使地电位相对于电源处的接地电位移动(接地反弹)。如前所述,正确使用旁路电容对于减少这种状况至关重要。
如果你遵循这些通用指南,成功率会更高,也不需要多次迭代的电脑主板布局。
“掌”握科技鲜闻 (微信搜索techsina或扫描左侧二维码关注)










