1. 布线优先次序
关键信号线优先:电源、摸拟小信号、高速信号、时钟信号和同步信号等关
键信号优先布线。
密度优先原则:从单板上连接关系最复杂的器件着手布线。从单板上连线最密集的区域开始布线。
2. 自动布线
在布线质量满足设计要求的情况下,可使用自动布线器以提高工作效率,在
自动布线前应完成以下准备工作:
自动布线控制文件(do file)为了更好地控制布线质量,一般在运行前要详细定义布线规则,这些规则可以在软件的图形界面内进行定义,但软件提供了更好的控制方法,即针对设计情况,写出自动布线控制文件(do file),软件在该文件控制下运行。
3.尽量为时钟信号、高频信号、敏感信号等关键信号提供专门的布线层,并保证其最小的回路面积。必要时应采取手工优先布线、 屏蔽和加大安全间距等方法。保证信号质量。
4. 电源层和地层之间的 EMC 环境较差,应避免布置对干扰敏感的信号。
5. 有阻抗控制要求的网络应布置在阻抗控制层上。
6. 进行 PCB 设计时应该遵循的规则
1) 地线回路规则:
环路最小规则,即信号线与其回路构成的环面积要尽可能小,环面积越小,
对外的辐射越少,接收外界的干扰也越小。针对这一规则,在地平面分割时,要考虑到地平面与重要信号走线的分布,防止由于地平面开槽等带来的问题;在双层板设计中, 在为电源留下足够空间的情况下, 应该将留下的部分用参考地填充,且增加一些必要的孔,将双面地信号有效连接起来,对一些关键信号尽量采用地线隔离,对一些频率较高的设计,需特别考虑其地平面信号回路问题,建议采用多层板为宜。
2) 串扰控制:
串扰 (CrossTalk)是指 PCB 上不同网络之间因较长的平行布线引起的相互干扰, 主要是由于平行线间的分布电容和分布电感的作用。 克服串扰的主要措施是:
加大平行布线的间距,遵循 3W 规则。
在平行线间插入接地的隔离线。
减小布线层与地平面的距离。
3) 屏蔽保护
对应地线回路规则,实际上也是为了尽量减小信号的回路面积,多见于一些
比较重要的信号, 如时钟信号, 同步信号; 对一些特别重要, 频率特别高的信号,应该考虑采用铜轴电缆屏蔽结构设计,即将所布的线上下左右用地线隔离,而且还要考虑好如何有效的让屏蔽地与实际地平面有效结合。
4) 走线的方向控制规则:
即相邻层的走线方向成正交结构。 避免将不同的信号线在相邻层走成同一方
向,以减少不必要的层间窜扰;当由于板结构限制(如某些背板)难以避免出现该情况,特别是信号速率较高时,应考虑用地平面隔离各布线层,用地信号线隔离各信号线。

5) 走线的开环检查规则:
一般不允许出现一端浮空的布线(Dangling Line),主要是为了避免产生"天线效应",减少不必要的干扰辐射和接受,否则可能带来不可预知的结果。

6) 阻抗匹配检查规则:
同一网络的布线宽度应保持一致,线宽的变化会造成线路特性阻抗的不均匀,当传输的速度较高时会产生反射,在设计中应该尽量避免这种情况。在某些条件下,如接插件引出线,BGA 封装的引出线类似的结构时,可能无法避免线
宽的变化,应该尽量减少中间不一致部分的有效长度。
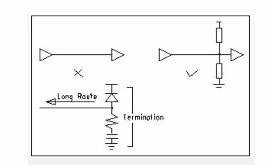
7) 走线终结网络规则:
在高速数字电路中, 当 PCB 布线的延迟时间大于信号上升时间 (或下降时间)的 1/4 时,该布线即可以看成传输线,为了保证信号的输入和输出阻抗与传输线的阻抗正确匹配,可以采用多种形式的匹配方法,所选择的匹配方法与网络的连接方式和布线的拓朴结构有关。
A. 对于点对点(一个输出对应一个输入)连接,可以选择始端串联匹配或终端
并联匹配。前者结构简单,成本低,但延迟较大。后者匹配效果好,但结构复杂,成本较高。
B. 对于点对多点(一个输出对应多个输出)连接,当网络的拓朴结构为菊花链
时,应选择终端并联匹配。当网络为星型结构时,可以参考点对点结构。
星形和菊花链为两种基本的拓扑结构, 其他结构可看成基本结构的变形, 可采
取一些灵活措施进行匹配。在实际操作中要兼顾成本、功耗和性能等因素,一般不追求完全匹配,只要将失配引起的反射等干扰限制在可接受的范围即可。

8) 走线闭环检查规则:
防止信号线在不同层间形成自环。在多层板设计中容易发生此类问题,自环
将引起辐射干扰。

9) 走线的分枝长度控制规则:
尽量控制分枝的长度,一般的要求是 Tdelay

10) 走线的谐振规则:
主要针对高频信号设计而言,即布线长度不得与其波长成整数倍关系,以免
产生谐振现象。

11) 走线长度控制规则:
即短线规则,在设计时应该尽量让布线长度尽量短,以减少由于走线过长带
来的干扰问题,特别是一些重要信号线,如时钟线,务必将其振荡器放在离器件很近的地方。对驱动多个器件的情况,应根据具体情况决定采用何种网络拓扑结构。

12) 倒角规则:
PCB 设计中应避免产生锐角和直角,以免产生不必要的辐射,同时工艺性能
也不好。

13) 器件去耦规则:
A. 在印制版上增加必要的去耦电容,滤除电源上的干扰信号,使电源信号稳定。在多层板中,对去藕电容的位置一般要求不太高,但对双层板,去耦电容的布局及电源的布线方式将直接影响到整个系统的稳定性,有时甚至关系到设计的成败。


B. 在双层板设计中,一般应该使电流先经过滤波电容滤波再供器件使用,同时
还要充分考虑到由于器件产生的电源噪声对下游的器件的影响,一般来说,采用总线结构设计比较好,在设计时,还要考虑到由于传输距离过长而带来的电压跌落给器件造成的影响,必要时增加一些电源滤波环路,避免产生电位差。
C. 在高速电路设计中,能否正确地使用去耦电容,关系到整个板的稳定性。
14) 器件布局分区/分层规则:
A. 主要是为了防止不同工作频率的模块之间的互相干扰,同时尽量缩短高频部
分的布线长度。通常将高频的部分布设在接口部分以减少布线长度,当然,这样的布局仍然要考虑到低频信号可能受到的干扰。同时还要考虑到高/低频部分地平面的分割问题,通常采用将二者的地分割,再在接口处单点相接。
B. 对混合电路,也有将模拟与数字电路分别布置在印制板的两面,分别使用不
同的层布线,中间用地层隔离的方式。

15) 孤立铜区控制规则:
孤立铜区的出现,将带来一些不可预知的问题,因此将孤立铜区与别的信号
相接,有助于改善信号质量,通常是将孤立铜区接地或删除。在实际的制作中,PCB 厂家将一些板的空置部分增加了一些铜箔,这主要是为了方便印制板加工,同时对防止印制板翘曲也有一定的作用。

孤立铜区的出现,将带来一些不可预知的问题,因此将孤立铜区与别的信号相接,有助于改善信号质量,

通常是将孤立铜区接地或删除。在实际的制作中,PCB厂家将一些板的空置部分增加了一些铜箔,这主要是为了方便印制板加工,同时对防止印制板翘曲也有一定的作用。
16) 电源与地线层的完整性规则:
对于导通孔密集的区域,要注意避免孔在电源和地层的挖空区域相互连接,
形成对平面层的分割,从而破坏平面层的完整性,并进而导致信号线在地层的回路面积增大。
17) 重叠电源与地线层规则:
不同电源层在空间上要避免重叠。主要是为了减少不同电源之间的干扰,特别是一些电压相差很大的电源之间,电源平面的重叠问题一定要设法避免,难以避免时可考虑中间隔地层。
18) 3W 规则:
为了减少线间串扰, 应保证线间距足够大, 当线中心间距不少于 3 倍线宽时,
则可保持 70%的电场不互相干扰, 称为 3W 规则。 如要达到 98%的电场不互相干扰,可使用 10W 的间距。

19) 20H 规则:
由于电源层与地层之间的电场是变化的,在板的边缘会向外辐射电磁干扰。
称为边沿效应。 解决的办法是将电源层内缩, 使得电场只在接地层的范围内传导。以一个 H(电源和地之间的介质厚度)为单位,若内缩 20H 则可以将 70%的电场限制在接地层边沿内;内缩 100H 则可以将 98%的电场限制在内。

20) 五、五规则:
印制板层数选择规则,即时钟频率到 5MHz 或脉冲上升时间小于 5ns,则 PCB
板须采用多层板,这是一般的规则,有的时候出于成本等因素的考虑,采用双层板结构时,这种情况下,最好将印制板的一面做为一个完整的地平面层。
“掌”握科技鲜闻 (微信搜索techsina或扫描左侧二维码关注)










