目标
本次实验旨在帮助了解二极管环形调制器的工作原理,探讨它的典型应用,并掌握生成双边带抑制载波(DSBSC)信号的基本方法。
材料
● ADALM2000主动学习模块
● 无焊试验板
● 四个100 Ω电阻
● 两个1 kΩ电阻
● 四个1N914二极管
● 两个三线并绕变压器(如有)
背景知识
在电子通信中,平衡调制器是用于生成DSBSC信号的电路。它能够抑制射频载波,使输出端仅保留和频与差频。输出波形缺少载波,但仍包含传统AM信号的所有信息,这样可以节省信号传输过程中的功耗。
最常见的平衡调制器之一是二极管环形调制器,也称为格型调制器。它由四个最初呈环形排列的二极管(因此得名)及输入和输出变压器组成。调制器有两个输入:一个单频载波和一个调制信号,后者可以是单频或复杂波形。载波施加于输入和输出变压器的中心抽头,调制信号施加于输入变压器的初级。然而,输出在输出变压器的次级端被测量。图1显示了两种不同电路方向的二极管环形调制器。
图1 二极管环形调制器二极管环形调制器是电子通信中使用最广泛的电路之一。除了生成DSBSC信号外,它还用于频率和相位调制系统及数字调制系统,例如PSK和QAM。
环形调制器中二极管的方向不得与二极管桥式整流器的方向混淆。它们可能呈现类似的环形,但环形调制器的所有二极管都朝顺时针或逆时针方向,而桥式整流器的二极管则朝左或右。
工作原理
二极管环形调制器中使用的二极管可以是硅二极管、硅肖特基势垒二极管或砷化镓二极管。这些二极管用作开关,控制输入信号是否以180°相位反转的方式通过。载波信号以高速率控制二极管的通断。务必明白,为使调制器正常工作,载波的幅度必须显著大于调制信号的幅度,通常需要高出约六到七倍。
图2 半周操作在正半周期间,D1和D2正偏导通,而D3和D4反偏开路。载波电流在输入变压器的次级中心抽头处均匀分配,并沿相反方向通过绕组的上半部分和下半部分。上部和下部的电流各自产生一个大小相等但方向相反的磁场。因此,所产生的磁场相互抵消,载波被抑制。结果,调制信号从输入变压器通过D1和D2传送到输出变压器,相位不反转。图2显示了调制器的正半周操作。
图3 半周操作图3展示了二极管环形调制器的负半周操作。二极管D1和D2反偏关断,而D3和D4正偏导通。同样的现象再次出现在载波电流上。它在输出变压器的初级均匀分配,两个电流产生大小相等但方向相反的磁场。这两个电流在输入变压器的次级合并,磁场相互抵消,载波被抑制。调制信号通过输入变压器并发生180°相位反转,然后到达输出变压器。
图4以时序图的形式显示了二极管环形调制器的波形。

图4 极管环形调制器波形:(a)调制信号,(b)载波信号,(c)输出变压器初级处的DSBSC信号,(d)滤波后的DSBSC波形
在二极管环形调制器的输出波形中,载波信号被抑制,输出由输入频率的和频与差频组成。这些RF脉冲以载波信号的频率为周期,复现调制信号的形状和幅度。理想情况下,载波信号会被完全抑制。但实际上,这种情况不会真正发生。输出信号总是会伴随一个小的载波分量,这被称为载波泄漏。这种现象由几个原因引起:其一,变压器的中心抽头位置不够精确;其二,二极管未完全匹配。
硬件设置
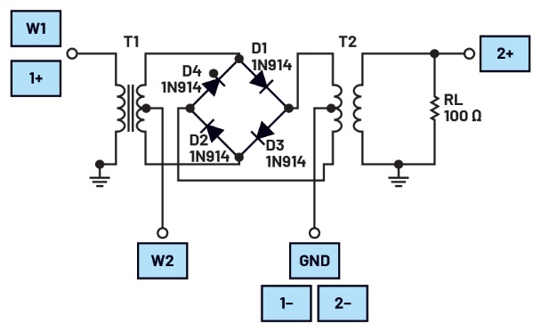
图5 极管环形调制器试验板电路在无焊试验板上构建图5所示的电路。使用1N914快速开关二极管搭建二极管环路。将W1设置为1 kHz正弦调制信号,其峰峰值幅度为1 V,将W2设置为10 kHz正弦载波,其峰峰值幅度为3 V。输入和输出变压器需要1:2的匝数比。您可以尝试其他变压器匝数比,并将输出结果加以比较。本实验需要一个采用HP3、HP4、HP5或HP6绕组布局的Hexa-Path Magnetics变压器。如果没有,您可以使用LTspice®仿真继续实验。
程序步骤
观察电路的输出波形。它应该类似于图6所示的仿真波形。
图6 DSBSC波形问题
1.改变输入和输出变压器的匝数比。观察并比较输出波形。
2.将电路中W1和W2的位置互换。将其与原始输出波形进行比较。输出波形发生了什么变化?
简化二极管环形调制器
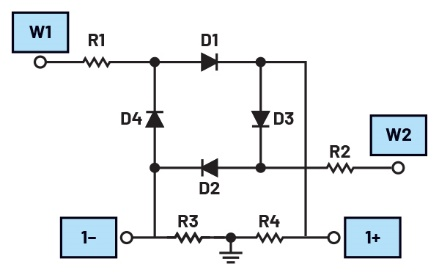
图7 简化的无变压器二极管环形调制器如图7所示,我们可以从传统二极管环形调制器中去掉变压器,从而简化设计。通过使用ADALM2000和两个低阻值输入电阻R1和R2(从而无需输入变压器),将载波和调制信号的和频与差频送入二极管环的两个相对结点。输出可以在高阻值输出电阻R3和R4两端测量。这些电阻取代输出变压器。
图8 化的无变压器二极管环形调制器的试验板连接硬件设置
这种无变压器版本的二极管环形调制器很容易通过ADALM2000的信号发生器驱动:在一个结点提供载波与调制信号的和频,在另一个结点提供差频。设置试验板,将第一个波形发生器W1的输出连接到R1的另一端,第二个波形发生器W2的输出连接到R2的另一端。示波器输入1+连接到D1、D3和R4的结点。示波器输入1-连接到链接D2、D4和R3的节点。最后,将R3和R4之间的节点连接到地。连接参见图8。
程序步骤
本实验将使用波形公式为fc = 3sin(10kt)的载波和公式为fm = 0.5sin(1kt)的调制信号。最初,这两个波形相乘,输出信号是两者的乘积。其中包含上边带频率fusf和下边带频率flsf。具体的定义为:
fusf=fc+fm flsf=fc–fm,其中:
● fc=载波信号
● fm=调制信号
对于这种简化方法,我们直接将边带馈送到输入端。注意载波和调制信号:对于上边带,有f(t) = 3sin(10kt) + 0.5sin(1kt);对于下边带,有f(t) = 3sin(10kt)–0.5sin(1kt)。
在信号发生器中:对于W1 (Ch1),设置公式f(t) = (3 × sin(10×t)) + (0.5 × sin(t)),频率为1 kHz;对于W2,设置f(t) = (3 × sin(10×t))–(0.5 × sin(t)),频率同样为1 kHz。在示波器中,水平轴设置为200 µs/div,垂直轴设置为500 mV/div。运行信号发生器和示波器,观察波形。结果应该与图9中的波形相似。
图9 化的无变压器二极管环形调制器问题
1.如果改变图7的电阻值会如何?将R1和R2更换为1 kΩ电阻。输出波形的幅度会发生什么变化?将R1和R2恢复到之前的值。将R3和R4更换为1 kΩ电阻,再次观察输出波形。
作者简介
Antoniu Miclaus是ADI公司的软件工程师,负责为Linux和无操作系统驱动程序开发嵌入式软件,同时从事ADI教学项目、QA自动化和流程管理工作。他于2017年2月在罗马尼亚克卢日-纳波卡加盟ADI公司。他拥有巴比什-波雅依大学软件工程硕士学位,以及克卢日-纳波卡技术大学电子与电信工程学士学位。
“掌”握科技鲜闻 (微信搜索techsina或扫描左侧二维码关注)










