软开关(也称为谐振开关)是一种用于减少开关损耗和元件电磁应力的技术——它在实现更高的电路密度方面起着重要作用。
在传统的硬开关中,像MOSFET或IGBT这样的功率器件在电压和电流同时存在时会开关。这会产生较高的开关损耗(因为功率=电压×电流在过渡过程中)和强烈的电磁干扰(EMI)。
软切换则确保以下两者之一:
设备开机时电压几乎为零(零电压开关,ZVS),
设备关闭时电流几乎为零(零电流开关,ZCS)。
这通常通过添加共振元件(电感或电容器)来实现,这些元件在跃迁过程中塑造电压或电流波形。
在每次切换转换时:
电路短暂进入一个共振间隔,能量在L和C之间振荡。
电压(对于ZVS)或电流(对于ZCS)在下一次开关事件发生前自然会越过零。
晶体管随后在电压和电流之间几乎没有重叠切换,从而大幅减少能量损失。
软切换与电路密度有什么关系?
软交换直接支持更高的功率密度(单位体积瓦数增加),方式有多种:
减少热量产生:较低的开关损耗意味着散热量更少。这使得散热片更小,布局更紧凑。
更高的切换频率:由于开关损耗更小,转换器可以在更高的频率下工作——对于氮化镓(GaN)或碳化硅(SiC)器件,通常可达数百千赫甚至MHz。更高的频率意味着更小的电感器、变压器和电容,进而导致变换器更小、更轻。
效率提升: 更多的输入功率传递到负载,而不是以热量形式浪费,从而实现更密集的积分和更小的热路径。
减少EMI和压力:平滑过渡降低了辐射噪声和器件应力,提高了可靠性,并使元件封装更紧密且无干扰问题。
有什么软切换能提高密度的例子吗?
在谐振LLC转换器中,软切换使设计者能够利用紧凑型磁性开关和氮化镓开关,以>97%的效率将频率推高到500 kHz以上——非常适合高密度的电动汽车充电器或数据中心电源模块。
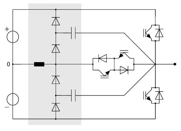
另一个例子是硬切换三电平逆变器,采用T型拓扑,辅以由多个无源元件组成的缓冲电路。这种电路布置(见图)防止了同时出现高电压和高电流的情况。所有切换过程都以“软性”方式进行,基本避免了切换损失。
该示意图展示了一个三电平逆变器,并增加了一个以灰色标出的缓冲电路,以实现软开关功能。一般来说,软切换通过显著提高电力变换器的切换频率来提升电路密度。因此,它能够减少大型笨重无源元件的体积,如电感器、电容和变压器。通过最小化开关损耗,软切换消除了在极高频率下工作的主要障碍,使设计者能够构建更小、更紧凑的电路。
设计软开关的想法
如前所述,软开关的设计涉及调整电压和电流的跃迁,使开关器件(如MOSFET、IGBT、氮化镓或硅晶体管)在零电压(ZVS)或零电流(ZCS)条件下能够导通或关闭。这最大限度地减少了开关损耗、电磁干扰和热应力,从而实现了高效率和高功率密度。
确定切换模式:尽早决定设计采用ZVS还是ZCS:
ZVS在高频电压馈电变换器中很常见,如谐振LLC或相位移全桥拓扑。
ZCS常用于电流供电电路或优先减少二极管恢复损耗的应用中。
选择取决于你的负载类型、输入电压范围和开关设备的特性。
软开关依赖谐振网络——通常是电感(Lr)和电容(Cr)的组合——它塑造了电流或电压波形:
谐振频率决定零交叉的时序。
略低于共振的作促进ZVS;高于共振的作支持ZCS。
选择Lr 和 Cr 使电路的自然振荡有助于放电器件电容(ZVS)或调整电流衰减(ZCS),然后再进行切换跃迁。
选择合适的电感和电容器
电感器使用低损耗磁芯(铁氧体、铁粉或纳米晶),具备高饱和电流能力。通过正确的绕组几何形状(Litz线、箔或平面线圈)来尽量减少铁芯和铜的损耗。目标是高Q因子(质量因子),以减少寄生阻尼。
对于电容器,选择低ESR和低ESL类型——通常是为高纹波电流额定的薄膜或陶瓷电容器。在谐振转换器中,电容器的公差和温度稳定性直接影响开关时序。如果建模得当,晶体管的输出电容(COSS)也可以用于软开关。
还有哪些其他设计理念?
快速切换、低电荷器件——GaN或SiC场效应晶体管——通常在高频下性能优于硅晶体。尽量优化设备切换之间的死时间。如果间隔过短,可能导致重叠损失。如果间隔较长,可能会失去软切换条件。考虑使用缓冲器或主动夹具,以吸收寄生能量并提高可靠性。
在评估可靠性和质量因素时,务必考虑元件公差、温度漂移以及长期老化(尤其是电容器)。
降减:在电压/电流限制的70%至80%下运行元件,并通过热模型和应力测试进行验证,因为软开关电路效率高但对时序漂移较为敏感。
其他建议包括使用SPICE或LTspice模拟来调节L、r和C、r的值。考虑采用同步整流器以减少导电损耗。确保PCB布局最大限度地减少寄生电感,尤其是在栅极和电源回路中,并验证软开关在满载、部分负载和瞬态条件下的范围。
商业可用的软交换解决方案示例
多家制造商提供集成或模块化软交换解决方案,简化实施,包括:
德州仪器:UCC25600 / UCC256404 / UCC25661(共振有限责任公司控制器)
英飞凌:ICE2HS01G / XDP 数字控制器(半桥有限责任公司/谐振控制集成电路)
意法半导体:L6599 / L6599A(谐振模式控制器)
微芯片:支持软开关的MCP19124/25数字PWM控制器(支持软交换的数字PWM控制器)
Navitas:GaNFast集成功率集成电路(基于GaN的软交换场效应晶体)
EPC(高效功率转换)(谐振转换器用氮化镓晶体管)
Transphorm:TPH系列SiC/GaN场效应晶体(用于谐振拓扑的宽带隙器件)
“掌”握科技鲜闻 (微信搜索techsina或扫描左侧二维码关注)










