太阳能系统的发展势头越来越强,光伏逆变器的性能是技术创新的核心。设计该项光伏逆变器旨在尽可能高效地利用太阳能。
其中一项创新涉及使用氮化镓 (GaN)。氮化镓正在快速取代硅 (Si) 和绝缘栅双极晶体管 (IGBT) 系统。GaN 不仅能提高太阳能系统的性能,也能提升整个系统的效率,此外,在保证缩小系统尺寸的同时,还能降低热损耗、易于安装和降低成本。
比较 GaN、SiC 和 IGBT
GaN 凭借其每个裸片区更优的电阻(Rsp)、更低的输入输出电容(Ciss 和 Coss)以及零反向恢复电荷等特性,显著提升了功率转换系统的性能。这些特性对于在开关频率升高的情况下降低导通损耗和开关损耗至关重要,而这反过来又会减小无源元件的体积,使系统更轻便和更紧凑。
研究人员正在积极致力于通过改进制造、Rsp 和封装,最大限度地发挥 GaN 的潜力。例如,如表 1所示,与双 decawatt 封装 (D2PAK) 或晶体管封装轮廓 (TO)–247 封装等表面贴装封装相比,晶体管封装轮廓无引线 (TOLL) 的表面贴装封装具有更好的热性能和更低的寄生效应。
表1 TO-247、D2PAK、TOLL封装中的GaN器件热阻值

TOLL封装简介
作为无引线封装,TOLL 封装的寄生电感非常低,因而开关速度更快(减少开关损耗)、压摆率更高并且电磁干扰更低。TOLL 封装的尺寸为 9.9mm x 11.68mm x 2.3mm,显著小于 TO-247 的封装尺寸 15.94mm x 20.95mm x 5.02mm,如此以来,印刷电路板上可利用的面积会增加 70%。经过优化的 GaN 工艺使 GaN 场效应晶体管 (FET) 具有极低的漏源导通电阻 (RDS (on)),适用于高功率应用。TOLL 封装的尺寸紧凑,可实现更快的热损耗并提高热效率。
将 GaN FET 与驱动器集成在一起,可进一步提高效率和降低成本,有助于减少栅极电感环路数量,并在功率级中嵌入过流和过热保护功能。通过集成可以更好地利用 TOLL 封装的优势,从而进一步降低寄生效应和系统成本。TI 的 LMG3650 等器件结合了集成和高效散热封装的优势,可用于高压电源转换系统。在高压电源转换系统中,热性能是主要考虑因素,尤其在有源冷却面临挑战的情况下更应如此。
TOLL 在能源基础设施方面的应用
鉴于商业和住宅环境的需求,太阳能微型逆变器、串式逆变器和储能系统都具有对效率、尺寸和成本敏感的功率转换级。
在太阳能应用中,逆变器输出通常与交流电网相连接,FET 的额定电压需达到 650V。此外,这些逆变器应尽可能紧凑,以便灵活地应用于住宅或商业系统。高压 GaN FET 的额定绝对最大电压为 800V,并能增加开关频率,缩小无源器件的尺寸,从而满足高电压和尺寸两项系统要求。TOLL 封装具有高效散热特性,适用于系统环境温度高于室温且有效热损耗至关重要的太阳能应用中。
LMG3650 中的集成式功率级提供过热保护、过流保护和欠压锁定等保护功能,无需外部保护电路,从而降低设计复杂性和缩小尺寸。它具有零电压检测和过零检测等高级功能,可优化死区时间并降低损耗,还配有 5V 低压降稳压器,为驱动任何辅助电路输出电流源。这些特性有助于优化能量转换系统的性能和成本。
基于 GaN 的 600W 单相循环换流器参考设计具有循环换流器拓扑,在高压侧使用 LMG3650,在低压侧使用 LMG2100。该参考设计展示了集成式 GaN 器件的潜力,该器件的功率密度为 640W/L,峰值效率为 96.1%,并可在高达 600kHz 的开关频率下运行。
使用 TOLL 器件进行设计
为您的设计选择合适的 GaN 器件是通过降低开关和传导损耗来提高系统性能的必要条件。使用 RDS (on) 较低的器件可能不是提高效率的一站式解决方案,因为它需要较大的 GaN 芯片,这会增加输出电容,进而增加开关损耗和成本。
在硬开关拓扑中,具备较高 Coss 的低 RDS (on) 会致使开关损耗大于导通损耗,而在软开关拓扑中,低 RDS (on) 能提高效率并且使开关和导通损耗非常低。
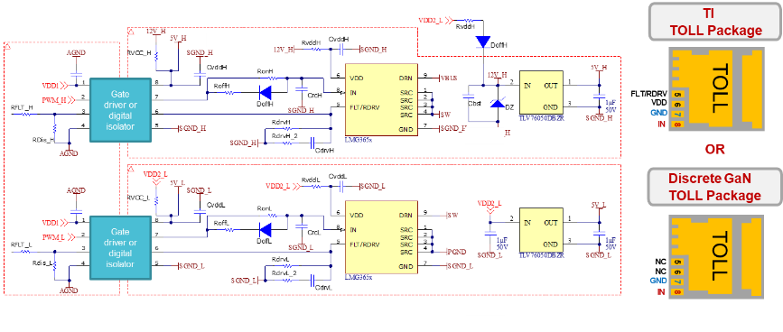
设计人员需要关注的另一点是多源功能。TI 的集成式 TOLL GaN 器件的封装与分立式 TOLL GaN 器件兼容,并为我们的客户提供多种采购选择。如图 1 所示,您可以通过保持原理图和布局不变,仅对元件进行微小更改,便能将 TI 的 TOLL 器件部署在与分立式器件相同的电路板上。
图1 TI和分立式TOLL GaN封装的原理图结语
随着功率需求的不断增加,采用 GaN 器件可以提高电源转换系统的性能、节约成本和缩小尺寸。采用 TOLL 封装的 GaN 器件非常适合应用于太阳能中,该类应用要求业界通用封装具备高效性、紧凑性和热性能。GaN 技术的快速发展有望彻底改变电源系统,利用其固有优势开发出高效、强大且可靠的解决方案。
“掌”握科技鲜闻 (微信搜索techsina或扫描左侧二维码关注)










