在车辆电气系统中,高压到低压的 DC/DC 转换器是一种可逆的电子器件,它可以将车辆高压电池(如 400V 或 800V)输出的直流电转换为较低的直流电压 (12V)。这类转换器可以是单向或双向的。常见功率级别为 1kW 到 3kW,系统转换器高压侧(初级侧)通常需要使用额定电压为 650V 到 1200V 的元件,12V 电源网(次级侧)至少需要 60V。
为实现更高的功率密度和更紧凑的动力总成系统,功率元件的开关频率被提升至数百千赫兹,从而有助于减小磁性元件的体积。高压转低压 DC/DC 转换器的小型化暴露出许多在较低开关频率下不太突出的设计问题,例如电磁兼容性 (EMC)、热耗散,以及金属氧化物半导体场效应晶体管 (MOSFET) 的有源钳位设计。在本期电源设计小贴士中,我将讨论在高开关频率下同步整流 MOSFET 的钳位电路设计。
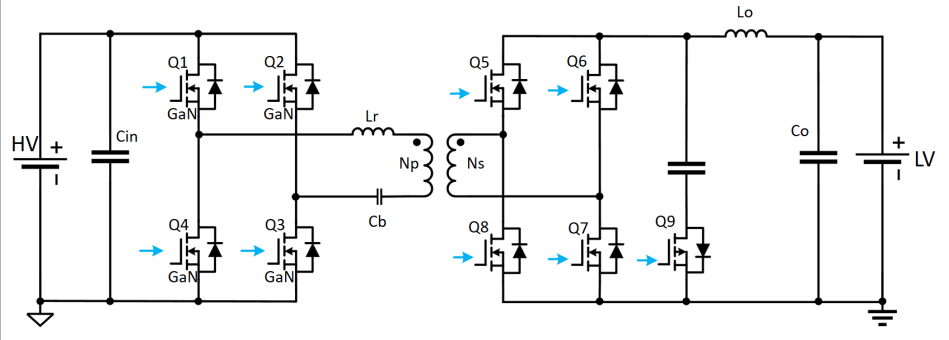
图 1 所示的相移全桥 (PSFB) 是一种在高压转低压 DC/DC 应用中非常常见的拓扑结构,它可以在开关管上实现软开关,从而提高转换器效率。但同步整流器上仍会出现高电压应力,因为其寄生电容会与变压器漏感发生谐振。整流器的电压应力可能高达公式 1 的值:
方程式 1.

其中 Np 和 Ns 分别表示变压器的初级绕组和次级绕组。
考虑到高压转低压 DC/DC 转换器的功率等级以及电阻-电容-二极管缓冲电路 [1] 所带来的功率损耗,设计人员通常会为同步整流 MOSFET 使用有源钳位电路。图 1 展示了典型的钳位电路设计。
图 1 适用于 PSFB 同步整流器 MOSFET 的传统。来源:德州仪器
在此原理图中,您可以看到 P 沟道金属氧化物半导体 (PMOS) Q9 和缓冲电容器,它们是有源钳位电路的主要组成部分。缓冲器电容器的一端连接到输出扼流圈,PMOS 的源极连接到地。在 PSFB 的传统有源钳位电路中,同步整流器 MOSFET Q5 和 Q7 的电路结构相同,Q6 和 Q8 也是一样。每次同步整流器 MOSFET 关断后,PMOS 会在适当的延迟时间后导通。
图 2 显示了 PSFB 与有源钳位的控制方案。您可以很容易地发现 PMOS 的开关频率是 fsw 的两倍。
图 2 有源钳位 PMOS Q9 的控制方案,其中 PMOS 的开关频率是 fsw 的两倍。来源:德州仪器 您可以使用公式 2、公式 3、公式 4、公式 5 和公式 6 来评估有源钳位 PMOS 的损耗。除了 Pon_state,其它所有损耗都与 fsw 成正比。当 PMOS 的开关频率加倍时,损耗也会加倍,因此就需要解决 PMOS 的散热问题。而当为了满足小型化的需求而进一步提高 fsw 时,散热问题会变得更加严重。

建议的有源钳位
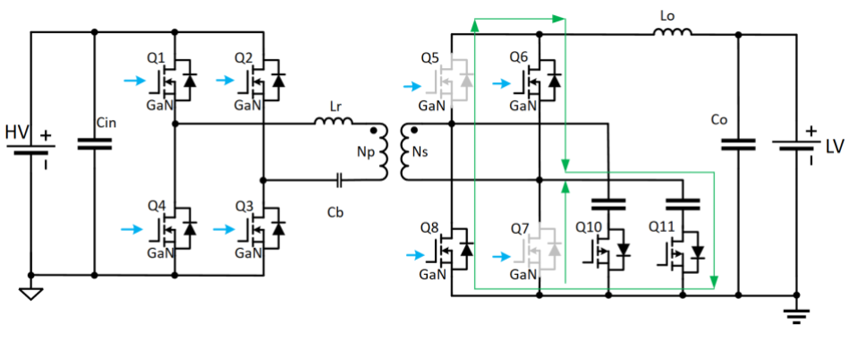
那么,要怎么解决呢?选择品质因数 (FOM) 更优的 PMOS,还是选择导热系数更高的导热硅脂?这两种办法都可行,但请记住,有源钳位产生的热量仍然集中在一个零件上,这使得问题难以解决。我们能否将这些热量分散到多个零件上?一种可行的方法是使用两个有源钳位电路,并将缓冲器电容器的端子连接到次级桥臂的开关节点,如 图 3 所示。这样就可以在 Q5 和 Q7 关闭之后再导通 Q11,在 Q6 和 Q8 关闭之后再导通 Q10。图 4 显示了 PSFB 的控制方案和建议的有源钳位。
图 3 适用于 PSFB 同步整流器 MOSFET 的建议有源钳位电路。来源:德州仪器 
当 Q5 和 Q7关闭时,Q6 和 Q8 仍然导通。因此,您可以找到 Q5 和 Q7 的钳位回路,如 图 3 中绿色箭头所示。Q10 和 Q11 的开关频率都是 fsw,而不是 fsw 的两倍。
因此,根据公式 2、公式 3、公式 4、公式 5 和公式 6,每个 PMOS 的 Pon_state 将是原来的四分之一,Pturn_on、Pturn_off、Pdrive 和 Pdiode 将是原来的二分之一。显然,该方法将钳位电路的损耗分成了两部分甚至更少,使得解决散热问题更加容易。
让我们回到钳位回路上来。Q5 的环路比 Q7 更大;它与 Q6 和 Q8 类似。您需要注意同步整流器的布局,以便获得 Q5 和 Q6 的最小钳位环路。
图 5 和 图 6 展示了来自德州仪器(TI) GaN HEMT 的高压转低压 DC/DC 转换器参考设计中的相关测试,该设计采用了建议的在 200kHz 开关频率下工作的有源钳位电路。图 5 展示了整流器的电压应力。

图 5 整流器的电压应力,其中 CH1 是整流器的 Vgs,CH2 是整流器的 Vds,CH3 是初级变压器绕组的电压,CH4 是初级变压器绕组的电流。来源:德州仪器 (TI)
CH1 是整流器的 Vgs,CH2 是整流器的 Vds,CH3 是初级变压器绕组的电压,CH4 是初级变压器绕组的电流。当输入电压为 400VIN、输出电压为 13.5VOUT、输出电流为 250A IOUT 时,整流器的最大电压应力低于 45V。如 图 6 中所示,在输入电压为 400VIN、输出电压为 13.5VOUT、输出电流为 180A IOUT [2] 时,有源钳位电路的最高温度为 46.6°C。因此,建议的控制方案能为钳位用 MOSFET 提供非常良好的热性能。

图 6 有源钳位电路的热性能,其中在输入电压为 400VIN、输出电压为 13.5VOUT、输出电流为 180A IOUT 时,有源钳位电路的最高温度为 46.6°C。来源:德州仪器 (TI)
当开关频率从 200kHz 提高到 500kHz 时,变压器体积将缩小约 45% [2],这有助于提升高压转低压 DC/DC 转换器的功率密度。采用该建议方法后,BOM 成本会略有上升,但设计人员可以在 500kHz 的开关频率下运行有源钳位电路而不产生热问题,从而提升整体性能。鉴于 PMOS 的脉冲漏极电流远小于 NMOS,如有需要,设计人员也可以在有源钳位电路中使用带隔离驱动器和偏置电源的 NMOS。
“掌”握科技鲜闻 (微信搜索techsina或扫描左侧二维码关注)










