在 OCP 全球峰会上,Nvidia 将公布 Vera RubinNVL144 MGX 代开放式架构机架式服务器的规格,超过 50 个 MGX 合作伙伴正在为此做准备,以及对 Nvidia Kyber 的生态系统支持,它连接了 576 个 Rubin UltraGPU,旨在支持不断增长的推理需求。
芯片供应商:ADI 公司(ADI)、AOS、EPC、英飞凌、Innoscience、MPS、Navitas、onsemi、Power Integrations、瑞萨、立锜、罗门、意法半导体和德州仪器。
电力系统组件供应商:贸联、台达、伟创力、GEVernova、Lead Wealth、光宝和 Megmeet。
数据中心电源系统提供商:ABB、伊顿、GEVernova、Heron Power、日立能源、三菱电机、施耐德电气、西门子和 Vertiv。
千兆瓦时代的 800V 直流 (VDC) 数据中心将支持NVIDIA Kyber 机架架构。
富士康提供了其 40 MW 台湾数据中心高雄 1号的详细信息, 该数据中心正在为 800Vdc 建造。
CoreWeave、Lambda、Nebius、Oracle Cloud Infrastructure和 Together AI 是其他为 800V 数据中心设计的行业先驱。
此外,维谛技术技术( Vertiv) 还推出了其节省空间、成本和能源效率的 800Vdc MGX 参考架构,这是一个完整的电源和冷却基础设施架构。HPE 宣布支持Nvidia Kyber 以及 Nvidia Spectrum-XGS 以太网纵向扩展技术,这是 Spectrum-X 以太网平台的一部分。
从传统的 415 或 480 VAC 三相系统迁移到 800Vdc基础设施,可提高可扩展性、提高能源效率、减少材料使用并提高数据中心性能容量。电动汽车和太阳能行业已经采用了 800Vdc 基础设施,以获得类似的好处。
由 Meta 创立的开放计算项目是一个由数百家计算和网络提供商组成的行业联盟,更专注于重新设计硬件技术,以有效支持对计算基础设施不断增长的需求。
Vera Rubin NVL144 MGX 计算托盘采用节能、100% 液冷、模块化设计。其中央印刷电路板中板取代了传统的基于电缆的连接,以实现更快的组装和可维护性,并具有用于 Nvidia ConnectX-9 800GB/s 网络的模块化扩展托架和用于大规模上下文推理的 Nvidia RubinCPX。
Nvidia Vera Rubin NVL144 在加速计算架构和 AI 性能方面实现了重大飞跃。它是为高级推理引擎和人工智能代理的需求而构建的。
其基本设计采用 MGX 机架架构,并将得到 50+MGX 系统和组件合作伙伴的支持。Nvidia 计划将升级后的机架以及计算托盘创新作为 OCP 联盟的开放标准。
其计算托盘和机架标准使合作伙伴能够以模块化方式混合和匹配,并根据架构更快地扩展。Vera Rubin NVL144 机架设计采用节能的 45° C 液体冷却、用于更高性能的新型液冷母线和 20 倍的储能以保持功率稳定。
MGX 升级为计算托盘和机架架构,提高了 AI 工厂性能,同时简化了组装,从而能够快速提升到千兆瓦级的 AI 基础设施。
Nvidia 是跨多代硬件的 OCP 标准的主要贡献者,包括 Nvidia GB200 NVL72 系统机电设计的关键部分。
相同的 MGX 机架占用空间支持 GB300 NVL72,并将支持 Vera Rubin NVL144、Vera Rubin NVL144 CPX 和 Vera Rubin CPX,以实现更高的性能和快速部署。
OCP 生态系统也在为 Nvidia Kyber 做准备,该创新在 800Vdc 供电、液体冷却和机械设计方面进行了创新。这些创新将支持向机架服务器一代 Nvidia Kyber(Nvidia Oberon 的继任者) 的转变, 到 2027 年, 该Nvidia Kyber 将容纳一个由 576 个 Nvidia Rubin UltraGPU 组成的高密度平台。
应对大功率配电挑战的最有效方法是提高电压。从传统的 415 或 480 VAC 三相系统过渡到 800Vdc 架构具有多种优势。
正在进行的过渡使机架服务器合作伙伴能够从54Vdc 机架内组件迁移到 800Vdc,以获得更好的结果。由直流基础设施提供商、电源系统和冷却合作伙伴以及芯片制造商组成的生态系统—— 都遵循 MGX 机架服务器参考架构的开放标准—— 参加了此次活动。
Nvidia Kyber 旨在提高机架 GPU 密度、扩大网络规模并最大限度地提高大规模 AI 基础设施的性能。通过垂直旋转计算刀片,就像书架上的书籍一样,Kyber每个机箱最多可容纳 18 个计算刀片,而专用的 NvidiaNVLink 交换机刀片通过无电缆中板集成在背面,以实现无缝纵向扩展网络。
通过具有 800Vdc 的同一铜传输的功率增加了150% 以上,无需 200 公斤铜母线为单个机架供电。Kyber 将成为超大规模人工智能数据中心的基础元素,在未来几年为最先进的生成式人工智能工作负载提供卓越的性能、效率和可靠性。Nvidia Kyber 机架为客户提供了一种减少铜量的方法,从而节省了数百万美元的成本。
除了硬件之外,Nvidia NVLink Fusion 的发展势头也越来越大,使公司能够将其半定制芯片无缝集成到高度优化和广泛部署的数据中心架构中,从而降低复杂性并加快上市时间。
英特尔和三星代工正在加入 NVLink Fusion 生态系统,其中包括定制芯片设计人员、CPU 和 IP 合作伙伴,以便 AI 工厂可以快速扩展,以处理模型训练和代理 AI推理的苛刻工作负载。
● 作为最近宣布的 Nvidia 和英特尔合作的一部分,英特尔将构建 x86 CPU,这些 CPU 使用 NVLink Fusion集成到 Nvidia 基础设施平台中。
● 三星代工与英伟达合作,以满足对定制 CPU 和定制 XPU 不断增长的需求,为定制芯片提供从设计到制造的体验。
1 800V数据中心方案:Power Integrations
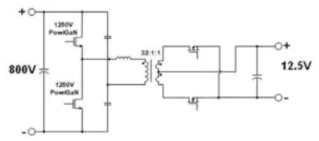
Power Integrations 是与 Nvidia 合作开发 800V 数据中心概念的功率半导体之一,其中 ~1MW 将通过800Vdc 总线输送到每个机架,预计在机架中进行隔离和下变频。
图1PI 的白皮书在圣何塞举行的 OCP 全球峰会上发布,建议其 1,250V 和 1,700V GaN 晶体管作为下变频第一阶段的主要电源开关。
这些是 GaN 技术的高电压,其中晶体管往往在标称 650V 时达到峰值。
为了达到更高的电压,Power Integrations 使用共源共栅连接的晶体管对,其中低压硅 MOSFET 切换共封装的高压耗尽模式(常导)GaN hemt。MOSFET 直接安装在 GaN 芯片上,以最大限度地减少连接寄生效应。
“耗尽型氮化镓器件被认为是高度可靠的,因为它们不需要 p 型氮化镓栅极层,”PI 说。“因此,它们避免了阈值电压漂移和相关的不稳定性问题,确保了长期稳定性。”
PI 建议使用隔离式 LLC 转换器在单级中从 800V 直接转换为 12.5V 总线,该转换器包括一个 32:1 变压器—— 实际上是 32:1+1,因为输出整流器是半波(见图1)。
它认为 1,250V GaN 功率晶体管而不是 Si MOSFET是必不可少的,利用更高的最大工作频率将转换器缩小到足以实用。
在其设计示例中,它预测了一个 1MHz 零电压开关转换器,转换死区时间为 <100ns,效率为 >98%。对于机架内的辅助电源,PI 正在提出其额定电压为1,700V 的基于 GaN 的IMX2353F“InnoMux2-EP”IC,它可以在一级中直接衍生多达三个电源轨—— 包括用于风扇的 48V 和用于电子设备的 12V,据称,从高达1,000V 的输入。
2 800V数据中心:德州仪器(TI)
德州仪器( TI) 在圣何塞举行的开放计算峰会上公布了其对英伟达 800Vdc 数据中心电源概念的提案。
在电源端,它描述了一个 30kW 800Vdc 开放式机架格式电压源,尺寸为 800×160×32mm。
这将三相电源引入三电平飞电功率因数校正转换器(图2),该转换器为两个产生 ±400Vdc 或 800Vdc 的三相 Delta-Δ 隔离 LLC 转换器生成直流总线。
图2飞电前端有效地将其开关频率提高了一倍,以减小输入电感器的尺寸。
在接收端,该公司讨论了几种在机架中将 800Vdc转换为12.5V 的架构。
其中一个类似于同一峰会上的 Power Integrations 概念(尽管细节较少):单个 64:1 中间总线转换器一次性将 800V 降至 12.5V。
其扩展是单级 128:1 转换器,为处理器 PCB 产生6.25V 电源轨,估计 800V 到内核效率峰值为 89%(不包括 PCB 损耗)。
这种较低的电路板电压允许端载稳压器以更高的频率运行,从而将该转换器缩小到可以从电路板另一侧从处理器下方传输电源的程度。
TI 表示:“这种架构的挑战在于128:1 转换器的输出电流非常大—— 在6.25V 时将有2.4 至3.2kA。“将6.25V 电路板损耗保持在 <1% 或 2% 将需要非常大的导体—— 例如母线。”
为了更贴近当今的系统,它还讨论了一种两级方案,其中隔离式 16:1 转换器产生50V,然后是非绝缘4:1 转换器提供 12.5V(或8:1 为 6.25V)。
图3TI 表示,在16:1 隔离阶段之后,“电源架构的其余部分将具有与 48Vdc 计算托盘相似的外观和感觉—— 有几种可能的变化”。
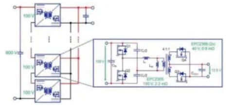
3 800V数据中心:EPC
EPC 展示了一款 6kW 800 至12.5V DC-DC 转换器,具有新颖的(输入- 串联输出- 并联)拓扑结构,作为Nvidia 800Vdc 数据中心配电计划的一部分。
图4基于 GaN hemt 的概念验证高 8 毫米,占地<5,000毫米2。
“氮化镓是 800Vdc 生态系统的一项重要技术,”EPC首席执行官 Alex Lidow 声称。
图5虽然 Power Integrations 建议为类似的电源提供单对1,250V GaN 半桥,但 EPC 建议在输入侧使用八个串联的半桥(见图4),它们之间共享 800V 作为 8x 100V。这样,只需要 150V 设备。
由于这些是八个隔离式 LLC 转换器的前端,因此它们的所有输出都可以并联以产生单个大电流12.5V输出。
“LLC 模块设计为在谐振频率下运行,其中效率最高,谐振槽的增益是单位的。通过将谐振电感器 [Lr] 设计为远小于磁化电感器 [Lm],转换器的增益在工作频率周围和很宽的范围内保持与频率无关,“该公司表示。
“这迫使并联输出向每个初级提供相等的电压,包括组件容差,以在每个模块 [ 输入] 上保持均分电压。由于所有输入都是串联的,因此通过每个输入的电流是相同的,从而平衡了每个输出上的电流。
这种拓扑的一个副作用是变压器只需要 4:1+1 的匝数比,并且可以是平面的。
“掌”握科技鲜闻 (微信搜索techsina或扫描左侧二维码关注)










