一、Buck电路原理图
Buck电路,又称降压电路,其基本特征是DC-DC转换电路,输出电压低于输入电压。输入电流为脉动的,输出电流为连续的。如图5.1所示,Buck电路使用开关管Q1将输入的直流电源进行“斩波”,形成方波。利用一个方波控制开关管,让开关管按照控制信号进行通断。调节方波的占空比,控制通过的能量。再对通过开关管的方波进行低通滤波,让直流电压输出。
图5.1 非同步Buck变换器基本电路其实我们在实际设计过程中,图5.1的电路越来越少被使用。这种Buck电路被称为非同步。同步和非同步的区别从外部来看,是一个多了一个有续流的二极管,一个没有续流的二极管。其实Buck的输出电流分成两个部分的,一个部分是来自电源,一个部分是来自非同步电路中的这个二极管,如图5.1所示D1,只是同步电路把这个二极管用一个MOSFET给替代了,这个MOSFET被称为“下管”,如图5.2所示,图中的Q2替代了D1。但是这个“下管”的开和关需要和开关MOSFET(上管)保持一定的相位关系,大家习惯把这样的关系叫做同步模式。
图5.2 同步Buck变换器基本电路非同步Buck电路,二极管续流(二极管与电感形成一个通路,二极管为电感保持电流持续,电流从二极管通过)期间,二极管两端的电压相对恒定,表现为二极管正向导通压降。这个特性导致非同步压降电路在二极管上消耗的能量比较大,所以非同步Buck的效率比较低。因为其电路特点不需要复杂的控制,控制器成本也比较低。
同步Buck电路,采用MOSFET,下管续流的期间(上管关闭,下管打开,下管为电感保持电流持续,电流从下管通过),MOSFET表现为D极和S极之间的导通等效阻抗。由于下管的导通阻抗比较小,所以其两端的电压也比较小,消耗在下管上的损耗比二极管也小很多。所以同步Buck电路的效率比较高,相比来说需要额外的控制电路,成本相对也高一些。但是随着芯片的技术发展,同步Buck电路的优势越来越大,所以一般都选择同步Buck,规模效应带来的成本优势逐步明显。
二、Buck电路工作原理
1、基本工作原理分析
在同步Buck电路中,当开关管Q1驱动为高电平,上管导通,开关管Q2驱动为低电平,下管关闭,储能电感L1被充磁(充磁的压差为Vin-Vout),流经电感的电流线性增加,同时给电容C1充电,给负载RL提供能量,电路如图5.3所示。
图5.3 同步Buck上管导通下管关闭非同步Buck电路中,在上管导通时,二极管反向截止,没有正向电流,等同于关断状态。储能电感L1被充磁(充磁的压差为Vin-Vout),流经电感的电流线性增加,同时给电容C1充电,给负载RL提供能量,如图5.4所示。
图5.4非同步Buck上管导通在同步Buck电路中,当开关管Q1驱动为低电平,上管关断,开关管Q2驱动为高电平,下管导通,储能电感L1通过下管放电,电感电流线性减少,输出电压靠输出滤波电容C1放电以及减小的电感电流维持,电路如图5.5所示。
图5.5同步Buck上管关闭下管导通在非同步Buck电路中,当开关管Q1驱动为低电平,上管关断,二极管处于正向导通的状态,储能电感L1通过续流二极管放电,电感电流线性减少,输出电压靠输出滤波电容C1放电以及减小的电感电流维持,电路如图5.6所示。
图5.6非同步Buck上管关闭二极管续流(下MOS更换为二极管)在同步Buck电路中,最理想的状态是上管关闭的一瞬间,下管打开;下管关闭的一瞬间,上管打开。如果能严丝合缝,没有一点点时间差,则上面两个状态就足以把同步Buck电路工作起来了。但是MOSFET不是理想的开关特性,它在关断到导通的过程中存在一个过渡的过程就是一个放大区,介于完全关断和完全导通之间的一个状态。另外控制时序也是不理想的,不可能做到“严丝合缝”。也就是说,两个驱动器在时间上是非常难控制到精确的同步。我们有一个状态是必须要避免的,就是上管和下管同时打开。此时,Vin通过两个打开的MOSFET直连到GND,形成了短路。这种直通的现象,即会损坏MOSFET,也会导致Vin短路而损坏前一级供电电源,如图5.7所示。
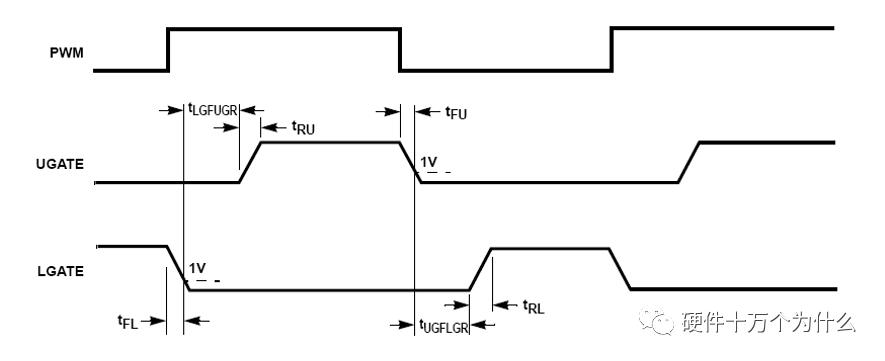
图5.7同步Buck不应该出现的状态“直通”为了避免这种直通的现象,电源控制器在设计的时候,会故意让上管和下管切换的时候,多等一会。宁愿出现两个管子同时关断的状态,也不愿意出现两个管子同时导通的状态。如图5.8所示,UGATE是上管的控制信号,LGATE是下管的控制信号。第一个状态是下管导通,上管关闭,需要切换状态的时候,先关闭下管(两个控制信号都为低电平)。下管关闭的过程需要一个时间tFL,关闭的过程上管保持关断。两个开关管都处于一个关闭的状态,此时至少没有短路的风险。
图5.8同步Buck的控制时序等待一段时间(tLGFUGR)之后再打开上管,这个等待的过程,就叫做“死区时间”。那么这个过程,电感的一端似乎就悬空了,没有电流回路了,其实不然。
在“死区时间”的这个时间段内,下管二极管虽然没有被导通,但是他本身有一个寄生的二极管。这个二极管可以像非同步Buck电路一样帮助电感续流,如图5.9所示。但是这个时间非常短暂,所以产生的功耗没有那么大。
图5.9同步Buck死区时间电流路径同样的过程发生在上管关闭后,需要等待一个时间(tUGFUGR),然后再打开下管,如图5.7所示。
“掌”握科技鲜闻 (微信搜索techsina或扫描左侧二维码关注)










