采取适当的预防措施,可以防止雷击对以太网连接设备造成损坏。使用保护元器件的传统方法可能不完全有效,我们还需要辅以另外一种方法,其灵感基于对雷击能量传递给以太网电缆和相连设备的基础机制的深入分析,本文会详细介绍这些内容。
以雷击为罪魁祸首的浪涌事件会让有线以太网出现故障,时刻牵动着网络管理员或者其他相关负责人的神经。这个问题并不局限于以太网,任何现实中较大的电子或电力系统都不例外。其他示例包括:远程返回的电气测量、电力传输以及传感器不在附近的工业自动化应用。传统解决方案的工作原理是吸收或限制某个区域附近的事件能量,以保护物理层元器件。这种方法的问题在于,能量未被消除,由此产生的电流也未被消除。感应路径中的瞬态电流总是会产生很大的电压,进而可能造成损坏。因此,当考虑常规方法时,我们必须明确:需要什么级别的保护,以及需要多少时间、精力和资源来实施?此外,所部署的保护方法不仅要能够抵御浪涌,而且要在浪涌发生后仍能正常运作。雷击产生的能量比您想象的可能要大几个数量级。为了实现安全可靠的运行,需要采取强有力的保护措施来应对这一挑战。
能量大小
以太网系统需要防范浪涌事件,不同浪涌事件的能量可能相去甚远。数千米外的雷击引起的能量浪涌在强度上可能比门外的雷击引起的能量浪涌低五个数量级。以太网系统的规模也会影响其处理不同量级的能量的能力。甚至环路的方向也可能使系统的浪涌承受能力增加三个数量级
雷击能量
浪涌事件造成的损坏取决于事件的能量、能量浪涌发生的位置以及系统受到冲击时可以储存多少能量。了解这些因素将有助于找到防范这种损坏的解决方案。
雷击产生的能量储存在雷击周围的区域中(我们的讨论排除直击雷的可能性)。雷击的主要问题是能量储存在近场中,其中磁场对于这种低阻抗源来说最为重要。通过雷击长度可以求出总电感,然后使用我们熟悉的能量方程 E = 1/2Li2可近似计算磁场中的总能量。雷击电流大小不一,但可能高达50,000 A。在超过此距离的远场中,能量非常小,几乎不用担心,除非您从事建造无线电接收器的业务。
太阳每秒产生 3.846 × 1026 W 的功率。在距离太阳9300万英里的地球上,一平方米空间接收到其中的1000 W功率。如果我们对围绕太阳的整个球面进行积分,无论距离太阳表面有多远,总会有 3.846 × 1026 W的辐射功率,而1平方米相对于9300万英里之外的总表面积而言非常之小!现在我们从能量而不是功率的角度来讨论。要获得1000焦耳的能量,需要照射1 s(瓦特的单位为J/s)。此能量体积等于1M2乘以光在一秒内传播的距离,即 3 × 108 M;在这种情况下,总体积也是 3 × 108 M3。
为了理解本文的其余内容,必须接受辐射能量和静态能量(磁能BxH和静电能ExD)都储存在空间中的概念。坡印廷定理描述了能量的运动、移动或转移。能量的转移总是同时涉及磁场和电场。导体内部不可能有明显的电场,因此也不可能储存任何能量。近处和远处(辐射)的能量都储存在雷击事件周围的空间中,这个道理简单明了。此概念(能量储存在空间中)为浪涌问题提出了以下解决方案:不接触这种能量就能消除电涌问题。
要接触该能量,导体几何结构(以太网电缆)需要进入能量运动所在的空间。就像我们的辐射示例一样,即使处于近场,也涉及时间。以太网电缆以差分方式连接,不具有任何明显的环路区域,因此不太可能从该周围空间耦合任何明显的能量。对于以太网电缆和接地系统之间的区域,情况并非如此。
浪涌是一种涉及机箱接地系统的高频环路电流。每个构建的电路都有机箱接地系统。就本文而言,它仅对大型电路很重要。请参阅图1的示例,了解机箱接地系统如何始终存在,而且系统越大,它就越重要,以及为什么接地与该问题没有任何关系,而任何寄生导体都会有关系。下一节将介绍两种最常见的浪涌电流源。
接地环路能量
接地环路之所以产生,是因为任何两个位置的接地电位都不是恒定的。图1显示,每个原理图都有第二个电路,即寄生接地环路。由于接地环路和您设计的电路可以共用一根导线,因此该接地环路也被称为共阻抗耦合。图1和图2显示了更详细的示例。通常,第二个机箱接地电路不是那么大,但始终存在。一般来说,电子系统覆盖的距离越远,这些接地之间的电位差就越大,它们之间的电感和电阻也会越大。

图1. 从技术上讲,即使像手持设备这样小的系统也可能受到外界的影响。在此示例中,接地环路非常小,任何干扰电流都将流向屏蔽层而不是无线电接地。

图2. 上图所示为线路供电仪器,机箱接地1和机箱接地2之间有接地环路电压。同时,该环路很大,足以使磁耦合干扰变得显著。另请注意,干扰环路与仪器接地共用一根导线。
当闪电击中地面时,电流会向各个方向扩散。该电流会导致电流流经的接地电阻和电感出现显著的电压下降。对于某些有线以太网设施,此电位差可能横跨整个以太网电缆(从一端到另一端),并可能引起大电流流动。这种效应被归类为接地环路,这是正确的。源自仪器仪表和电力机械的电流也会引起接地环路。正确接地的建筑物以公用设施入口处的单个接地导体为基准。由此可知,在单一建筑物内,雷击引起的接地环路并不是造成设备损坏的主导因素。对于在建筑物外部或建筑物之间布设的以太网来说,情况显然不是这样。
无论来源如何,接地电压都会在以太网电缆中产生电流,即使长度不是很长或者没有环路区域也是如此。重要的是两个接地点的电位差、上升时间以及两点之间机箱系统的电感。
闪电产生的磁场
根据法拉第定律,闪电还可以在任何环路区域中产生磁耦合电压。这可能是最堪忧的问题,因为它会影响建筑物内布设的以太网。
接地环路引起的雷击浪涌事件与磁耦合(法拉第定律)引起的浪涌事件不同。接下来的几节将讨论每个问题的可能解决方案。作为参考,图3显示了没有采用本文所述任何解决方案的以太网连接。这里,通过电路和接地参考平面(也是电路的一部分)的电流路径(由于接地环路或法拉第定律而产生)是浪涌电流可以通过的唯一路径。常规解决方案试图将该电流从元器件中分流走,但电流路径中可能发生具有危险性的V = Ldi/dt事件。
图3. 一个容易受到浪涌损坏的以太网示例。教科书解决方案
解决接地环路和磁能问题的教科书解决方案是使用防护。用屏蔽层包围整个应用来提供防护。这种防护的作用是使应用与除防护本身之外的任何物体之间的电容最小化。考虑图4(一个简化的非以太网示例),很显然,所有接地环路或磁感应电流都将沿着防护金属流动并穿过C5处的隔离栅。接地环路电流不可能进入防护装置所包围的任一应用区域。在这种情况下,干扰场完全在应用元器件的外部。除了消除任何静电耦合噪声之外,该教科书解决方案还能应对上述两种干扰源。教科书解决方案确实非常出色,即使C5非常小,它也能工作。短路线匝并不是必需的。
图4. 仪器示例,显示了使用防护来消除能量,从而减少应用电路中的浪涌电流。这是唯一适用于两种接地环路和磁耦合场能量的解决方案。它通常也超出了这种以太网应用的要求,下面将做一些简化,以得到我们可以实际构建的以太网解决方案。
短路线匝
造成损坏的能量来自闪电所产生的能量场。为了消除以太网布设中的能量,我们需要消除能量场,为此我们将在此变压器中设计一个短路线匝,其中闪电为初级,以太网接地环路区域为次级。如果使用以太网电缆内部的防护层和应用电路中的平面来构建一个隔离的短路线匝,通过接地提供最终导体来闭合短路线匝,那么我们应该能够消除能量。在实践中,实施这种短路线匝后,添加外部分流保护元件的过程会容易得多。
要进行简化,可以去掉系统左右半部的完整包围,如图5所示(以太网配置如图6所示)。如果防护回路可以充当短路线匝,并且C3/C4的比值极小,那么这种更简单的配置可能是有效的。相比隔离路径,这种消除浪涌的简化方法只有在我们能够构建短路线匝时才有效。
图5. 使用屏蔽将浪涌能量从应用电路引走的简化仪器示例。
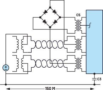
图6. 使用屏蔽将浪涌能量从应用电路引走的以太网示例,C3 < C4。从以太网环路的角度来看,此短路线匝究竟是如何消除能量的呢?为了揭示这个问题,我们需要在更深的层次上理解变压器类比。真正的变压器旨在移动能量,而不是储存能量。无论空芯变压器还是磁芯变压器,都是如此。为了在空芯变压器中几乎不储存能量,绕组必须直接缠绕在彼此之上,以便几乎没有储存能量的空间。即使绕组不直接相互叠置,用磁芯制成的变压器也会将能量(具有磁滞和涡流损耗)从一个绕组转移到另一个绕组,但绕组和磁芯之间必须几乎没有空间,以便几乎不会储存能量。当使用磁芯时,由于电感较高,较大的µr会直接降低磁化电流,让我们可以获得额外的优势。不管有无磁芯,施加到初级的电压都会产生一个电流,可通过我们熟悉的 V = Ldi/dt关系来描述,这反过来又会导致次级上产生一个电压,可通过下式得出:V = (环路面积)dB/dt。磁性材料的存在不会改变初级Ldi/dt或次级dB/dt。换句话说,它不会改变变压器电压。在初级中,磁导率µr是一个常数,它会增加电感(增加µr),但也会降低di/dt以进行补偿。对于次级,较大µr会减慢dB/dt(因为初级di/dt较低),但它也会增加B,增加幅度就是该常数。高磁导率实际上只是通过提高初级电感来降低磁化电流。
由于变压器中不储存能量,当次级负载很大时,低阻抗电压源驱动的初级将需要提供更大电流,初级电流将增加以提供能量。
相比之下,雷击会在非常大的空间中储存大量能量。能量总是按照储存能量尽可能少的配置自行排列。这正是变压器在内部以及次级绕组接口处所做的事情,次级电流与初级电流方向相反。这些相反的电流保证不会存在净外部磁场(储存的能量)。在高层次上,这被称为最小作用原理,但就本文而言,它被称为楞次定律。这就是以太网电缆和机箱接地回路周围空间中发生的情况。以太网环路(或短路线匝,由您选择)提供了转移或耗散此能量的手段,因为任一手段都提供了储存较少能量的方法。就像上面的变压器示例一样,产生的次级电压仍然为V = (环路面积)dB/dt,但初级(闪电)和次级(以太网环路)之间没有紧密耦合。这种不良耦合使该区域无法接触无限的能量源。短路线匝会产生一个电流,抵消/耗散闪电储存在该空间中的能量。如果可以在短路线匝就位的情况下测量初级的电感,那么它会是一个较低的值,表明储存的能量较少,一些丢失的能量在短路线匝中耗散。换句话说,次级负载产生的磁场将抵消闪电产生的磁场,使以太网环路中储存的能量减少。
顺便说一句,在变压器中,当将一个次级短路时,所发生的正是上述情况。但是,这其中有一个重要区别。对于实际变压器,由于紧密耦合,短路线匝将耗散初级中的所有可用能量。对于闪电,只有以太网环路空间中的能量才会被耗散。
我们来看一个例子。雷击产生的H场为I/2πR。假设雷击距离以太网电缆1英里(1600 M),雷击电流为50,000 A,则磁场强度将为4.97 A/M。
B场即为B = µH = (4π × 10E-7)(4.97) = 6.25E-6 Tesla,
以太网环路面积(一英里远)为:1 M × 150 M =150 M2
雷击电流的上升时间可以短到1μs,其下降时间为约100 µs,因 此该环路中产生的电压可近似计算为:V = A (环路面积 × dB/dt) = 150(6.25E-6)/1 μs = 937 V
我们通过仿真来获得准确的值。图7显示了一次50 kA雷击,上升 时间为1 μs,下降时间为10 μs。
图7. 50 kA雷击,上升时间为1 μs,下降时间为10 μs。根据法拉第定律,此电流将产生电压V1,如图8所示。E1代表未受保护的以太网环路内的浪涌电压。459 μH是带机箱的以太网环路区域的电感,500 pF表示以太网连接的PSE和PD两侧的对地净串联电容,10 Ω电阻是电路的串联电阻。在仿真中,R2的值并没有真正改变电流的峰值,而是导致波形的包络以更快的速率衰减。这一更有利的L/R时间常数将使浪涌能量作为热量更快地通过整个分布式电阻耗散。
图8. SPICE仿真模型,说明了利用与以太网环路紧密耦合的第二短路线匝可以降低浪涌电流。所产生的浪涌电流I(L2)如图9所示。该图表明,即使雷击发生在1英里之外,未受保护的环路也会出现1.6 A的峰峰值浪涌电流。想象一下,如果雷击距离近很多,会产生多大的环路电流。即使这样的电流也足以造成损坏。
图9. 图8中示例仿真的浪涌电流。现在,让我们考虑原理图右半部分所示的受保护以太网环路(这里是内部以太网环路)中的浪涌电流。如果降低屏蔽环路阻抗(增加C3和C4),同时保持与以太网环路的良好磁耦合,则该浪涌电流可以进一步降低。
隔离
还有一种消除浪涌电流的方法,那就是隔离电缆的一端或两端。理想情况下,要以这种方式隔离应用,需要在所有频率下都有一个开路。这通常由隔离变压器实现;对于以太网,这包括数据变压器和电源变压器(POE应用)。变压器擅长阻止DC;但其初级到次级电容在较高频率下会短路,从而支持高频浪涌电流。如果有极低电容的变压器可用,我们一开始就不会有浪涌问题,所以这不是答案。不过,减小隔离电容确实会降低雷击引起的电流。然而,本文提出的解决方案在较高频率下可提供更好的隔离系统,尽管跨隔离栅的电容较大。如果电容看不到任何dv/dt,那么它便无关紧要。
有什么问题?
问题是我们永远无法在电路周围建立理想的防护,或者利用短路线匝消除所有磁场,或者构建没有电容的变压器。这种情况下,还能做些什么呢?为了增强这些解决方案,我们可能还需要添加旨在转移任何剩余浪涌电流的保护元器件。短路线匝中的电流可能很高,但几乎不必担心,因为我们只使用铜和电容来构建它。我们可以做出的最后一项改进是在整个以太网链路周围添加铁氧体,如图10所示。
图10. 共模扼流圈CH1为差模电流提供低阻抗,并为共模电流提供更大阻抗。在没有新增短路线匝的情况下,此铁氧体仍然表现良好。它为高频电流提供一个开路,以补充直流和较低频率下隔离变压器的开路。如果将铁氧体与短路线匝一起使用,我们会得到一些非常惊人的结果。在这种情况下,铁氧体为接地环路周围的电流提供一个开路,使得C3/C4比值进一步减小。
结语
任何需要长电缆的应用都可能受到雷击的损坏。这种损坏的原因可能是雷击的高电流导致的接地阻抗压降(接地环路),还有根据法拉第定律产生的电压(磁耦合)。在某些应用中,使用保护元器件来引导这种破坏性电流可能不奏效。在这种情况下,直接沿着以太网电缆和电路(耦合良好)添加低阻抗短路线匝可以显著降低浪涌电流。这种方法仅使用铜和电容,因此,我们不必担心短路线匝可能产生的高电流。在以太网电缆上添加共模扼流圈也可以安全地降低浪涌电流
“掌”握科技鲜闻 (微信搜索techsina或扫描左侧二维码关注)










