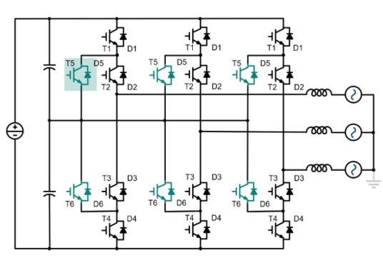
ANPC(Active Neutral Point Clamped)拓扑即有源中点钳位技术,是基于NPC型三电平拓扑改进而来,最早提出是用来克服NPC三电平拓扑损耗分布不均匀和中点电位问题。从结构上看,ANPC是将NPC1的钳位二极管替换为IGBT与二极管反并联钳位的结构,与NPC1一样可以实现三电平输出以降低谐波,且器件耐压和NPC1相同。通过增加两个IGBT,新增两条零电平换流路径,有益于改善损耗分布,具有更多的控制策略。ANPC拓扑目前广泛应用在风电变流器,光伏发电,电池储能等领域。

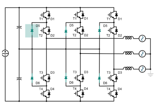
三相NPC1逆变器

三相ANPC逆变器
图1 NPC1和ANPC的拓扑对比
以下我们从换流路径,调制策略和芯片损耗分布等方面进行介绍,结合仿真以分析ANPC在实际案例中的损耗情况以及对于半导体器件的要求。
换流路径
由于ANPC拓扑拓展了两条新的零电平电流路径,可以通过采用不同的调制策略优化各个管子损耗分布以提升效率,NPC1的零电平路径如下图2,分别为D5→T2(0+)和T3→D6(0-)。ANPC额外增加了两条新的路径,分别为T6→D3(0+)和 D2→T5(0-),其他正电平和负电平电流路径未发生变化。
图2 NPC1和ANPC的零电平换流路径基于新增的换流路径,定义电流流出桥臂为正,以电压电流分为四个象限进行分析:
V>0,I>0,T1→T2可换流到T6→D3或D5→T2
V<0,I<0,T3→T4可换流到T3→D6或D2→T5
V>0,I<0,D1→D2可换流到D2→T5或T3→D6
V<0,I>0,D3→D4可换流到T6→D3或D5→T2
ANPC调制策略
通过选择不同的电流路径对应不同的调制策略,较常见的调制策略有ANPC-PWM1,ANPC-PWM2以及零电平双续流调制策略ANPC-PWM100等。
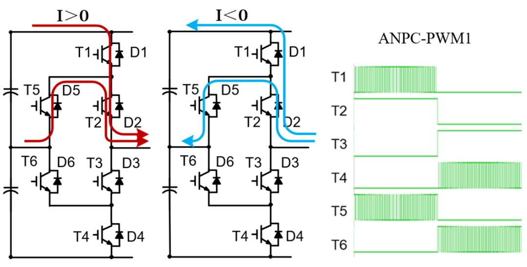
ANPC-PWM1
图3 ANPC-PWM1调制策略图3为ANPC-PWM1的换流路径和各位置芯片的驱动波形,以正半周换流为例进行分析,当处于逆变状态时(V>0,I>0)从正电平输出切换至零电平时,有两个电流路径可供选择,当选择以D5/T2为换流路径,即保持T2开通状态不变,T1此时和T5进行互补开通构成正半周的不同电平换流,此时T3/T4/T6均为关闭状态;
当处于整流状态时(V>0,I<0),正电平至零电平的切换路径为D1/D2至D2/T5,仍然是T1与T5进行互补开通。负半轴的两个象限的换流路径同理,常通器件为T3,T4与T6进行换流。
图4 ANPC-PWM1调制策略对芯片面积的需求这种调制策略和NPC1换流路径类似,通常称为ANPC-PWM1调制方式,主要特点是:
1. 换流路径最小,尖峰电压可以得到更好的抑制。
2. T1/T4, T5/T6均是半周期高频切换;T2/T3则是常通或常闭,半周期进行一次切换,产生的损耗为大多为导通损耗。ANPC-PWM1,T2/T3只有导通损耗,适用于对无功输出能力要求高的场景,例如SVG和高低压穿越的场景。
功率器件厂家会结合ANPC-PWM1的调制策略,针对各个位置的器件开通特性进行组合,英飞凌具有广泛的芯片类型和开发经验,可以使用高速芯片作为需要高频开关T1/T4/T5/T6,使用低饱和压降的芯片用来做低频开关T2/T3,通过最适配的芯片组合,进一步提升模块的效率。
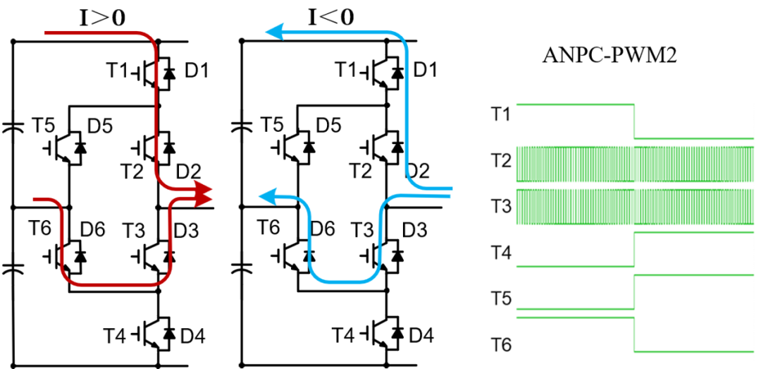
ANPC-PWM2
图5 ANPC-PWM2调制策略图5为ANPC-PWM2的换流路径和各个芯片的驱动波形,同样以正半周换流为例进行分析,当处于逆变状态时(V>0,I>0),当从正电平输出切换至零电平时,此时选择以T6/D3为换流通路,在正半周时T1和T6时刻保持常通,此时需关闭T2且开通T3,T1此时和T6/D3构成正半周的不同电平换流,此时T4/T5均为关闭状态;
当处于整流状态时(V>0,I<0),正电平至零电平的切换路径为D1/D2至T3/D6,仍然是T2与T3进行互补开通。负半轴的两个象限的换流路径同理,常通管切换为T4和T5,T4与D2/T5进行换流。
图6 ANPC-PWM2调制策略对芯片面积的需求这种调制策略和APNC-PWM1呈现不同特点,称为ANPC-PWM2调制方式,特点是:
1. 换流路径较大,相较于ANPC1-PWM1会增加较大的换流回路杂感,IGBT关断尖峰电压需要重点进行关注。
2. 在ANPC-PWM2中,仅有T2和T3是全周期高频切换,剩余位置的芯片均是半周期常通或常关状态,且半周期进行一次切换,产生的损耗基本为导通损耗。
另外在输出正电平T1/T2开通和输出负电平T3/T4开通时,相对应的T5/T6钳位二极管开通可以均衡T3/T4以及T1/T2两端电压,将母线电压均衡分布在两个管子上。
同样根据此调制策略的特点,可以在三电平模块中将T2/T3配置为高频SiC芯片,其余芯片以饱和压降小的芯片为主,以达到高效的目的。
ANPC-PWM100
图7 ANPC-PWM100调制策略除了ANPC-PWM1和ANPC-PWM2调制策略外,通过合理利用零电平续流路径,可以进一步降低ANPC整体损耗。
例如在ANPC-PWM1中将新增零电平路径T6/D3和D2/T5共同作为零电平路径进行换流。例如在正电平和零电平换流时,在T1关闭后,先后打开D5/T2和T6/D3进行零电平续流,此时一个周期内部分芯片半周期高频切换,T5和T6整个周期高频切换,相当于两条路径共同分担零电平时刻通过的电流,并联分流以降低导通损耗。
通过合理的切换冗余零电压状态即可调节开关器件的损耗分布,从而可以针对性的提高逆变器的容量和器件的开关频率。另外,双续流ANPC调制的损耗改善效果和逆变器实际运行时的调制系数以及功率因数相关,不同的工作模式下结果不同,后续会通过仿真分析ANPC不同的调制模式下的损耗分布情况。
“掌”握科技鲜闻 (微信搜索techsina或扫描左侧二维码关注)










