了解用于FM解调的经典模拟电路福斯特-西利鉴频器如何实现其卓越的线性度。
在上一篇文章中,我们学习了用于FM解调的斜率检测器如何将频率偏差转换为幅度偏差。在从FM转换为AM之后,消息信号由包络检测器检索。在本文中,我们将探索另一种经典的FM解调电路:福斯特-西利鉴频器,如图1所示。
福斯特-西利鉴频器。
图1 福斯特-西利鉴频器对于高于谐振的频率,该电路的输出电压为正。对于低于谐振的频率,输出电压为负。福斯特-西利鉴频器的频率响应如图2所示。
福斯特-西利鉴频器的典型频率响应。
图2 福斯特-西利鉴频器的典型频率响应福斯特-西利鉴频器是如何实现这一响应的,从其示意图中可能无法立即清楚。为了澄清,我们将检查电路关键组件的操作。然后,我们将基于所学知识来解释整个电路的功能。
让我们从探索串联RLC电路在其谐振频率附近的行为开始,重点关注它引入的相移。
理解RLC电路的相移
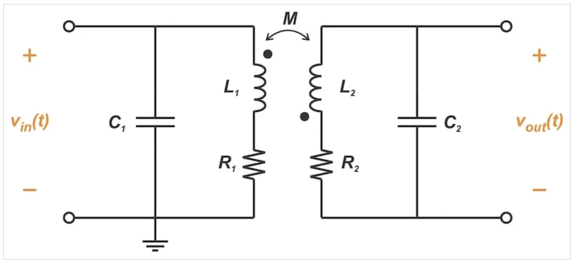
图3显示了上述示意图中L2和C2的并联连接。添加R2以表示L2的寄生电阻。
RLC电路的示例。
图3 RLC电路的示例为了讨论的目的,让我们假设以下值:
L2=10μH
R2=100Ω
C2=25.33029 pF。
这导致谐振频率为10 MHz,计算如下:
方程式1我们现在施加一个10 MHz的正弦输入,并将电容器两端的电压作为输出。图4显示了LTspice模拟的结果。
10 MHz信号的输入电压(蓝色)和输出电压(红色)。
图4 10 MHz信号的输入电压(蓝色)和输出电压(红色)输入和输出波形沿时间轴的相对位置清楚地表明,输出与输入相位相差-90度。这意味着电路在谐振频率处引入了-90度相移。虽然我们当然可以从数学上证实这一点,但在本文中,我们将使用模拟结果来获得视角,而无需深入研究数学证明。
如果我们将输入频率增加到10.2 MHz,我们会得到图5中的波形。
10.2 MHz信号的输入和输出电压。
图5 10.2 MHz信号的输入电压(蓝色)和输出电压(红色)对于高于谐振频率的频率,相移的绝对值大于-90度。图6显示了9.8 MHz的波形,略低于谐振频率。
9.8 MHz信号的输入和输出电压。
图6 9.8 MHz信号的输入电压(蓝色)和输出电压(红色)在谐振频率以下,相移的绝对值小于-90度。使用AC分析可以获得相同的结果,其结果如图7所示。
RL电路的频率响应,分为幅度(上图)和相位(下图)。
图7 RLC电路的频率响应:幅度(顶部)和相位(底部)在谐振频率附近的窄频带内,幅度响应几乎保持不变,而相移随频率近似线性变化。福斯特-西利鉴频器采用这种频率敏感相移来解调FM波。
耦合电感器的作用
如图8所示,福斯特-西利鉴频器采用耦合电感器将输入施加到串联RLC电路。相互耦合的双调谐电路具有高的初级和次级Q因子以及低的互感。
福斯特-西利鉴频器中使用的耦合电感器。
图8 Seeley-Foster鉴频器中使用的耦合电感器在我们继续之前,请注意电容器用于初级和次级绕组。这表明电感器之间的耦合小于1。如果它是统一的,那么任一侧的一个电容器就足够了。
为简单起见,我们假设L1的串联电阻R1可以忽略不计。此外,我们假设耦合到初级电路的阻抗相对于初级自阻抗是微不足道的。因此,初级电流可以计算为:
方程式2初级电流在次级中感应出电压,该电压可以通过与L2串联的电压源进行建模,从而得到类似于我们在上一节中研究的次级电路模型。感应电压取决于两个电感器之间的互感(M)。假设选择绕组方向以产生负互感,则感应电压为:
方程式3次级出现的电压已经与Vin相位相差180度。我们还知道,串联RLC电路在谐振频率下产生-90度的相移。在谐振频率以上,这种相移变得更加负。在其下方,相移变得不那么负。
检查相移和频率之间的关系
电路的整体相移如何随频率变化?让我们将其分解为三种可能的情况:共振、共振以下和共振以上。
首先,在谐振时,整体相移与耦合电感器成180度,与RLC电路成-90度。这导致了180-90=90度的整体相移。
接下来,在谐振频率以下,假设RLC电路的相移为-80度。总相移将为180-80=100度,这表明对于低于谐振频率的频率,总相移大于90度。请注意,-80度值只是一个示例,可以更容易地确定电路行为。
在谐振频率以上,继续RLC电路的-100度相移示例,我们得到180-100=70度的总相移。这意味着,对于高于谐振频率的频率,整体相移小于90度。
为了确认这些结果,我们将对图9中的LTspice电路进行交流分析。
用于检查福斯特-西利鉴频器相位网络的LTspice示意图。
图9 用于检查福斯特-西利鉴频器相移网络的LTspice示意图上图中的K语句定义了两个电感器之间的耦合。如前所述,福斯特-西利鉴频器中的耦合小于1。为了保持一致,我们选择了一个较小的值0.1。图10显示了AC分析的结果。
移相网络的频率响应:幅度(顶部)和相位(底部)。
图10 相移网络的频率响应:幅度(顶部)和相位(底部)我们可以看到,在谐振频率(10 MHz)处,相移约为90度,比谐振频率低90度以上,比共振频率高90度以下。
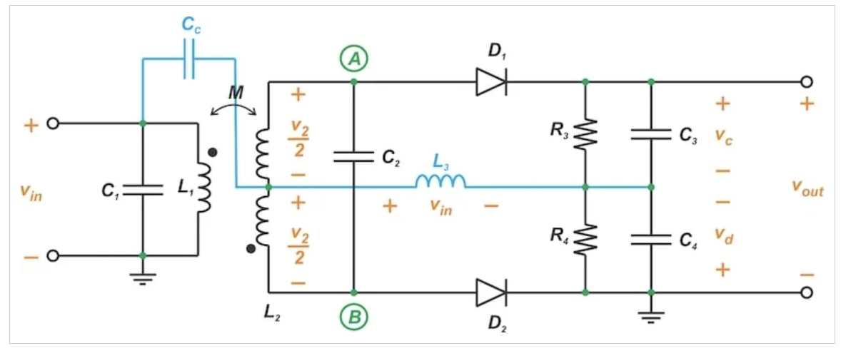
Foster Seeley鉴频器
现在我们已经讨论了它的关键组成部分,我们准备对福斯特-西利鉴频器进行整体分析。为方便起见,图11再现了示意图。
福斯特-西利鉴频器
图11 完整的福斯特-西利鉴频器示意图电容器Cc和C4在RF处充当短路。因此,输入电压(vin)出现在L3两端,选择L3使其足够大以充当RF扼流圈。
次级绕组(L2)被分成两部分。在上图中,节点A和B处的电压由下式给出:
方程式4其中v2是L2两端的总电压。
从我们之前的讨论中,我们知道vin和v2之间的相位频率关系。在谐振频率下,v2领先vin 90度,形成图12所示的矢量图。
谐振时电压的矢量表示。
图12 谐振时电压的矢量表示二极管探测器的输出(vc和vd)与vA和vB的幅度成正比。总输出(vout)由下式给出:
方程式5其中η是整流效率。
在共振时,由于vA和vB矢量的大小相等,方程5的结果为零。在谐振以下,次级电压领先输入90度以上,形成图13中的矢量图。
谐振以下电压的矢量表示。
图13 谐振以下电压的矢量表示由于vA的幅度小于vB的幅度,因此方程5在谐振以下产生负输出电压。
最后,当输入频率高于谐振频率时,次级两端的电压领先输入电压不到90度。这将生成图14中的矢量图。
谐振以上电压的矢量表示。
图14 谐振以上电压的矢量表示在这种情况下,vA的幅度大于vB的幅度,这意味着在谐振频率以上的输出端出现正电压。
Foster-Seley鉴频器的利与弊
与我们在上一篇文章中研究的平衡斜率检测器不同,福斯特-西利鉴频器的两个谐振电路都调谐到相同的频率。因此,设计更容易。由于福斯特-西利鉴频器对频率响应的依赖较小,更多地依赖于相当线性的初级-次级相位关系,因此它也提供了优异的线性度。
福斯特-西利鉴频器的主要缺点是其对输入端不期望的AM调制的敏感性。回过来参考方程式4和5,我们看到输入信号幅度的变化会导致vA和vB的幅度变化。这反过来又会导致整体输出的振幅变化。为了防止输入信号上的任何AM被解调,必须在这种类型的鉴频器之前加入限幅器电路。
“掌”握科技鲜闻 (微信搜索techsina或扫描左侧二维码关注)










