在工业应用中,可能出现高压的情况一直是个令人担心的问题。寻找防护之道一直并将继续是开发人员的一项重要任务。本文所述的设计技巧说明,开发人员可以利用Over-The-Top® (OTT)放大器来实现这一目标。
即使是工业应用,有时也会遇到高于系统电源的电压。其电位尽管不如汽车电子等应用那么高,但常常高于通常的系统电压。对于许多运算放大器来说,某些系统电压甚至可能过高。这给模拟前端(AFE)带来了巨大挑战。例如,较高的电压会使典型放大器的内部输入二极管导通。这种状态存在的时间越长,发生故障甚至失效的可能性就越大。开发人员可以采取相应的预防措施,例如,使用额外的二极管或电阻的外部保护电路。然而,这些额外的元件会占用电路板上的空间,并且存在漏电流、增加输入电容和噪声等缺点。因此,采用Over-The-Top技术的集成IC解决方案是非常好的选择。
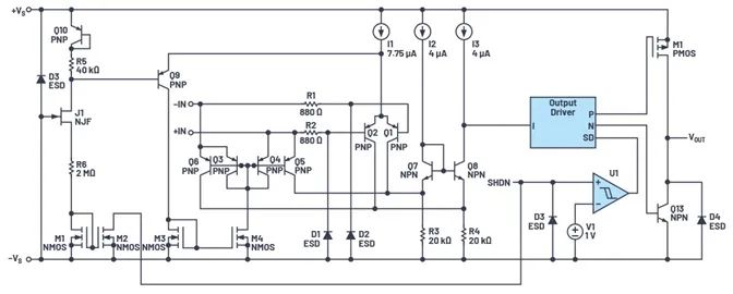
为了简化说明,可以看看ADA4098-1 或 ADA4099-1 的内部结构。这些OTT运算放大器各有两个输入级。第一级是共发射极差分放大级,由PNP晶体管组成,适用于负电源(–VS)至比正电源(+VS)低约1.25 V的输入信号。第二级是由更多PNP晶体管组成共基极输入级,适用于输入信号的共模电压从+VS – 1.25 V开始或更高。内部电路的示例如图1所示。第一级使用晶体管Q1和Q2来设计,而第二级使用晶体管Q3至Q6来设计。
图1. 内部结构的简化表示(取自ADA4098-1)。因此,这些输入级提供两个不同但互补的工作范围。两个输入级的失调电压经过严格调整,并已在数据手册中给出。
当输入的共模电压接近+VS时,第二级被激活,运算放大器随即处于Over-The-Top模式。这可能是各种应用中的过压情况。例如,对于高端电流测量,由于寄生效应或负载相关效应,输入电压可能瞬时会超过系统电源电位。典型放大器允许输入信号的电压最高达到电源电压轨。如果输入远超过此范围,内部二极管通常会导通,大量电流会流过其中。根据信号电压和电流,这些尖峰可能会瞬间中断放大器的运行,在最坏的情况下甚至会导致集成电路失效。
与典型运算放大器不同,当发生此类问题时,OTT放大器可以承受高达80 V的差动输入电压。在这种状态下,输出电平饱和至正电源电压(+VS)。输出在此状态下仍有能力灌入或输出数据手册内标称的极限电流。一旦输入回到正常工作范围(–VS至+VS),输出电平也会回到正常的线性范围,而不会损害或降低直流精度。对于高达70 V的共模电压,情况类似。
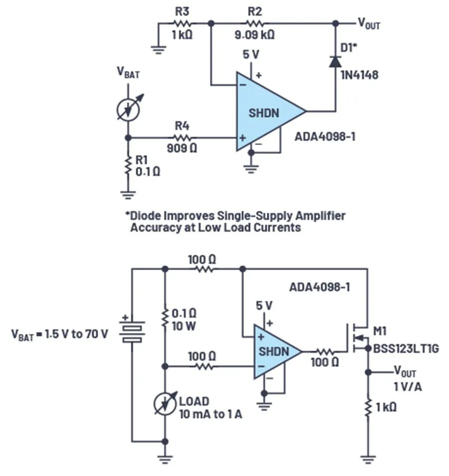
图2提供了一些电流测量示例。ADA4098-1是低功耗版本,而ADA4099-1具有更高的带宽和更高的电压上升速率。
图2. 采用ADA4098-1的电流测量示例。在低边测量中,增益来自电阻R2和R3。二极管D1可改善低负载电流下的单电源系统的测量精度。
在高边电流测量中,1 kΩ Vout端接地的电阻和100 Ω(顶部连接)运放同相端的电阻对增益起决定作用(0.1Ω与100Ω分流比例决定增益,1k电阻则将电流转换为电压)。放大器输入端的电阻提供滤波等功能。在这种情况下,1%精度电阻将是比较好的选择。运放的输入偏置电流可能会影响通过这些电阻的压降,而1%之类的小容差将有助于最大程度地减小此处的压降范围。
ADA4098-1的输出在空载情况下具有轨到轨摆幅(两个电源轨分别减去45 mV的范围内)。输出可以提供24 mA的源电流和35 mA的阱电流。该放大器具有内部补偿机制,可以驱动200 pF(最小值)的负载电容。在输出端和较高容性负载之间可以插入一个50 Ω串联电阻,以扩展放大器的容性负载驱动能力。
如果输出VOUT驱动一个电位较低的电路,并且该负载电路拥有自身电压轨的保护二极管,则在VOUT处放置一个电阻是有意义的。这将限制可能流向负载电路的电流。
ADA4098-1有一个专用的SHDN引脚,当该引脚置为高电平时,放大器将被置于功耗非常低的关断状态。逻辑高电平定义为参考–VS电位,施加到SHDN引脚的电压≥1.5 V加–VS。VOUT引脚随后处于高阻态。有一种替代方法,通过移除正电源可以将放大器置于低功耗状态。在这两种关断模式下,OTT仍处于活动状态,可以将比–VS最高超过70 V的电压施加到输入引脚。
除了电流或功率测量之外,OTT放大器的其他用途有用于传感器前端或4 mA至20 mA电流环。详细信息、更多应用示例和计算可在数据手册中找到。
本文说明了Over-The-Top放大器如何提供过压保护。凭借智能精密的内部电路,Over-The-Top放大器同时提供鲁棒性和准确性。ADA4098-1和ADA4099-1等OTT运算放大器不仅能承受远高于电源轨的电压,而且实现了更低的失调误差和噪声值。
“掌”握科技鲜闻 (微信搜索techsina或扫描左侧二维码关注)










