由于服务器对于处理数据通信至关重要,因此服务器行业与互联网同步呈指数发展。尽管服务器单元最初是基于 PC 架构,但服务器系统必须能够应对日益增加的网络主机数量和复杂性。
本文引用地址:
图 1 展示了数据中心中的典型机架式服务器系统及服务器系统方框图。电源单元 (PSU) 是服务器系统的核心,而且需要复杂的系统架构。本文将探讨五种服务器 PSU 设计趋势:功率预算、冗余、效率、工作温度以及通信和控制。

趋势一:功率预算
在 21 世纪初,机架或刀片式服务器 PSU 的功率预算在 200W 至 300W 之间。当时,每个中央处理单元 (CPU) 的功耗在 30W 至 50W 之间。图 2 展示了 CPU 功耗趋势。

如今,服务器 CPU 的功耗约为 200W,随着热设计功率接近 300W,服务器 PSU 的功率预算大幅增加至 800W 至 2,000W。为了支持越来越多的服务器计算要求,如互联网上的云计算和人工智能 (AI) 计算,服务器可以添加图形处理单元 (GPU) 来与 CPU 一起工作。这样,服务器的功率需求将在五年内增加到 3,000W 以上。但是,由于大多数机架或刀片式服务器 PSU 仍使用额定电流高达 16A 的交流电源插座,因此功率预算有限:在 240VAC 输入下大约为 3,600W(考虑到转换器效率)。因此,短期内,机架式服务器 PSU 的功率限制将仍为 3,600W。
对于数据中心电源架,服务器 PSU 设计人员广泛采用国际电工委员会 (IEC) 60320 C20 交流电源插座,其额定电流为 20A。PSU 功率预算受其交流电源插座额定电流的限制,这使得当今数据中心 PSU 的功率大约为 3,000W;但在不久的将来,数据中心 PSU 的功率等级可增加到 5,000W 以上。为了提高每个 PSU 的功率预算并实现更高的功率密度,您还可以对交流电源插座使用汇流条,来提高输入电流等级。
趋势二:冗余
服务器系统的可靠性和可用性非常重要,因此需要冗余 PSU。如果一个或多个 PSU 出现故障,系统中的其他 PSU 可以接管供电。
简单的服务器系统可以具有 1+1 冗余,这意味着系统中有一个 PSU 工作,一个 PSU 冗余。复杂的服务器系统可能具有 N+1 或 N+N (N>2) 冗余,具体取决于系统可靠性和成本考量。为了在需要更换 PSU 时保持系统正常运行,系统需要热插拔(ORing 控制)技术。由于在 N+1 或 N+N 系统中有多个 PSU 同时供电,因此服务器 PSU 也需要使用电流共享技术。
即使处于待机模式(未从其主电源轨向输出端供电)的 PSU 也需要在热插拔事件后即时提供全功率,因此需要功率级持续激活。为了降低待机模式下冗余电源的功耗,“冷冗余”功能正成为一种趋势。冷冗余旨在关闭主电源运行或在突发模式下运行,从而使冗余 PSU 更大限度减少待机功耗。
趋势三:效率
21 世纪初,效率规格仅在 65% 以上;当时,服务器 PSU 设计人员没有优先考虑效率。传统转换器拓扑可以轻松满足 65% 的效率目标。但是,由于服务器需要持续运行,效率更高可以大大降低总拥有成本。
自 2004 年以来,经 80 Plus 标准认证,PC 和服务器 PSU 系统效率超过 80%。如今,大规模量产的服务器 PSU 大多符合 80 Plus 金牌(效率 >92%)要求,有些甚至可以达到80 Plus 铂金标准(效率 >94%)。
目前正在开发的服务器 PSU 主要符合更高的 80 Plus 钛金规格,这要求半负载时的峰值效率达 96% 以上。表 1 显示了 80 Plus 的各种规格。
表 1 80 Plus 规格可确保效率在 80% 以上

趋势四:工作温度
在服务器 PSU 热管理方面,设计人员将风扇所在的 PSU 交流电源插座的环境温度定义为服务器 PSU 的工作温度。21 世纪初,工作温度最高为 45°C,现在达到最高 55°C,具体取决于服务器机房中的冷却系统。
较高的工作温度可降低服务器冷却系统的能源成本。与数据中心的资本支出(如硬件设备)相比,随着时间的推移,作为运营支出的能源成本预计会高于资本支出。根据电源使用效率 (PUE) 标准:PUE = 数据中心总功率/IT 实际使用功率。
如表 2 所示,PUE 数值越低,数据中心的效率越高。图 3 是不同工作温度下 PUE 数值的估算。例如,PUE 为 1.25 的数据中心仅允许冷却系统功耗为总功耗的 10%。这意味着服务器 PSU 需要更高的工作温度。
表 2 PUE 数值较低的数据中心具有高效率


工作温度越高,冷却成本越低
趋势五:通信和控制
多年来,通信和控制在服务器电源方面发挥着重要作用。21 世纪初,PSU 的内部信息通过系统管理总线接口传输到系统端。2007 年,电源管理总线 (PMBus) 接口增加了多项功能,包括配置、控制、监控和故障管理、输入/输出电流和功率、电路板温度、风扇速度控制、实时更新代码、过压(电流、温度)和保护。之后,为了应对数据中心电源架的增长需求,控制器局域网 (CAN) 总线成为了服务器电源通信的一部分。
电源管理控制器也随着通信总线的发展而发展。21 世纪初,服务器 PSU 主要由模拟控制器控制。随着控制需求越来越多,通信需求也有所增加,使用数字控制器可以更容易满足这些需求。使用数字控制还可以减少硬件工程师的调试工作,从而有可能降低 PSU 设计和验证阶段的人力成本。
服务器 PSU 的未来发展趋势
随着服务器功率预算增加,而体积保持不变,功率密度要求将变得更加严格。21 世纪初,功率密度为个位数;而新开发的服务器 PSU 则增加到近 100W/in3。通过拓扑和元件技术演进提高转换器效率,是实现高功率密度的解决方案。
与电流、功率和效率趋势的情况一样,理想二极管/ ORing 控制器需要在小型封装中提供高电流。理想二极管/ ORing 控制器还必须集成监控、故障处理和瞬态处理等功能,用于减少实现这些功能所需的元件总数和 PCB 面积。
例如,服务器 PSU 中的 PFC 电路已从无源 PFC 演变为有源电桥 PFC,再演变为有源无桥 PFC。隔离式直流/直流转换器已从硬开关反激式和正激式转换器演变为软开关电感器-电感器-电容器谐振和相移全桥转换器。非隔离式直流/直流转换器已从线性稳压器和磁放大器演变为具有同步整流器的降压转换器。随后整体效率的提升可降低内部功耗和解决散热问题所需的工作量。
应用于服务器 PSU 的元件技术也在不断发展,从 IGBT 和硅 MOSFET 发展为碳化硅 MOSFET 和氮化镓 FET 等宽带隙器件。IGBT 和硅 MOSFET 的非理想开关特性将开关频率限制在 200kHz 以下。虽然宽带隙器件的开关特性更接近于理想开关,但使用宽带隙器件可以实现更高的开关频率,从而有助于减少 PSU 中使用的磁性元件数量。
随着工作温度升高,服务器 PSU 中的元件需要处理更高的热应力,这也推动了电路的发展。例如,一种传统实现方案是将机械继电器与电阻器并联,用于抑制启动期间的输入浪涌电流。但由于机械继电器体积过大、存在可靠性问题和温度等级较低,固态继电器现在正取代服务器 PSU 中的机械继电器。
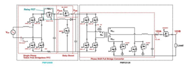
功率密度 >180W/in3的 3.6kW 单相图腾柱无桥 PFC 设计和具有有源钳位、功率密度 >270W/in3的 3kW 相移全桥设计,旨在满足服务器中常见的冗余电源规范(图 4)。

在 3.6kW PFC 设计中,固态继电器可适应较高的工作温度。这里,LMG3522R030 GaN FET 支持使用无桥图腾柱 PFC 拓扑。“小型升压”可降低大容量电容器的体积,从而提高功率密度。
在 3kW 相移全桥设计中,LMG3522R030 GaN FET 有助于降低循环电流,并实现软开关。有源钳位电路用作无损缓冲器,可在降低同步整流器电压应力的情况下,实现更高的转换器效率。通过将 C2000™微控制器用作数字控制处理器,上述所有控制要求均可实现。
“掌”握科技鲜闻 (微信搜索techsina或扫描左侧二维码关注)










