作者:李纪明、张浩、李劭阳、徐宇暄
本文引用地址:
应用背景:
随着新能源汽车(xEV)的普及,车载充电机得到了非常广泛的应用。OBC实现交流-直流的转换,用于高压电池充电,通常由两级电路组成:PFC(完成AC功率因素校正和直流转换)和HV DCDC(完成DC电压调整)。高功率密度、高可靠性、高效率、高性价比等核心指标一直是电源类产品包括OBC追逐的目标,也是技术迭代与产品革新的方向。
针对OBC应用,英飞凌推出了一系列基于Si和SiC技术的器件,满足了各种OBC应用需求。应用中 如果成本是最重要的参数,Trenchstop™ 5 IGBT是PFC级功率器件的首选;如果效率是最重要的参数,CoolSiC™ 技术则是PFC级功率器件首选技术。
对于电动汽车车载充电器OBC来说,恰好的效率和性能是关键。当前大多数OBC的效率要求是适度的,客户对于高性价比方案的需求日益增长。英飞凌最新提供的汽车级CoolSiC™ Hybrid混合单管器件 650V AIKBE50N65RF5,恰好满足了这一市场需求。其优势在于集成了包括一个50A TrenchStop™ 5 IGBT和一个30A CoolSiC™二极管。英飞凌 TrenchStop™ 5是市场上公认的首屈一指的快速开关IGBT技术, SiC二极管使用了一种先进的芯片贴装方法,从而优化了热性能。
一、SiC Hybrid混合单管器件目标应用领域
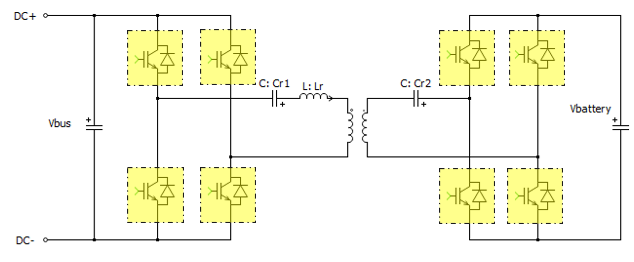
目前最广泛使用的单级OBC拓扑由图腾柱PFC+xLLC(或DAB)两级组成,如图1所示。其中图腾柱PFC,它由一个高速半桥和一个工频整流半桥组成,完成电网要求的功率因素校正功能及后级需要的DC电压调整;DC/DC变换器一般由隔离变压器及其原副边的两个全桥组成,完成PFC级输出电压和高压电池电压间的匹配。
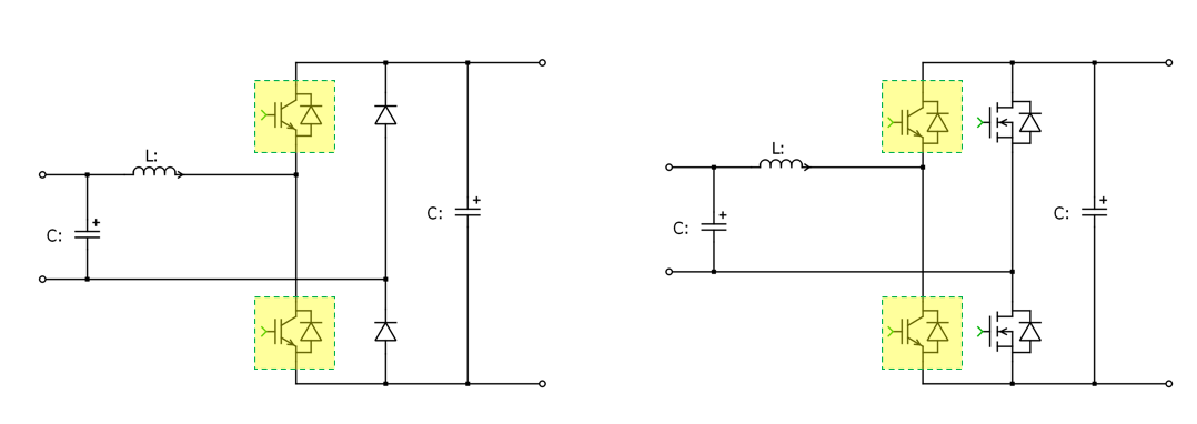
图1 OBC典型拓扑前面提到,应用CoolSiC™混合单管器件,可以优化性价比。具体应用中,在图腾柱PFC一级,如图2a所示,针对快管(高速半桥)位置的器件,RF5器件是理想的选择。针对DC/DC原副边功率器件选择,如图2b所示,RF5都是合适的选择,这里是个双向DC/DC变换器示例。这些位置要求功率二极管快恢复,功率器件开关能量要求低,以达到系统安全可靠高效运行。后文会展开介绍器件主要特性,尤其开关特性,来说明Hybrid器件是这种拓扑中功率器件的合适选择。
图2a 图腾柱PFC,快管使用CoolSiC™ Hybrid 方案
图2b 高压DC/DC,原副边均使用CoolSiC™ Hybrid 方案二、 车规CoolSiC™ Hybrid混合器件介绍
650V CoolSiC™ Hybrid混合分立器件是两种公认的一流半导体技术组合:TRENCHSETOP™ 5 IGBT和CoolSiC™肖特基二极管G6 。与具有硅续流二极管的传统双封装产品相比,这种组合显著降低了开关损耗,并且即插即用,可以取代传统的TRENCHSETOP™ 5 IGBT。共封装二极管的标称电流通常相对于IGBT进行规定,全额定二极管的额定电流与IGBT相似,半额定二极管的电流约为其50%。名称中字母“R”表示半额定电流碳化硅肖特基势垒二极管。
目前车规级Hybrid产品组合有两款产品,AIKW50N65RF5和 AIKBE50N65RF5,分别是TO247-3和TO263-7两种不同封装形式的产品。两者电气特性差异主要体现在二极管电流和热阻值,如图3所示。IGBT F5具有非常低的开关损耗Eon和Eoff;SiC/SBD G6几乎没有反向恢复Erec,进一步减少了IGBT的Eon。TO263封装具有开尔文Source脚,引脚寄生电感进一步降低,进一步优化了开关损耗Esw,电磁EMI性能也更加友好。
图3 AIKW50N65RF5与AIKBE50E65RF5的区别尤其特别的是,TO263封装产品内部芯片和引线框架间的焊接采用了英飞凌特有的.XT焊接技术,优化了热阻参数,这一重要参数后面会再展开说明。图4总结了TO263封装的AIKBE50N65RF5的主要特点。
图4 AIKBE50N65RF5的主要性能三、 CoolSiC™ Hybrid混合器件开关特性
PN结二极管不能立即从导通状态变为截止状态。它们需要在过渡阶段进行反向恢复:二极管的阻塞电压上升提取了在导通期间积累在二极管芯片中的电子-空穴等离子体。这种提取的等离子体被称为反向恢复电荷,并导致开关损耗。如图5所示。显然,反向恢复会导致IGBT和二极管的损耗。部分损耗可直接归因于反向恢复电荷(Qrr∙Vbus),部分是由于电压斜率的陡峭度降低。由于SiC SBD二极管在导通阶段不会充满电荷载流子,因此它们不需要进行反向恢复,二极管恢复能量Erec完全消除。SiC SBD 二极管比Si PN二极管反向恢复要快的多,与硅PN结二极管相比,这大大降低了开关损耗。当关断能量Eoff基本上不变时,开通能量Eon显著降低。图6仿真对比了不同二极管带来的开通能量Eon影响,受益于SiC SBD二极管的使用,开通能量Eon降低了一半。
图5 二极管反向恢复损耗
图6 AIKBE50N65RF5 开通能量仿真,Eon降低一半由开关能量的定义图7可知,Eoff降低取决于运行条件:负载电流越低,开关速度越高,损耗降低就越显著。图8中提供的示例性仿真数据表明,使用AIKBE50N65RF5,即使将关断能量(Eoff)减半也是可能的。实际应用中关断能量Eoff受限于DC电压,关断电流,驱动电阻电容,寄生电感等参数影响。图9所示仿真,对比了TO247-3和TO263-7器件的关断Eoff,可见贴片器件的关断损耗优于插件封装器件。
图7:IGBT开关能量示意图
图8:AIKBE50N65RF5关断能量Eoff仿真
图9 AIKBE50N65RF5/AIKW 50N65RF5关断能量Eoff仿真对比由以上对比可知,Hybrid贴片封装器件Eoff优于插件封装器件,实际上即使对比最先进的SiC MOSFET™和CoolMOS™,Hybrid的Eoff性能也毫不逊色。图10对比了不同技术器件的Eoff, 可见Hybrid Eoff和CoolMOS™可比,经过驱动优化后,Hybrid 关断能量Eoff也可以大大缩小和SiC MOSFET的差距。
图10 CoolSiC™ Hybrid/CoolSiC™ MOSFET/CoolMOS™ 关断能量Eoff对比四、CoolSiC™ Hybrid混合器件热阻特性
XT技术消除了通过标准焊接工艺所看到的典型限制。英飞凌率先采用扩散焊接工艺,通过封装从芯片到散热器建立了非常良好的热连接。与CoolSiC™相结合,这可以通过将芯片的散热能力提高30%或将工作温度降低15K,将芯片的结-壳热阻优化25%。还可以实现更高的电流输出和更低的工作温度,这不仅提高了系统输出电流能力,还延长了器件的寿命。AIKBE50N65RF5使用了这项独特扩散焊接工艺,改善了器件的热阻,提高了器件体的性能、可靠性和寿命。下图11对比了扩散焊接和传统软焊接工艺及其带来的热则性能的提升。
图11 AIKBE50N65RF5 热阻Rthjc/Zthjc 性能总结
本文简要描述了CoolSiC™ Hybrid混合功率器件在OBC中的典型应用。并结合仿真,介绍了AIKBE50N65RF5器件的相关性能,尤其是OBC应用中关心的开关损耗话题。AIKBE50N65RF5在开关能量Esw和热阻Rthjc两者表现都是优秀的,开关性能和SiC MOSFET, CoolMOS™可比较,非常适合使用在OBC的PFC和xLLC/DAB拓扑中。综合来看,CoolMOS™ Hybrid是OBC高压功率器件选择中最具性价比的选择。
“掌”握科技鲜闻 (微信搜索techsina或扫描左侧二维码关注)










