本文引用地址:
近日,上海——纳芯微电子(简称“纳芯微”)发布全新高精度双通道电流检测放大器NSCSA285系列。NSCSA285系列凭借高达76V的宽共模电压范围、±12μV的超低输入偏移电压及140dB的直流共模抑制比(CMRR),拥有满足高精度、强抗干扰、低功耗与快速相应、以及灵活适配等特性,在工业4.0和新能源技术发展需求下,满足通信设备、工业自动化、能源管理及智能电网等应用场景高精度、高可靠的电流检测需求。可广泛应用于通信设备领域中5G基站电源管理、服务器背板电流监测,工业自动化领域的电机驱动器、PLC电流闭环控制,能源管理场景下的光伏逆变器MPPT跟踪和储能系统SOC估算。在智能电网领域亦能满足智能电表与充电桩电流检测的严格要求。

高精度,低温漂,横扫测量误差
面对微弱电流信号易受环境噪声干扰、测量误差难以控制的挑战,NSCSA285系列凭借0.05%典型增益误差与±12μV最大输入偏移电压,实现全温区(-40℃~125℃)±0.5%的精度保障。同时,150nV/℃的超低温漂特性显著提升了在复杂温度环境下的测量稳定性,满足工业级应用对长期可靠性的严格要求。
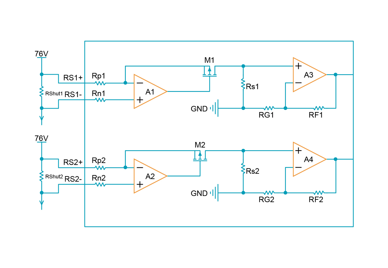
NSCSA285系列功能框图宽共模,强抗扰,护航系统稳定
在复杂电磁环境与宽电压动态范围应用场景下,NSCSA285系列展现出卓越的抗干扰能力。其3V~76V的宽共模输入范围直接兼容工业高压场景,140dB的直流共模抑制比(CMRR)与91dB@10kHz的交流CMRR,可有效抑制共模噪声,确保系统在多变工况下仍能保持信号的高度完整性与稳定性。
双通道,多封装,适配灵活设计
为进一步提升系统设计灵活性,NSCSA285系列提供四档增益配置,适配不同分流电阻需求,并集成两路独立检测通道,支持多节点同步监测,简化系统设计复杂度。其3mm×3mm MSOP8小型封装与引脚兼容设计,不仅大幅优化系统体积与成本,更简化了产品升级路径,为客户提供便捷的设计体验。

NSCSA285系列封装图与选型表低功耗,快响应,坚持长期管理
在能效管理方面,NSCSA285系列同样表现出色。其典型静态电流仅600μA,显著降低系统能耗。同时,NSCSA285系列拥有90kHz带宽与0.6V/μs压摆率,确保高速电流监测与瞬态响应能力,在应对复杂动态负载时表现尤为出色。
此外, NSCSA285系列满足工业级可靠性标准,通过HBM ±3500V与CDM ±2000V ESD防护测试,工作温度覆盖-40℃至+125℃,并通过MSL1级湿度敏感认证,确保产品在严苛环境下的长期稳定性与可靠性。
“掌”握科技鲜闻 (微信搜索techsina或扫描左侧二维码关注)










