制造商和消费者都在试图摆脱对化石燃料能源的依赖,电气化方案也因此广受青睐。这对于保护环境、限制污染以及减缓破坏性的全球变暖趋势具有重要意义。电动汽车 (EV) 在全球日益普及,众多企业纷纷入场,试图将商用和农业车辆 (CAV) 改造成由电力驱动。
本文引用地址:
然而,这种转变使得电能需求快速增长,给电网带来了极大的压力。尽管能效很高,但电动汽车、数据中心、热泵等应用仍需要大量能源才能运行。
太阳能、风能、波浪能等新型可再生能源受到广泛欢迎,正逐渐成为主流。只有完全使用可再生能源的应用,才能被视为真正的“清洁”应用。
太阳能市场已经发展多年,相对成熟。Fortune Business Insights 的报告显示,目前太阳能市场规模估计为 2730 亿美元,到 2032 年有望增长到 4360 亿美元。2023年,北美太阳能市场占比超过了 40%。
可再生能源应用中的电源转换挑战
太阳能发电量正在迅速增长。国际能源署 (IEA) 的数据表明,2022 年,太阳能产生的电力比上一年度增长 26%,达到 1300 TWh。这标志着太阳能发电已超越风电,成为最大的可再生电力来源。
太阳能光伏 (PV) 板产生直流电 (DC),而电网需要交流电 (AC),因此中央光伏逆变器是大型并网装置不可或缺的一部分。光伏板产生的所有能量都会经过逆变器,因此逆变器效率具有重要影响。尽管太阳能取之不尽,用之不竭,但转换效率低下会导致输送到电网的能量十分有限。过程中所浪费的能量会转化为热量,进而又会构成严峻挑战,因为许多太阳能装置通常位于阳光充沛、温度较高的环境,如沙漠。
成本也是非常重要的考虑因素,可直接影响消费者的电费以及电力公司的盈利。为实现更高功率,许多中央逆变器并联使用多个转换模块,具体数量由每个模块的额定功率决定。每个模块功率容量越高,所需模块就越少,进而可以降低成本。
尽管电动汽车已经取得了长足进步,但 CAV 在向电力驱动转变方面仍进展缓慢。CAV 体型较大,每次行驶消耗的燃料和产生的排放也更多,虽然数量上仅占汽车总量的 2%,但其温室气体排放量占交通运输排放总量的 28%。虽然商用客运车(如公共汽车)的电动化已经初见成效,但大多数大型卡车、建筑机械和农业车辆(如拖拉机)仍然依赖柴油驱动。现在,情况开始发生变化。为达到欧盟、中国和美国加州等全球市场严格的零排放法规要求,预计到 2030 年,电动卡车(纯电和混合动力)销量占比将从目前的 5% 增加到 40%-50%。
相较于化石燃料商用车,电动商用车结构更简单,运动部件更少。在载重能力相同的情况下,电动车体积更小、可靠性更高、维护相关成本更低。目前电池成本大幅降低,电动 CAV 的总拥有成本已经低于内燃机 (ICE) 车辆。
与太阳能应用类似,效率也是电动 CAV 的关键要求。每辆车的电池电量有限,逆变器中转换过程的效率越高,车辆行驶距离就越长。或行驶同样的距离所需的电量就更少。
鉴于未来我们对太阳能和电动 CAV 的依赖,可靠性自然也就变得非常重要。
面向逆变器应用的先进电源技术
在三相太阳能光伏逆变器等的高功率应用中,三电平有源中性点箝位 (ANPC) 转换器是比较常见的拓扑。这种多电平拓扑结构专门用于提升系统的性能和效率。
普通中性点箝位 (NPC) 转换器使用二极管将直流链路电容的中性点连接到输出端。在 ANPC 配置(图 1)中,箝位由开关执行,因此能够改善控制、减少开关损耗并提高效率,并且能相应地减少对散热措施的需求,从而有助于实现尺寸更小、成本更低的方案。
拓扑结构的布置方式降低了各个开关上的电压应力,从而提高了可靠性。此外,ANPC 还能实现对电网有利的波形。
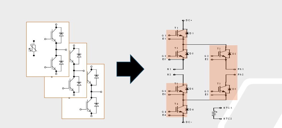
图1 可利用模块轻松构建ANPC转换器设计工程师可以通过并联多个功率模块,例如安森美 (onsemi) 的 QDual 3 IGBT 模块,创建高性能三电平有源中性点箝位模块,其系统输出功率可达 1.6 MW 至 1.8 MW。
图2 QDual3 IGBT模块QDual 3 模块集成了新一代 1200 V 场截止 7 (FS7) IGBT 和二极管技术,可为大功率应用提供更优异的性能。与前几代产品相比,FS7 技术显著改善了导通损耗。
图3 FS7技术增强了关键性能参数在 FS7 IGBT 工艺中,沟槽窄台面带来了低 VCE(SAT) 和高功率密度,而质子注入多重缓冲确保了稳健性和软开关特性(图 2)。安森美中速 FS7 器件的 VCE(SAT) 低至 1.65V,适用于运动控制应用;而其 FS7 快速产品的 EOFF 仅 57 µJ/A,是太阳能逆变器和 CAV 等高功率应用的理想选择。
图4 FS7 IGBT尺寸更小,功率密度更高创新型 FS7 技术使新型 QDual3 模块中的芯片尺寸比上一代缩小了 30%(图 3)。这种小型化与先进的封装相结合,可以显著提高最大额定电流。在工作温度高达 150 摄氏度的电机控制应用中,QDual3 的输出功率为 100 kW 至 340 kW,比目前市场上的其他产品高出大约 12%。
可靠性是太阳能和 CAV 应用的关键,因此模块的构造和测试方式至关重要。例如,目前有许多类似方案使用引线键合方式来固定端子,而安森美则选择采用超声波来焊接模块。后者有助于增强电流承载能力,提供更优散热路径,并且比前者更为坚固(图 4)。
图5 超声波焊接可降低温度并增强可靠性这种方法可以提高电导率,从而减少电力损失、提升效率。此外还能降低工作温度、增强机械刚度,以及提高模块的整体可靠性。
安森美的新型高功率QDual3技术
专用 QDual 3 半桥 IGBT 模块NXH800H120L7QDSG 适用于中央太阳能逆变器、储能系统(ESS)、不间断电源(UPS);而 SNXH800H120L7QDSG 则适用于 CAV。这两款器件均基于 FS7 技术打造,VCE(SAT) 和 EOFF 有所改进,进而降低了损耗、提高了能效。
目前,若使用 600 A IGBT 模块以 ANPC/INPC 架构来设计 1.725 MW 逆变器,总共将需要 36 个模块。然而,若使用额定工作电流为 800 A 的新型 NXH800H120L7QDSG 和 SNXH800H120L7QDSG,设计所需模块数量将减少 9 个。相应地,设计的尺寸、重量和成本将节省 25%。这对于太阳能应用和 CAV 应用来说都非常有价值,因为重量减轻和效率提高,将使得车辆行驶里程有所增加。
图6 更大的电流能力支持使用更少的模块来构建系统这些模块包含用于热管理的隔离底板和集成的 NTC 热敏电阻,并支持通过可焊接引脚将模块直接安装到 PCB 上,采用行业标准布局,有助于轻松将现有设计升级到新型 QDual3 技术。
安森美的所有 QDual3 模块均经过严格的可靠性测试,其可靠性水平超过市场上的其他同类器件。我们的湿度测试要求产品承受 960V 偏压长达 2000 小时,而同类器件仅需承受 80V 偏压 1000 小时。振动测试对于 CAV 应用至为关键,我们的产品在 30 G 峰值/10G RMS 条件下进行了长达 22 小时的测试,可满足 AQG324 要求。其他器件则是在振动水平低至 5 G 的条件下进行测试,持续时间短至 1 小时。
总结
全世界的可再生能源使用率越来越高,电网正承受着巨大压力。太阳能发电已经发展成熟,2022 年更是超过风电,成为可再生电力的主要来源。
尽管化石燃料驱动的车辆仍是主要的污染源,但 CAV 的电气化正在稳步推进,目前已初见成效。
安森美 FS7 等新型半导体技术支持开发低损耗、大功率器件,以满足这些领域的效率和可靠性需求。基于这项技术,安森美的新型 QDual3 器件采用紧凑封装,可实现高功率密度和出色能效。焊接良好的端子和超越业内其他器件的认证测试助力保障 QDual3 器件的稳健性能。
新一代 NXH800H120L7QDSG 和 SNXH800H120L7QDSG 模块电流能力高达 800 A,得益于此,逆变器设计所需的模块可减少 25%,并能够进一步简化设计、减小其体积、质量并降低成本。
这无疑是一项重大进展,安森美将继续潜心钻研 FS7 技术的高性能潜力,力求推出更多超越现有标准的模块,从而满足太阳能行业和 CAV 制造商不断增长的需求。
“掌”握科技鲜闻 (微信搜索techsina或扫描左侧二维码关注)










